RETZ进口品质 DB先导式溢流阀
简要描述:RETZ进口DB、DBW先导式溢流阀的组成主要包括带主阀插件的主阀和带压力调节元件的先导阀,用于限制或用电磁铁限制及卸荷系统压力
品牌:RETZ美国瑞茨
工况条件:溢流
温度/压力:P-T: 350bar@60℃
更新时间:2022/12/10
DB/DBW...5X系列先导式溢流阀 技术参数 Technical paramete
通径(NG)10至32, 压力至35MPa ,流量至650L/min Diameter (NG) 10-32, pressure to 35MPa, flow to 650L/min
(DB、DBW)进口先导式溢流阀 特性 characteristic
用于底板安装 For baseplate installation
安装面符合DIN24340 E型和ISO 6264 Mounting surface according to DIN24340 type E and ISO 6264
用于螺纹连接,用于底板安装 For threaded connection, for base plate installation
5种压力范围 5 pressure ranges
借助于安装在其上的电磁方向阀操作卸荷 Unloading is operated by means of a solenoid directional valve mounted on it
4种调节形式旋钮 Four types of adjustment knobs
带保护罩的调节螺栓 Adjusting bolt with protective cover
带刻度可锁旋钮带刻度旋钮 Lockable knob with scale Knob with scale
可选的切换时间延迟(仅DBW型)Optional switching time delay (DBW only)
功能说明 Function description
DB和DBW型阀是先导式溢流阀,它们用于限制(DB)或用电磁铁(DBW)限制及卸荷系统压力retz品牌 DB and DBW type valves are pilot operated relief valves, which are used to limit (DB) or limit and unload system pressure with electromagnets (DBW)
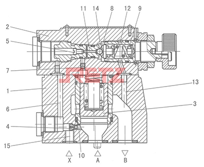
该溢流阀(DB)的组成主要包括带主阀插件(3)的主阀(1)和带压力调节元件的先导阀(2)The relief valve (DB) mainly consists of a main valve (1) with a main valve plug-in (3) and a pilot valve (2) with a pressure regulating element
DB型溢流阀 说明 Description of DB type relief valve
油路A中的压力作用于主阀芯(3)上。同时.压力经过带节流孔(4)和(5)的控制通路(6)和(7)作用在主阀芯(3)的弹簧加载侧及先导阀(2)的球(8)上。如果通路A中的压力超过弹簧(9)的设定值.球(8)克服弹簧(9)开启。对内控形式 控制信号由控制油(10)和(6)从A通路内部供给。主阀芯(3)弹簧加载侧的油液经过控制通路(7)、节流孔(11)和球(8)流入弹簧腔(12)。对内排形式-DB…L5X…Y……型 由控制通路(14)引入油箱。节流孔(4)和(5)在主阀芯(3)产生压阵.由A口流向B口.而设定工作压力保持不变。溢流阀借助外控油口X(15)可对不同压力(第二个压力额定值)卸荷或切换 The pressure in circuit A acts on the main spool (3). At the same time The pressure acts on the spring loaded side of the main valve core (3) and the ball (8) of the pilot valve (2) through control channels (6) and (7) with orifices (4) and (5). If the pressure in passage A exceeds the setting of the spring (9) The ball (8) opens against the spring (9). The control signal of internal control type is supplied by control oil (10) and (6) from the inside of channel A. The oil at the spring loaded side of the main valve element (3) flows into the spring chamber (12) through the control passage (7), the orifice (11) and the ball (8). For the inner exhaust type - DB... L5X... Y..., it is introduced into the oil tank through the control channel (14). The orifices (4) and (5) generate pressure array on the main valve element (3) and flow from port A to port B The set working pressure remains unchanged. The relief valve can unload or switch different pressures (the second pressure rating) with the help of the external control port X (15).
DBW型溢流阀 说明 Description of DBW relief valve
该阀基本功能与DB型阀相同.不同点是借助于安装于其上的方向阀(16)的动作主阀芯(3)可实现卸荷 The basic function of this valve is the same as that of the DB type valve. The difference is that unloading can be realized by means of the action of the main valve element (3) of the directional valve (16) installed on it
带切换时间延时的溢流阀(叠加式)DBW..S..R12型 Overflow valve with switching time delay (superimposed) type DBW.. S.. R12
借助于切换时间延迟阀(17)从B2至B1的连接延时开启。因此可避免回油管路中的压力峰值及释压冲击。切换时间延迟阀安装在先导阀和方向控制阀(16)之间 The connection from B2 to B1 is delayed by switching the time delay valve (17). Therefore, the pressure peak and pressure relief impact in the oil return pipeline can be avoided. The switching time delay valve is installed between the pilot valve and the directional control valve (16)
溢流(释压冲击)的程度由节流孔(18)的尺寸决定。直径φ1.2mm的节流孔作为标准安装。(订货型号…R12…)The degree of overflow (pressure relief shock) is determined by the size of the orifice (18). diameter φ The 1.2mm orifice is installed as standard. (Ordering model... R12...)

图形符号 Graphical symbols

技术参数 Technical parameter

性能曲线(在使用HLP46,t=40℃±5℃时测得)
该曲线在零压下对外部控制油泄油测得。对于内部控制油回油.把B口压力加到所示值上 This curve is measured for external control oil drain at zero pressure. For internal control oil return, add port B pressure to the value shown
进口压力与流量关系 Relation between inlet pressure and flow

与流量相关的最低设定压力和旁通压力(标准型)Minimum set pressure and bypass pressure related to flow (standard)

与流量相关的最低设定压力和旁通压力(“U”型)Minimum set pressure and bypass pressure related to flow ("U" type)




在线客服