RETZ进口品质 WEH电液动换向阀
简要描述:RETZ (WEH)进口电液动换向阀是用电磁阀为先导控制的换向阀,它采用板式连接,其连接尺寸符合DIN2430和ISO4401标准。它有许多不同的性能和附加装置可供选择
品牌:RETZ美国瑞茨
工况条件:换向
温度/压力:P-T: 350bar@660℃
更新时间:2022/12/14
WEH系列电液动换向阀技术参数 Technical paramete
通径(NG)10-32, 压力至28/35MPa ,流量至1100L/min Diameter (NG) 10-32, pressure to 28/35MPa, flow to 1100L/min
(WEH)进口电液动换向阀 特性 characteristic
先导控制用的电磁阀有湿式交流或直流的;主阀采用弹簧对中和弹簧复位或液压对中和液压复位;带或不带换向时间调节器;带或不带主阀行程调节器;在主阀内可装预压阀;可安装插入式阻尼器;在工作压力超过25MPa时可安装减压阀 retz品牌 The solenoid valves for pilot control are wet AC or DC; The main valve adopts spring centering spring return or hydraulic centering hydraulic return; With or without reversing time regulator; With or without main valve stroke adjuster; Pre pressure valve can be installed in the main valve; Plug in damper can be installed; The pressure reducing valve can be installed when the working pressure exceeds 25MPa
WEH25型弹簧对中的电液换向阀结构图 Structural Diagram of WEH25 Spring Centered Electro hydraulic Directional Valve

1-主阀体 2-主阀芯 3-复位弹簧 4-先导电磁阀 5-电磁铁 6-弹簧腔 7-控制油进油道 8-手动按钮
1 - main valve body 2 - main valve element 3 - return spring 4 - pilot solenoid valve 5 - electromagnet 6 - spring chamber 7 - control oil inlet passage 8 - manual button
WEH32H液压对中的电液换向阀结构图
WEH型电液换向阀是用电磁阀作为先导控制的滑阀式换向阀,用于控制液流的通断和流动方向。主要由主阀体(1)、主阀芯(2)、一个(或两个)复位弹簧带一个(或两个)电磁铁的先导电磁阀(4)组成。主阀芯(2)借助于弹簧力或液压力保持在中间位置。先导电磁阀(4)可选择湿式交流或直流电磁铁(5),先导电磁阀(4)可控制主阀的换向 WEH type electro-hydraulic directional valve is a slide valve directional valve with solenoid valve as pilot control, which is used to control the on-off and flow direction of liquid flow. It is mainly composed of main valve body (1), main valve core (2), and pilot solenoid valve (4) with one (or two) return springs and one (or two) electromagnets. The main valve element (2) is held in the middle position by spring force or hydraulic pressure. The pilot solenoid valve (4) can select wet AC or DC electromagnet (5), and the pilot solenoid valve (4) can control the direction change of the main valve.
控制油的供给和排出共有4种型式,见机能图。下面对各种型式的阀的说明:There are 4 types of control oil supply and discharge, see the mechanical energy diagram. The following are descriptions of various types of valves:
主阀是弹簧对中式的三位四通换向阀。主阀芯(2)是由两个弹簧(3)保持在中间位置上,两弹簧腔(6)通过先导电磁阀(4)(简称导阀)与油箱相通。控制油经管道门进入到导阅(4)中,当导阀(4)换向(导阀的一个电磁铁通电)时压力油作用在主阀芯(2)两端中的一个端面上,推动主阀芯(2)移动,接通相应的油口,从而改变液流的流动方向 The main valve is a spring centered three position four-way reversing valve. The main valve element (2) is held in the middle position by two springs (3), and the two spring cavities (6) are connected with the oil tank through the pilot solenoid valve (4) (referred to as the pilot valve). The control oil enters the guide (4) through the pipe door. When the pilot valve (4) reverses (one solenoid of the pilot valve is energized), the pressure oil acts on one end face at both ends of the main valve core (2), pushes the main valve core (2) to move, and connects the corresponding oil port, thus changing the flow direction of the liquid flow.
当电磁铁断电时,主阀芯(2)回到初始位置上(脉冲式阀除外),两弹簧腔(6)通过导阀(4)与油箱相通,在弹簧力的作用下主阀芯(2)回到中间位置上,弹簧腔(6)中的油经导阀(4)通过外排口Y或内部通道T排出 When the electromagnet is powered off, the main valve element (2) returns to the initial position (except for the pulse valve), two spring spring chambers (6) are connected to the oil tank through the pilot valve (4), the main valve element (2) returns to the middle position under the action of the spring force, and the oil in the spring chamber (6) is discharged through the pilot valve (4) through the external outlet Y or the internal channel T.

1-主阀体 2-主阀芯 3-弹簧 4-先导电磁阀 5-电磁铁 6-弹簧腔 7-控制油进油道 8-手动按钮
1 - main valve body 2 - main valve element 3 - spring 4 - pilot solenoid valve 5 - electromagnet 6 - spring chamber 7 - control oil inlet passage 8 - manual button
主阀是液压对中式的三位四通换向阀,在这种结构中,压力油作用在主阀芯(2)的两个端面上,由一个定位套(9)使主阀芯(2)定位,保持在中间位置上 The main valve is a hydraulically aligned three position four-way reversing valve. In this structure, the pressure oil acts on the two end faces of the main valve element (2), and a positioning sleeve (9) makes the main valve element (2) positioned and kept in the middle position
如果主阀芯(2)的一端卸荷,则主阀芯(2)在另一端压力作用下移动到工作位置,从而改变了油流的方向。卸荷端的油经导阀(4进入Y通道排出。内泄油从L口直接回油箱。If one end of the main valve element (2) is unloaded, the main valve element (2) moves to the working position under the pressure of the other end, thus changing the direction of oil flow. The oil at the unloading end enters the Y channel through the pilot valve (4) and is discharged. The internal drain oil returns to the oil tank directly from the L port.
二位四通换向阀(这类阀共有四种不同的结构型式)Two position four-way reversing valve (this type of valve has four different structural types)
1、4WEH.../.型:这类阀的导阀和主阀各有一个复位弹簧,靠弹簧力来复位 4WEH.../. type: the pilot valve and main valve of this type of valve each have a return spring, which is reset by spring force
2、4WEH...H...//..型:这类阀的导阀有一个复位弹簧,使导阀芯处在初始位置上,主阀芯是通过压力油的作用来换向的 4WEH... H...//.. Type: the pilot valve of this type of valve has a return spring to make the pilot valve core at the initial position, and the main valve core is reversed by the action of pressure oil
3、4WEH...H.../O...型:这类阀的导阀有两个电磁铁。在导阀和主阀里都没有复位弹簧,这样就分别用电磁铁和压力油使导阀芯和主阀芯换向。因此就必须总有一个电磁铁处于工作状态下 4WEH... H.../O... type: the pilot valve of this type of valve has two electromagnets. There is no return spring in the pilot valve and the main valve, so the solenoid and pressure oil are used to reverse the pilot valve core and the main valve core respectively. Therefore, there must always be an electromagnet in working condition
4、4WEH...H.../OF...型:这类阀的导阀有两个电磁铁和定位器,可使导阀芯停留在工作位置上(脉冲式阀)。主阀芯没有定位装置,在压力油的作用下移到相应的工作位置上 4WEH... H.../OF... type: the pilot valve of this type of valve has two electromagnets and positioners, which can make the pilot valve core stay at the working position (pulse valve). There is no positioning device for the main valve element, which moves to the corresponding working position under the action of pressure oil
在上述2、3、4种结构中都是液压复位的,主阀芯只有在压力油的作用下,才能保持在工作位置上 In the above 2, 3 and 4 structures, the main valve core can only be kept in the working position under the action of pressure oil
关于插入式阻尼器:为限制进入导阀中的流量,可在导阀的P腔安装插入式阻尼器 About the plug-in damper: to limit the flow entering the pilot valve, the plug-in damper can be installed in the P chamber of the pilot valve
插入式阻尼器结构图 Structural drawing of plug-in damper

控制油内供与外供及内排与外排的转换说明:
1、WEH10型
(1)内供与外供转换:主阀体顶上P孔中有M6螺钉(2)为外供,拆下M6螺钉(2)为内供 Conversion between internal supply and external supply: M6 screws (2) in the P hole on the top of the main valve body are for external supply, and removal of M6 screws (2) is for internal supply
(2)内排与外排转换:卸去螺塞(1),装上M6螺钉(2)为外排,拆下M6螺钉(2)为内排 Internal and external row conversion: remove the screw plug (1), install the M6 screw (2) as the external row, and remove the M6 screw (2) as the internal row
WEH10型供排结构图 WEH10 Type Supply and Drainage Structure Diagram

2、WEH16型
(1)内供与外供转换:拆下端盖,将销(11)的小头朝向主阀内装成外供,将销(11)的小头朝外装成内供 Conversion between internal supply and external supply: remove the end cover, and install the small head of pin (11) toward the main valve to form an external supply, and install the small head of pin (11) toward the outside to form an internal supply
(2)内排与外排转换:将主阀顶上的螺塞(10)拆下,装上M6螺钉(9)成外排,拆下M6螺钉(9)成内排 Internal and external drain conversion: remove the screw plug (10) on the top of the main valve, install M6 screws (9) to form an external drain, and remove M6 screws (9) to form an internal drain
WEH16型供排结构图 WEH16 type supply and drainage structure diagram

3、WEH26型:
(1)内供与外供转换:拆下端盖,装上M6螺钉(6)为外供,拆下M6螺钉为内供 Conversion between internal supply and external supply: remove the end cover, install M6 screws (6) for external supply, and remove M6 screws for internal supply
(2)内排与外排转换:将主阀顶上T孔中的M6螺钉(6)拆下为内排,装上为外排 Conversion between internal discharge and external discharge: remove the M6 screw (6) in the T hole on the top of the main valve to form an internal discharge and install it to form an external discharge
WEH26型供排结构图 WEH26 type supply and drainage structure diagram

4、WEH32型:
(1)内供与外供转换:将主阀顶上P孔中M6螺钉(9)装上成外供,拆下成内供 Conversion between internal supply and external supply: Install the M6 screw (9) in the P hole on the top of the main valve into the external supply and remove the internal supply
(2)内排与外排转换:将主阀顶上T孔中的M6螺钉(9)装上成外排,拆下为内排 Conversion between internal discharge and external discharge: install the M6 screw (9) in the T hole on the top of the main valve to form an external discharge, and remove it to form an internal discharge
注意事项:内供时必须把底板上X口堵住,内排时必须把底板上Y口堵住 Precautions: during internal supply, port X on the base plate must be blocked, while during internal discharge, port Y on the base plate must be blocked
WEH32型供排结构图 WEH32 type supply and drainage structure diagram

换向时间调节器:Reversing time regulator
为了调节主阀的换向速度,在导阀和主阀之间可安装一个叠加式单向节流阀,用它控制从导阀进入到主阀芯两端的供油量,从而改变主阀的换向速度 In order to adjust the reversing speed of the main valve, a superimposed one-way throttle valve can be installed between the pilot valve and the main valve to control the oil supply from the pilot valve to both ends of the main valve core, thus changing the reversing speed of the main valve
调节螺栓顺时针旋转,主阀换向时间长,反之主阀换向时间短 When the adjusting bolt is rotated clockwise, the reversing time of the main valve is long, otherwise, the reversing time of the main valve is short
这个叠加式单向节流阀节流方式有进口节流和出口节流两种。若从进口节流改为出口节流时,只有将阀绕长轴旋转180°后重新装上,再安装上导阀即可 The superposition one-way throttle valve has two throttling modes: inlet throttling and outlet throttling. If the inlet throttle is changed to the outlet throttle, only rotate the valve 180 ° around the long axis and reinstall it, and then install the upper pilot valve
WEH...S或S2型阀装换向时间调节器图 Diagram of WEH... S or S2 valve assembly reversing time regulator

1一主阀 4一导阀 11一换向时间调节器(Z2FS6)15一密封圈挡板 12-出口节流 13-进口节流 14-调节螺栓SW6
16-固定螺栓GB/T70.1-2000-10.9级,带换向时间调节器的M5×80;带定比减压阀的M5×75:
不带换向时间调节器和定比减压阀的M5×50扭矩8.9Nm。
定比减压阀:Constant ratio pressure reducing valve
当控制压力超过25MPa时必须使用定比减压阀,减压比1:0.66 When the control pressure exceeds 25MPa, a constant pressure reducing valve must be used, and the pressure reducing ratio is 1:0.66
在安装底版减压阀后,技术规格上最小的控制压力必须提高110.66=1.515倍 After installing the base pressure reducing valve, the minimum control pressure in the technical specifications must be increased by 110.66=1.515 times
当控制油内排时,同时又用预压阀(P0.45)并且控制压力减小到0.3MPa时,就不能再使用定比减压阀 When the control oil is discharged internally, the pre pressure valve (P0.45) is used at the same time, and the control pressure is reduced to 0.3MPa, the constant ratio pressure reducing valve can no longer be used
WEH.../…S…D1型阀装有定比减压阀结构图 Structural Diagram of WEH.../... S... D1 Valve Equipped with Constant Ratio Pressure Reducing Valve

1-主阀 4-导阀 11-换向时间调节器 17-定比减压阀 18-螺钉M10×105 GB/T70.1-2000-10.9级
1 - main valve 4 - pilot valve 11 - reversing time regulator 17 - constant ratio reducing valve 18 - screw M10 × 105 GB/T70.1-2000-Class 0.9
预控压力阀:Pre control pressure valve
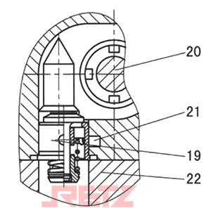
对控制油内供并且有卸荷通路的阀来讲,例如:C、Z、F、G、H、P、S、T、V必须在主阀的P腔中安装一个预压阀(19),以便保证最低的控制压力。预压阀的压力损失曲线见下图,这种带预压阀的电液阀的压力损失曲线应是主阀的压力损失曲线加上预压阀压力损失曲线之和。10通径阀不带预压阀 For valves with internal control oil supply and unloading channel, such as C, Z, F, G, H, P, S, T, V, a preloading valve (19) must be installed in the P chamber of the main valve to ensure the minimum control pressure. The pressure loss curve of the preloading valve is shown in the figure below. The pressure loss curve of this electrohydraulic valve with preloading valve should be the sum of the pressure loss curve of the main valve and the pressure loss curve of the preloading valve. 10 drift valve without preloading valve
WEH...…P0.45型电液换向阀中预压阀结构图 Structural Diagram of Preloading Valve in WEH...... P0.45 Electro hydraulic Directional Valve

19-预压阀 20-主阀P腔 21-控制油腔(x)22-连接板 19 Pre pressure valve 20 Main valve P chamber 21 Control oil chamber (x) 22 Connecting plate
WEH16型电液换向阀的通过预压阀的压力损失曲线(试验条件:使用HLP46,t=40℃±50℃)Pressure loss curve of WEH16 electrohydraulic directional valve through the preloading valve (test condition: HLP46, t=40 ℃± 50 ℃)

WEH25型电液换向阀的通过预压阀的压力损失曲线(试验条件:使用HLP46,t=40°C±50℃)Pressure loss curve of WEH25 electrohydraulic directional valve through the preloading valve (test condition: HLP46, t=40 ° C ± 50 ℃)

WEH32型电液换向阀的通过预压阀的压力损失曲线(试验条件:使用HLP46,t=40°C士50℃)Pressure loss curve through the preloading valve of WEH32 type electro-hydraulic directional valve (test condition: HLP46, t=40 ° C ± 50 ° C)

三位换向阀的详细符号和简化符号 Detailed and simplified symbols for 3-position directional valves

弹簧复位阀(由三位阀派生的二位阀电磁铁在A端或B端)Spring return valve (two position valve electromagnet derived from three position valve is at A end or B end)

液压复位阀(由三位阀派生的二位阀电磁铁在A端或B端)

二位换向阀的详细符号和简化符号 Detailed and simplified symbols for two position directional valves

二位换向阀的详细符号和简化符号 Detailed and simplified symbols for two position directional valves

技术参数 Technical parameter
(一)液压部分
1.WEH10型电液换向阀

2.WEH16型电液换向阀

*换向时间指从导阀电磁铁吸合一主阀全部打开的时间 Reversing time refers to the time when one main valve is pulled in from the pilot valve electromagnet and fully opened
3、WEH25型电液换向阀

4、WEH32型电液换向阀

电器部分 Electrical part

性能曲线:Performance curve
4WEH 10..型(在使用HLP46,t=40℃士5℃时测得)


4WEH 16..型(在使用HLP46,t=40℃士5℃时测得)


4WEH 25..型(在使用HLP46,t=40℃士5℃时测得)


4WEH 32..型(在使用HLP46,t=40℃士5℃时测得)





在线客服