RETZ进口品质 WE6电磁换向阀
简要描述:RETZ (WE6)进口电磁换向阀是电磁铁操作的换向滑阀,用以控制油液的开启、停止和流动方向。这种方向控制阀主要包括阀体, 一个或两个电磁铁,控制阀芯,和一个或两个复位弹簧
品牌:RETZ美国瑞茨
工况条件:换向
温度/压力:P-T: 350bar@60℃
更新时间:2022/12/15
WE6电磁换向阀 技术参数 Technical paramete
通径(NG)6, 压力至35MPa ,流量至80L/min Diameter (NG) 6, pressure to 35MPa, flow to 80L/min
(WE6)进口电磁换向阀 特性 characteristic
直动式电磁铁操作方向滑阀作为标准类型 Direct acting solenoid operated directional slide valve as standard
安装面按DIN24 340 A型 ISO 4401和CETOP-RP 121H The mounting surface shall comply with DIN24 340 Type A ISO 4401 and CETOP-RP 121H
湿式直流或附可拆卸线圈的交流电磁铁 Wet DC or AC electromagnet with detachable coil
电磁铁可旋转90度 The electromagnet can rotate 90 degrees
可不放油液更换线圈 The coil can be replaced without draining the oil
可选的手动应急操作 Optional manual emergency operation
可选的插针式防水插头 Optional pin type waterproof plug
可选的宽电压型 Optional wide voltage type
功能说明 Function description

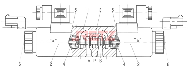
WE型方向控制阀是电磁铁操作的换向滑阀,用以控制油液的开启、停止和流动方向。这种方向控制阀主要包括阀体(1) 一个或两个电磁铁(2)控制阀芯(3)和一个或两个复位弹簧(4)retz品牌WE directional control valve is a reversing slide valve operated by electromagnet to control the opening, stopping and flow direction of oil. The directional control valve mainly comprises a valve body (1), one or two electromagnets (2), a control valve core (3) and one or two return springs (4)
在未通电的状态下,控制阀芯(3)由复位弹簧(4)保持在中间或初始位置(脉冲阀除外)控制阀芯(3)由湿式电磁铁(2)操作。When not energized, the control valve core (3) is held in the middle or initial position by the return spring (4) (except for the pulse valve). The control valve core (3) is operated by the wet electromagnet (2)
为了保证获得满意的操作,务必使电磁铁的压力腔充满油液 To ensure satisfactory operation, be sure to fill the pressure chamber of the electromagnet with oil
电磁铁(2)的力经过推杆(5)作用在控制阀芯(3)上、将其由静止推向所需位置,这就使油液从P至A、B至丁或P至B、A车T自由流动 The force of the electromagnet (2) acts on the control valve core (3) through the push rod (5), pushing it from static to the desired position, which makes the oil flow freely from P to A, B to D, or P to B, and A to T
当电磁铁(2)断电时控制阀芯(3)被复位弹簧(4)推向初始位置 When the electromagnet (2) is powered off, the control valve element (3) is pushed to the initial position by the return spring (4)
可选的手动应急操作(6)在电磁铁不通电的情况下可控制阀芯(3)运动 The optional manual emergency operation (6) can control the movement of the valve element (3) when the electromagnet is not energized
型号4WE6...6X/0…(仅限于机能A.C.D),这一型号带包括2个切换位置和2个不带定位机构电磁铁的方向控制阀 Model 4WE6... 6X/0... (only for A.C.D function), this model includes two switching positions and two directional control valves without positioning mechanism electromagnets
型号4WE6..6X/OF...脉冲阀(仅限于机能A.C.D),这是包括带2个切换位置2个电磁铁和1个定位机构的方向控制阀。两个切换位置分别固定,因此没有必要使电磁铁一直通电,插装节流塞 Model 4WE6.. 6X/OF... pulse valve (function A.C.D only), this is a directional control valve with 2 switching positions, 2 electromagnets and 1 positioning mechanism. The two switching positions are fixed separately, so it is unnecessary to keep the electromagnet energized and insert the throttle plug
型号4WE6...6X/.../B...由于切换过程中的特殊工作状态 可出现大于阀性能曲线允许的流量。在这种情况下,有必要安装插装节流塞 Model
4WE6... 6X/.../B... Due to the special working state during the switching process, the flow rate allowed by the valve performance curve can be exceeded. In this case, it is necessary to install the plug
节流塞安装在方向控制阀的P口上,对于电压波动范围较大的使用场合,可选用宽电压型。如防护等级要求较高,可选用插针式防水插头 The throttle plug is installed on port P of the directional control valve. For the application occasions with large voltage fluctuation range, the wide voltage type can be selected. If the protection level is required to be high, pin type waterproof plug can be selected
机能符号 Functional symbol

技术参数 Technical parameter

电器数据 Electrical data

性能曲线(在使用HLP46,t=40℃±5℃时测得)Performance curve (measured when HLP46 is used, t=40 ℃± 5 ℃)

切换性能极限(在使用HLP46,t=40℃±5℃时测得)Switching performance limit (measured when HLP46 is used, t=40 ℃± 5 ℃)
所给的工作极限仅用于两个方向流动的情况(如同时有B至T回流的P至A流向)The given operating limit is only applicable to the flow in two directions (such as the flow direction from P to A with backflow from B to T)
在单向流动时(如从P至A B口被堵塞),由于阀内的流动力量 ,允许的切换极限可能降低 In case of one-way flow (for example, the port from P to A B is blocked), the allowable switching limit may be reduced due to the flow force in the valve
功率极限是在电磁铁处于工作温度, 电压低于标准电压15%,且T口没有背压的情况下测得 The power limit is measured when the electromagnet is at operating temperature, the voltage is 15% lower than the standard voltage, and there is no back pressure at port T






在线客服