RETZ进口品质 RFL回油管路过滤器
简要描述:RETZ (RFL)进口回油管路过滤器安装在液压系统回油管路处,用来清除油液中诸元件磨损的金属粉末及橡胶质
品牌:RETZ美国瑞茨
工况条件:回油管路过滤
温度/压力:P-T: 16bar@80℃
更新时间:2022/12/19
(RFL)进口回油管路过滤器 性能特点 Performance characteristics
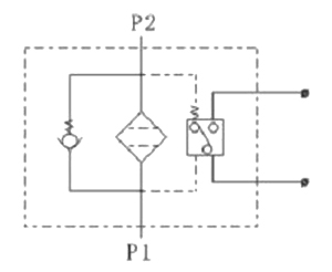
RFL回油管路过滤器安装在液压系统回油管路处,用来清除油液中诸元件磨损的金属粉末及橡胶质等,使流回油箱中的油液保持清洁该过滤器的滤芯采用化纤过滤材质,具有过滤精度高,通油能力大,初始压力损失小,纳污量大等优点,并装有压差发讯器及旁通阀.当滤芯堵塞到进出油口压差为0.35MPa时,便发出开关信号,此时应更换滤芯;如果不能马上停机或无人来更换滤芯,装在滤芯上部的旁通阀会自动开启,以保护系统 retz The RFL oil return pipeline filter is installed at the oil return pipeline of the hydraulic system to remove the worn metal powder and rubber of various components in the oil, so as to keep the oil flowing back to the oil tank clean. The filter element of the filter is made of chemical fiber filter material, which has the advantages of high filtering accuracy, large oil passing capacity, small initial pressure loss, large dirt holding capacity, etc., and is equipped with a differential pressure transmitter and bypass valve. When the filter element is blocked to the inlet and outlet, the differential pressure is 0.35MPa, The switch signal is sent out, and the filter element should be replaced at this time; If the filter element cannot be stopped immediately or replaced by nobody, the bypass valve installed on the upper part of the filter element will open automatically to protect the system
(RLF)进口回油管路过滤器 技术参数 Technical paramete
型号 | 公称流量(L/min) | 过滤精度(µm) | 通径(mm) | 公称压力(MPa) | 压力损失loss(MPa) | 旁通阀开启压力(Mpa) | 发讯装置功率 | 重量(kg) | |
Initial | Max. | ||||||||
RFL-60x*P | 60 | 1 3 5 10 20 30 | 25 | 1.6 | 0.2 | 0.35 | 0.4 | 24V/48W 220V/50W | 3.7 |
RFL-110x*P | 110 | 4.2 | |||||||
RFL-160x*P | 160 | 40 | 6.8 | ||||||
RFL-240x*P | 240 | 7.5 | |||||||
RFL-330x*P | 330 | 50 | 10.2 | ||||||
RFL-500x*P | 500 | 11.3 | |||||||
RFL-660x*P | 660 | 80 | 24.4 | ||||||
RFL-850x*P | 850 | 26 | |||||||
RFL-950x*P | 950 | 100 | 34.1 | ||||||
RFL-1300x*P | 1300 | 38.8 | |||||||
注:*为管路过滤器的过滤精度。若使用介质为水一乙二醇,使用压力1.6MPa、公称流量60L/min、过滤精度10μm、带发讯器。则过滤器型号为RFL ·BH-H60x10p,滤芯型号为SFX· BH-60x10 Note: * refers to the filtering accuracy of pipeline filter. If the medium is water glycol, the pressure is 1.6MPa, the nominal flow is 60L/min, and the filtering accuracy is 10 μ m. With transmitter. Then the filter model is RLF · BH-H60x10p, and the filter element model is SFX · BH-60x10
压差流量曲线 Differential pressure flow curve
滤芯SFX-*x*(由试验测得数据)曲线油液粘度 Filter element SFX - * x * (data measured by test) curve Oil viscosity
过滤精度Filtation 5μm 流量Flow(l/min)

过滤精度Filtation 10μm 流量Flow(l/min)

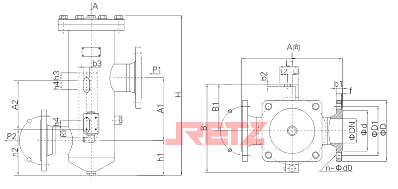
外型尺寸 Overall dimensions

RFL
型号 | 尺寸(mm) | ||||||||||||||||||||||
DN | D | D1 | d | n | d0 | f | b1 | h1 | A1 | L | B | B1 | L1 | L2 | L3 | b2 | b3 | h2 | h3 | h4 | A2 | H | |
25 | 92 | 68 | 50 | 4 | 11 | 2 | 14 | 60 | 98 | 200 | 149 | 68 | 36 | 14 | 2 | 4 | 11 | 65 | 16 | 20 | 90 | 222 | |
RFL-110x*P | 289 | ||||||||||||||||||||||
RFL-160x*P | 40 | 120 | 92 | 72 | 13.5 | 76 | 125 | 240 | 203 | 110 | 50 | 20 | 20 | 6 | 14 | 75 | 20 | 30 | 120 | 293 | |||
RFL-240x*P | 352 | ||||||||||||||||||||||
RFL-330x*P | 50 | 140 | 110 | 90 | 90 | 145 | 280 | 237 | 124 | 15 | 90 | 368 | |||||||||||
RFL-500x*P | 449 | ||||||||||||||||||||||
RFL-660x*P | 80 | 200 | 160 | 133 | 8 | 17.5 | 3 | 20 | 15 | 205 | 330 | 279 | 155 | 55 | 20 | 18 | 150 | 25 | 160 | 548 | |||
RFL-850x*P | 630 | ||||||||||||||||||||||
RFL-950x*P | 100 | 220 | 180 | 158 | 132 | 225 | 360 | 314 | 170 | 80 | 35 | 22 | 130 | 30 | 40 | 300 | 609 | ||||||
RLF-1300x*P | 728 | ||||||||||||||||||||||
注:若两进出油口法兰在同侧则型号为:RLFA-60x*P Note: if the two inlet and outlet flanges are on the same side, the model is RFLA-60x * P
安装示意图 MOUNTING GUIDE




在线客服