RETZ进口品质 双筒管路回油过滤器
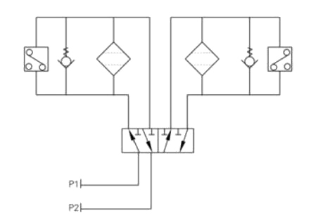
简要描述:RETZ (SRLF)进口双筒管路回油过滤器是由两只单筒过滤器及二位六通换向阀组成,结构简单,使用方便,并带有旁通阀及滤污染堵塞发讯器,以达到保证系统安全的目的
品牌:RETZ美国瑞茨
工况条件: 回油换向过滤
温度/压力:P-T: 25bar@80℃
更新时间:2022/12/22
性能特点 Performance characteristics
在工作过程中,单筒过滤器滤芯堵塞到一定程度需清洗或更换滤芯时,要停止主机工作来更换滤芯,这样不仅浪费时间更不能满足主机连续工作需要,双筒过滤器有效地解决了单筒过滤器这方面的缺陷,回油过滤器在不停机的情况下可清洗或更换滤芯来保证主机正常连续工作.它的工作特点是当一只过滤器滤芯堵塞而需更换时,不必停止主机工作,只要打开压力平衡阀并转动换向阀,另一只过滤器即可参加工作,然后更换已堵塞的滤芯 In the working process, when the single cartridge filter element is blocked to a certain extent and needs to be cleaned or replaced, the host machine should be stopped to replace the filter element, which not only wastes time but also cannot meet the continuous working needs of the host machine. The dual cartridge filter effectively solves the defects of the single cartridge filter, The filter element of the return oil filter can be cleaned or replaced without stopping the machine to ensure the normal and continuous operation of the main engine. Its working feature is that when the filter element of one filter is blocked and needs to be replaced, it is not necessary to stop the main engine. As long as the pressure balance valve is opened and the reversing valve is rotated, the other filter can take part in the operation, and then replace the blocked filter element
技术参数 TECHNICAL DATA
性能特点 Performance characteristics
在工作过程中,单筒过滤器滤芯堵塞到一定程度需清洗或更换滤芯时,要停止主机工作来更换滤芯,这样不仅浪费时间更不能满足主机连续工作需要,双筒过滤器有效地解决了单筒过滤器这方面的缺陷,回油过滤器在不停机的情况下可清洗或更换滤芯来保证主机正常连续工作.它的工作特点是当一只过滤器滤芯堵塞而需更换时,不必停止主机工作,只要打开压力平衡阀并转动换向阀,另一只过滤器即可参加工作,然后更换已堵塞的滤芯 In the working process, when the single cartridge filter element is blocked to a certain extent and needs to be cleaned or replaced, the host machine should be stopped to replace the filter element, which not only wastes time but also cannot meet the continuous working needs of the host machine. The dual cartridge filter effectively solves the defects of the single cartridge filter, The filter element of the return oil filter can be cleaned or replaced without stopping the machine to ensure the normal and continuous operation of the main engine. Its working feature is that when the filter element of one filter is blocked and needs to be replaced, it is not necessary to stop the main engine. As long as the pressure balance valve is opened and the reversing valve is rotated, the other filter can take part in the operation, and then replace the blocked filter element
技术参数 TECHNICAL DATA
注:*为过滤精度,若使用介质为水一乙二醇,带发讯器,则过滤器型号为:SRLF·BH-110x*P,滤芯型号为SFX·BH-110x* Note: * is the filtering precision. If the medium used is water glycol with transmitter, the filter model is SRLF · BH-110x * P, and the filter element model is SFX · BH-110x*
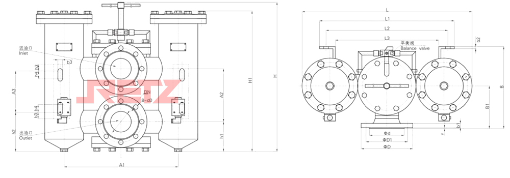
安装尺寸 MOUNTING SIZE
注:SRLF-60x*P及SRLF-110*P无平衡阀,H为扳手到底部高度。
Note:SRLF-60x*PandSRLF-100x*Phavenotbalancevalve,H is the height between the spanner and the base.
安装示意图 MOUNTING GUIDE
型号 | 公称流量(I/min) | 过滤精度(µm) | 通径(mm) | 公称压力(MPa) | 压力损失(MPa) | 发讯装置功率 | 重量(kg) | 滤芯型号 | |
Initial | Max. | ||||||||
SRLF-60x*P | 60 | 1 3 5 10 20 30 | 25 | 1.6 | ≤0.08 | 0.35 | 24V/48W 220V/50W | 13.2 | SFX-60x* |
SRLF-110x*P | 110 | 25 | 13.7 | SFX-110x* | |||||
SRLF-160x*P | 160 | 40 | 29.5 | SFX-160x* | |||||
SRLF-240x*P | 240 | 40 | 32 | SFX-240x* | |||||
SRLF-330x*P | 330 | 50 | 52.5 | SFX-330x* | |||||
SRLF-500x*P | 500 | 50 | 28.5 | SFX-500x* | |||||
SRLF-660x*P | 660 | 80 | 77.0 | SFX-660x* | |||||
SRLF-850x*P | 850 | 80 | 81.0 | SFX-850x* | |||||
SRLF-950x*P | 950 | 100 | 112 | SFX-950x* | |||||
SRLF-1300x*P | 1300 | 100 | 121 | SFX-1300x* | |||||
注:*为过滤精度,若使用介质为水一乙二醇,带发讯器,则过滤器型号为:SRLF·BH-110x*P,滤芯型号为SFX·BH-110x* Note: * is the filtering precision. If the medium used is water glycol with transmitter, the filter model is SRLF · BH-110x * P, and the filter element model is SFX · BH-110x*
安装尺寸 MOUNTING SIZE


注:SRLF-60x*P及SRLF-110*P无平衡阀,H为扳手到底部高度。
Note:SRLF-60x*PandSRLF-100x*Phavenotbalancevalve,H is the height between the spanner and the base.


安装示意图 MOUNTING GUIDE




在线客服