RETZ进口品质 RF回油过滤器
简要描述:RETZ (RF)进口回油过滤器用于液压系统回油精过滤,滤除液压系统中元件磨损产生的金属颗粒以及密封件的橡胶杂质等污染物,使流回油箱的油保持清洁
品牌:RETZ美国瑞茨
工况条件:回油过滤
温度/压力:P-T: 25bar@100℃
更新时间:2022/12/22
(RF)进口直回式回油过滤器由上端盖和筒体组成, 通常安装在油箱顶部或油路安装, 液压系统中回油的精过滤 (RF) inlet direct return oil
filter is composed of upper end cover and cylinder, which is usually installed on the top of oil tank or oil circuit. It is used for fine filtration of return oil in hydraulic system
性能特点 Performance characteristics
---流量至15000 l/min Flow to 15000 l/min
---压力等级至25bar Pressure rating up to 25bar
---温度范围:-10℃...+100 Temperature range: -10℃...+100
---旁通阀开启压力:△Po=3bar+0.5bar Opening pressure of bypass valve: △ Po=3bar+0.5bar
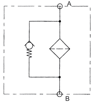
液压符号

结构:回油过滤器由上端盖和筒体组成,上端盖设有污染。发讯器接口 Structure: the oil return filter is composed of an upper end cover and a cylinder, and the upper end cover is provided with pollution. Transmitter interface
安装:油箱顶部安装或管路安装 Installation: tank top installation or pipeline installation
流向:入口-侧面、出口-垂直向下 Flow direction: inlet side, outlet vertical downward
滤芯:滤芯最大允许压差 Filter element: maximum allowable differential pressure of filter element
玻璃纤维BN3HC:25bar
纸质P/HC:10bar
不锈钢金属网W/HC:30bar
不锈钢金属纤维V:30bar
BN/AM:10bar
吸水玻璃纤维AM:10bar
过滤精度μm: BN3HC,V-3.5,10,20 BN/AM-3.10 P/HC:10,20 W/HC-25,50,100,200 AM-40
介质的相容性:适用于矿物油、润滑油、抗燃油及可迅速分解的生物油 Medium compatibility: applicable to mineral oil, lubricating oil, fire-resistant oil and rapidly decomposable bio oil
污染发讯器形式--
1. 污染发讯器接口带塑料螺塞
2. 污染发讯器接口带钢制螺塞
3. 目视发讯器
4. 电气发讯器
5. 目视/电气发讯器
技术参数 Technical parameter

壳体压降流量特性曲线,按ISO3968 Pressure drop flow characteristic curve of shell, according to ISO3968
壳体特性曲线适用于密度为0.86kg/dm³且运动粘度为30mm²/s的矿物油 The shell characteristic curve is applicable to the density of 0.86kg/dm ³ And the kinematic viscosity is 30mm ²/ Mineral oil of s
湍流时压降与密度成比例。层流时压降与密度和粘度成比例 In turbulence, the pressure drop is proportional to the density. Pressure drop is proportional to density and viscosity in laminar flow




滤芯压降流量特性曲线 Filter element pressure drop flow characteristic curve
滤芯特性曲线适用于运动粘度为30mm²/s的矿物油 Characteristic curve of filter element is applicable to kinematic viscosity of 30mm ²/ Mineral oil of s
压降与粘度成比例变化 Pressure drop changes proportionally to viscosity










在线客服