RETZ进口品质 LFM油管路过滤器
简要描述:RETZ(LFM)进口油管路过滤器低压管路过滤器主要用于液压系统中介质的吸油过滤器,过滤系统中的杂志颗粒,减少系统元件磨损,延长系统设备使用寿命
品牌:RETZ美国瑞茨
工况条件:油管路过滤
温度/压力:P-T: 63bar@100℃
更新时间:2022/12/22
(LFM)进口油管路过滤器 性能特点 Performance characteristics
---流量至120 l/min Flow to 120 l/min
---压力等级至63bar Pressure rating up to 63bar
---材料:铝/碳钢 Material: aluminum/carbon steel
---温度范围:-30℃...+100 Temperature range: -30℃...+100
---旁通阀开启压力:△Po=3.5bar+20% Opening pressure of bypass valve: △ Po=3.5bar+20%
---污染发讯器的设定压力:△Pa=2bar-0.2bar Set pressure of pollution transmitter: △ Pa=2bar-0.2bar
---安装:管路过滤器 Line filter
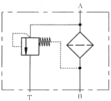
液压符号 Hydraulic symbols

结构:(LFM)进口油管路过滤器由内置压差溢流阀的过滤器头部和旋入式筒体组成 (LFM) inlet oil pipeline filter consists of filter head with built-in differential pressure relief valve and screw in cylinder
功能:进出口的压差控制溢流阀的开启。当通过滤芯的压差升高,例如油粘度变高(冷启动时)或更换滤芯错误,溢流阀开启,一部分流量通过滤器的第三油口回油箱,剩余的流量通过滤器维持系统运行,直至因性能下降而被操作者发现 Function: the differential pressure at the inlet and outlet controls the opening of the relief valve. When the differential pressure through the filter element increases, such as the oil viscosity becomes higher (during cold start) or the filter element is replaced incorrectly, the overflow valve opens, and part of the flow returns to the oil tank through the third oil port of the filter, and the remaining flow maintains the system operation through the filter until it is discovered by the operator due to the performance degradation.
规格 Specifications

过滤精度μm: BN3HC,V-3,5,10,20
介质的相容性:适用于矿物油、润滑油、抗燃油及可迅速分解的生物油 Medium compatibility: applicable to mineral oil, lubricating oil, fire-resistant oil and rapidly decomposable bio oil
污染发讯器形式--
W 无发讯器接口 No transmitter interface
A 无污染发讯器,带螺塞 Pollution free transmitter with screw plug
B 带目视污染指示器 With visual pollution indicator
C 带电气污染发讯器 With electric pollution transmitter
D 带目视/电气污染发讯器 With visual/electrical pollution transmitter
技术参数 Technical parameter

壳体压降流量特性曲线,按ISO3968 Pressure drop flow characteristic curve of shell, according to ISO3968
壳体特性曲线适用于密度为0.86kg/dm³且运动粘度为30mm²/s的矿物油。这种情况下,压降与密度成比例变化 The shell characteristic curve is applicable to the density of 0.86kg/dm ³ And the kinematic viscosity is 30mm ²/ S mineral oil. In this case, the pressure drop varies in proportion to the density.

滤芯压降流量特性曲线 Filter element pressure drop flow characteristic curve
滤芯特性曲线适用于运动粘度为30mm2/s的矿物油 Characteristic curve of filter element is applicable to kinematic viscosity of 30mm 2/ Mineral oil of s
压降与粘度成比例变化 Pressure drop changes proportionally to viscosity


溢流阀特性曲线 Characteristic curve of relief valve
适用于密度为0.86kg/dm³的矿物油。阀的压降和油的密度成比例变化 Suitable for density 0.86kg/dm ³ Mineral oil. The pressure drop of the valve varies in proportion to the density of the oil




在线客服