RETZ进口品质 APT-14S冷凝水回收泵组
简要描述:RETZ (APT-14S)进口冷凝水回收泵组是一种结构紧凑、安装方便的冷凝水排放系统。能在所有工况下从蒸汽换热器和过程控制设备中有效排除冷凝水,从面使之成为冷凝水排放系统中不可或缺的组成部分
品牌:RETZ美国瑞茨
工况条件:疏水
温度/压力:P-T: 16bar@200℃
更新时间:2023/01/05
(APT-14S)进口冷凝水回收泵组 有效的冷凝水排放是保证设备高效工作的关键 Effective condensate discharge is the key to ensure efficient operation of equipment
1.冷凝水的回收 Condensate recovery
大部分的冷凝水回收是通过疏水阀进行的,也即通过疏水阀前后的压差将冷凝水排放回锅炉房。如果冷凝水回水系统具有较高的背压或将冷凝水提升到一定的高度,疏水阀将无法工作,冷凝水会倒流回蒸汽系统内 Most of the condensate is recycled through the drain valve, that is, the condensate is discharged back to the boiler room through the differential pressure before and after the drain valve. If the condensate return system has a high back pressure or the condensate is raised to a certain height, the trap will not work and the condensate will flow back to the steam system.
2.冷凝水的排放 Condensate discharge
当疏水阀无法工作时,需要附加的动力源从过程设备中排除冷凝水。冷凝水的有效排除,可确保稳定的工作条件,提高设备的工作效率,延长设备的使用寿命 When the steam trap cannot work, additional power source is required to drain condensate from the process equipment. The effective removal of condensate can ensure stable working conditions, improve the working efficiency of the equipment and extend the service life of the equipment
技术范围 Technical scope
泵体设计压力:PN16 Design pressure of pump body: PN16
进/出口接口:法兰,进口 DN50,出口 DN40 Inlet/outlet interface: flange, inlet DN50, outlet DN40
内置的不锈钢泵机构:从泵基座的最小安装高度为 0.2m Built in stainless steel pump mechanism: the minimum installation height from the pump base is 0.2m
内置的不锈钢疏水结构:浮球操作的高排量疏水阀机构 Built in stainless steel drain structure: float operated high displacement drain valve mechanism
最大操作压力:13.8 barg ,最大背压:5 barg Maximum operating pressure: 13.8 barg, maximum back pressure: 5 barg
最大操作温度:198℃ Maximum operating temperature: 198 ℃
泵排量:Max 3000 kg/h—12 Barg
疏水排量:Max 6000 kg/h—12 Barg
主要零件材质 Material of main parts
泵体:球墨铸铁 Pump body: nodular cast iron
阀芯:硬质不锈钢 Valve element: hard stainless steel
阀座:硬质不锈钢 Valve seat: hard stainless steel
浮球:不锈钢 Float ball: stainless steel
弹簧:Inconelx-750 合金 Spring: Inconelx-750 alloy
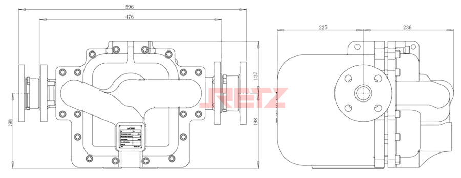
自动疏水阀泵外形尺寸


特征
• 结构紧凑,泵体采用球墨铸铁一次铸造成型,韧性好,耐腐蚀 Compact structure, the pump body is made of ductile iron by one-time casting, with good toughness and corrosion resistance
• 从自动疏水阀泵的基座只需 0.2m 的安装高度就能操作 Only 0.2m installation height is required to operate from the base of automatic drain valve pump
• 容易安装至低位置的过程设备 Process equipment easy to install in low position
• 在所有的情况下都能排放冷凝水,甚至是真空工况
• 无需电力,无任何旋转部件,不会产生汽蚀损坏 ,几乎不消耗能源 - 适用于危险区域 No power, no rotating parts, no cavitation damage, almost no energy consumption - suitable for hazardous areas
• 排量高
• 弹簧组件采用耐高温合金不锈钢 X-750,耐高温, 耐疲劳 The spring assembly is made of heat-resistant alloy stainless steel X-750, which is heat-resistant and fatigue resistant
• 高强度整体执行机构组件设计,不易变形,可承受 更高的动力蒸汽压力和温度 High strength integral actuator component design, not easy to deform, can withstand higher power steam pressure and temperature
工作循环 Duty cycle
1.自动疏水阀泵是根据正压排放原理工作。冷凝水通过进口挡板式止回阀进入泵体内,浮球升起。浮球通过多连接轴销连接至疏水阀机构
The automatic drain valve pump works according to the principle of positive pressure discharge. Condensate enters the pump body through the inlet baffle check valve, and the float rises. The float ball is connected to the drain valve mechanism through multiple connecting pins
如果上游蒸汽压力 PS 足够高能克服背压 PB(见下图),则两级疏水阀机构将工作并排出冷凝水。浮球根据进入 APT14 内的冷凝水量自动调节,控制疏水阀的开度 If the upstream steam pressure PS is high enough to overcome the back pressure PB (see the figure below), the two-stage trap mechanism will work and discharge condensate. Float ball is automatically adjusted according to the amount of condensed water entering APT14 to control the opening of drain valve.
2.对一些温度控制设备,有可能出现系统的蒸汽压力 PS 低于背压 PB 的情况。此时标准的疏水阀将无法工作,冷凝水将会积聚在设备内 For some temperature control equipment, the steam pressure PS of the system may be lower than the back pressure PB. At this time, the standard steam trap will not work, and condensate will accumulate in the equipment

3.但是,对于 APT,冷凝水只是注满泵体 - 使浮球继续升起,直至触发转换连杆打开动力蒸汽进口阀,同时关闭废气排放阀 However, for APT, the condensate is only used to fill the pump body - so that the float continues to rise until the changeover linkage is triggered to open the power steam inlet valve and close the exhaust valve

4.快速动作的机构确保从疏水阀模式至动力泵排放模式的快速转换。动力蒸汽阀打开,APT 内部的压力将超过背压,冷凝水会通过疏水阀
的阀座排出至冷凝水系统 The quick action mechanism ensures the quick conversion from the drain valve mode to the power pump discharge mode. When the power steam valve is opened, the pressure inside APT will exceed the back pressure, and the condensate will be discharged to the condensate system through the valve seat of the steam trap
5.当冷凝水位下降时,浮球使转换连杆重新动作,使动力蒸汽进口阀关闭,废气排放阀打开 When the condensate water level drops, the float ball will make the changeover connecting rod act again, so that the power steam inlet valve is closed and the exhaust valve is opened

6.通过废气阀,当 APT 内部的压力和冷凝水进口的压力相等时,冷凝水再次通过进口挡板式止回阀进入阀体内。同时,出口球形止回阀确
保没有冷凝水回入阀体内,这样疏水循环或泵工作循环再次开始 Through the exhaust valve, when the pressure inside APT is equal to the pressure at the condensate inlet, the condensate enters the valve body again through the inlet flapper check valve. At the same time, the outlet ball check valve ensures that no condensate returns to the valve body, so that the drainage cycle or pump working cycle starts again
外形尺寸图 Outline dimension drawing
APT-14S1冷凝水回收泵组


APT-14S2冷凝水回收泵组


APT-14S3冷凝水回收泵组





在线客服