RETZ进口品质 电动螺纹陶瓷球阀
简要描述:RETZ(内螺纹)进口电动不锈钢陶瓷球阀已使用在以下介质流体领域:空气、臭氧、油、海水、盐水、泳池水(工业电镀印刷)废水、污水、漂白水、双氧水、工业洗衣液、消毒液次氯酸钠、乙醇、碳酸氯钠、氯氧化钠、盐酸、硫酸、硝酸、磷酸等介质
品牌:RETZ美国瑞茨
工况条件:开/关/调节
温度/压力:P-T: 16bar@200℃
更新时间:2023/02/03
基本参数 Basic parameters
规格尺寸Specification and size:G1/2~2"
阀体材质Body material:316L不锈钢(耐酸碱),316L stainless steel (acid and alkali resistant)
结构Structure:缩径,浮动球直通(硬密封球阀)Reduced bore, floating ball straight-through (hard seal ball valve)
工作温度Working temperature:0-120°C,选择(三元乙丙橡胶:EPDM),0-200°C,选择(氟橡胶密封:FKM)
阀杆材料Stem material:默认316L,可选(哈式合金钢或哈式)
陶瓷球芯,耐磨、耐腐蚀、密封性优良、使用寿命长(10万次以上)Ceramic ball core, wear-resistant, corrosion resistant, excellent sealing performance, long service life (more than 100000 times)
输入电压:直流DC6V/12V/24V,交流AC220V Input voltage: DC 6V/12V/24V, AC 220V
全开→全闭时间:12.5秒和3秒(DN25及以下),7.5秒(DN25以上)“断电复位”功能;带开关位置反馈功能 Full open → full close time: 12.5 seconds and 3 seconds (DN25 and below), 7.5 seconds (DN25 and above) "power off reset" function; With switch position feedback function
功能:二线、三线电源控制 Function: two-wire and three-wire power control
适用流体:水、空气、油类、酸碱腐蚀性介质和化工低粘度流体。(防水IP等级:IP65)Applicable fluid: water, air, oil, acid-base corrosive medium and chemical low-viscosity fluid. (Waterproof IP grade: IP65)

产品结构 Product mix
① 直流/交流减速电机(DC6-24V/AC220V)
② 316L阀杆(根据不同酸碱可选哈式合金钢B或C)
③ 不锈钢316阀体
④ 陶瓷球芯(刚玉陶瓷氧化铝)
⑤ PPS耐腐蚀密封片
⑥ 瓷密封片
⑦ 开关指示灯
性能特点 Performance characteristics

1.密封性能:球芯和阀座配对研磨,贴合度极高,密封优良。因球阀开关时有刮板作用,不易发生卡阻泄漏现象.
Sealing performance: the ball core and valve seat are lapped in pairs, with high fit and excellent sealing. Because the ball valve has the function of scraper when it is opened and closed, it is not easy to get stuck and leak
2.耐磨性能,耐腐蚀性能:球芯和阀座均采用高硬度、高性能的氧化铝陶瓷,耐磨性和耐腐蚀性特佳,球芯和阀座不容易因磨损和腐蚀导至密封失效,密封寿命长达10万次以上
Wear resistance and corrosion resistance: the ball core and valve seat are made of high hardness and high performance alumina ceramics, with excellent wear resistance and corrosion resistance. The ball core and valve seat are not easy to lead to seal failure due to wear and corrosion, and the seal life is more than 100000 times
3.启闭扭矩:1、球芯和阀座配对研磨,贴合度极高,需很小作用力就可以达到密封要求;2、球芯和密封座结构及减背压技术. 上述两点直接的结果是球阀的启闭扭矩远远小于传统球阀,仅为传统球阀的1/4.
1. The ball core and valve seat are lapped in pairs, and the fit degree is very high, and the sealing requirements can be met with a small force; 2. Ball core and seal seat structure and back pressure reduction technology The direct result of the above two points is that the opening and closing torque of the ball valve is far less than that of the traditional ball valve, which is only 1/4 of that of the traditional ball valve
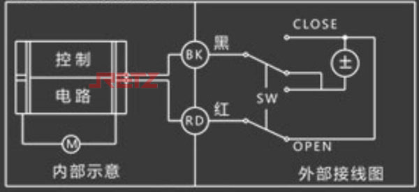
功能模式与配线图说明 Description of function mode and wiring diagram
1.普通二线模式(默认款)说明:过转换开关或中间继电器改变电流方向控制电机来驱动球阀的开和关,控制线为两芯线。(颠倒正负极,或称正反转)Description of common two-wire mode (default): change the current direction through the transfer switch or intermediate relay to control the motor to drive the opening and closing of the ball valve. The control wire is two-core wire. (Reverse the positive and negative poles, or positive and negative)

SW与OPEN短接,电动球阀打开,到位后并保持 Short circuit between SW and OPEN, open the electric ball valve, and keep it in place
SW与CLOSE短接,电动球阀关闭,到位后并保持 SW and CLOSE are short-circuited, and the electric ball valve is closed and maintained in place
适用于DC6V、DC12V、DC24V球阀。SW为双联开关 Applicable to DC6V, DC12V and DC24V ball valves. SW is a duplex switch
2.断电复位·二线模式 (仅DN20-DN25)说明:功能相当于电磁阀,常开或常闭,二线断电自动复位,启闭到位电机即断电。(常闭型:通电开,断电关;常开型:通电关,断电开),因为是电容充电,所以建议先充电15分钟以上再使用 Power off reset · two-wire mode (only DN20-DN25) description: the function is equivalent to the solenoid valve, normally open or normally closed. The two-wire power off automatically resets, and the motor is powered off when it is opened or closed in place. (Normally closed type: power-on and power-off; normally open type: power-on and power-off), since it is capacitor charging, it is recommended to charge for more than 15 minutes before use

SW闭合,电动球阀打开,到位后并保持 SW is closed, electric ball valve is opened, and it is kept in place
SW断开,电动球阀关闭,到位后并保持 SW is disconnected, the electric ball valve is closed, and it remains in place
适用于DC9~24V球阀 Applicable to DC9~24V ball valve
3.断电复位·三线模式(仅DN20-DN25)说明:三线二控断电自动关闭,正常控制相同于普通三线控制,断电状态下,球阀实现自动关闭。(改变内部接线方式,也可实现断电打开)可靠性更高 Power off reset · three-wire mode (only DN20-DN25) description: three-wire two-control power off automatically closes, the normal control is the same as the ordinary three-wire control, in the power off state, the ball valve automatically closes. (Changing the internal wiring mode can also realize power-off and opening) with higher reliability

SW与红线相连,电动球阀打开,到位后并保持 SW is connected to the red line, and the electric ball valve is opened and kept in place
SW与绿线相连,电动球阀关闭,到位后并保持 SW is connected to the green line, the electric ball valve is closed, and it is kept in place
适用于DC12V~DC24V球阀 Applicable to DC12V~DC24V ball valve
4.普通三线模式 说明:电源控制线为三芯线,其中一芯线与公共线通时为一种流道状态,另一芯线与公共线通时为另一种流道状态 Description of common three-wire mode: the power control line is three-core wire, one of which is in one channel state when one core wire is connected with the common wire, and the other is in another channel state when the other core wire is connected with the common wire

SW与红线相连,电动球阀打开,到位后并保持 SW is connected to the red line, and the electric ball valve is opened and kept in place
SW与绿线相连,电动球阀关闭,到位后并保持 SW is connected to the green line, the electric ball valve is closed, and it is kept in place
适用于DC6V、DC12V、DC24V球阀 Applicable to DC6V, DC12V and DC24V ball valves
5.交流220V三线模式 说明:电源控制线为三芯线,接入电压为AC220V,其中N、L1两端接220V电压,电动球阀打开;N、L2两端接220V电压,电动球阀关闭 Description of AC 220V three-wire mode: the power control line is three-core wire, and the access voltage is AC220V, where N and L1 are connected with 220V voltage, and the electric ball valve is opened; 220V voltage is connected at both ends of N and L2, and the electric ball valve is closed

N、L1两端接220V电压,电动球阀打开,到位后并保持 Connect 220V voltage at both ends of N and L1, open the electric ball valve, and keep it in place
N、L2两端接220V电压,电动球阀关闭,到位后并保持 Connect 220V voltage at both ends of N and L2, close the electric ball valve, and keep it in place
适用于AC220V球阀 Applicable to AC220V ball valve
6.二线/带位置反馈信号DC24V 说明:电源控制线为两芯线,位置反馈信号线为三芯线(又称五线控制),球阀开关到位后分别可以输出无源信号,适用于DC24V电动球阀 Two-wire/DC24V with position feedback signal Description: the power control line is two-core wire, and the position feedback signal line is three-core wire (also known as five-wire control). After the ball valve is switched in place, passive signals can be output respectively, which is applicable to DC24V electric ball valve

SW与OPEN短接,电动球阀打开,到位后并保持。同时LS.1接通并给出开到位置信号,即BL与WT相通 SW and OPEN are short-circuited, and the electric ball valve is opened and held in place. At the same time, LS.1 is connected and gives the signal of opening to the position, that is, BL is connected with WT
SW与CLOSE短接,电动球阀关闭,到位后并保持同时LS.2接通并给出关到位置信号,即YW与WT相通 SW and CLOSE are short-circuited, and the electric ball valve is closed. When it is in place, LS.2 is connected and the signal of closing to the position is given, that is, YW and WT are connected
适用于DC24V球阀 Applicable to DC24V ball valve



在线客服