RETZ进口品质 可伸缩小型十字轴万向联轴器
简要描述:RETZ进口可伸缩小型十字轴万向联轴器适用于各种通用机械场合,销钉方块结构最高使用1000转/分,滚针轴承结构 最高转速可达4000转/分,建议实际使用转速在最高转速的50%以内使用
品牌:RETZ美国瑞茨
工况条件:联接机械
温度/压力:25-1500N.m
更新时间:2023/02/27
产品用途 Product use
1..适用于联结空间同一平面上两轴夹角每节极限转动角度为45度,允许使用角度30度以内 Applicable to the included angle of two shafts on the same
plane of the connecting space. The limit rotation angle of each section is 45 degrees, and the allowable angle is within 30 degrees
2.所提供的快速锁紧装置仅有公差为H7的成品孔,带标准的键槽或六角孔可选,可非标定制不同安装结构 The provided quick locking device only has finished hole with tolerance of H7, with standard keyway or hexagonal hole optional, and different installation structures can be customized non-standard
3.连接更大的轴间距 Connect greater shaft spacing
4.关节精密配合,间隙小,噪音小使用寿命长 Joint precision fit, small clearance, low noise, long service life
5.传递公称转矩25-1500N.m.(可定制更大扭矩)Transmit nominal torque 25-1500 N.m. (larger torque can be customized)
6.结构简单可伸缩,易维护,传动效率高 Simple and scalable structure, easy maintenance, high transmission efficiency
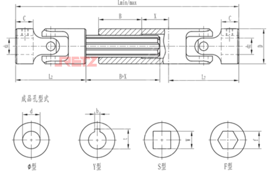
结构特点 Structural features
1、每节最大转动角度为45° The maximum rotation angle of each section is 45 °
2、连接更大的轴间距 Connect greater shaft spacing
3、成品孔公差为H7,另可根据要求开键槽,六角孔和四方孔 The tolerance of finished hole is H7, and keyway, hexagonal hole and square hole can be opened according to requirements
4、安装长度L和X(行程)的计算 Calculation of installation length L and X (stroke)
5、行程X<(Lmax-2.L2-B)/2 Lmin≥(Lmax+2.L+B)/2 6、最小尺寸Lmin=L2+B+X+L2.
基本参数和尺寸 Basic parameters and dimensions

规格 | 尺寸Lmin/Lmax=标准长度 | ||||||||
WSP-03GA | 140 | 160 | 180 | 230 | |||||
WSP-04GA | 160 | 180 | 200 | 220 | 250 | 280 | 300 | ||
WSP-05GA | 170 | 180 | 200 | 220 | 250 | 280 | 300 | 350 | 400 |
WSP-1GA | 190 | 210 | 240 | 250 | 275 | 300 | 380 | 400 | |
WSP-2GA | 230 | 250 | 270 | 290 | 300 | 400 | 500 | ||
WSP-3GA | 250 | 270 | 290 | 320 | 380 | 420 | 500 | ||
WSP-4GA | 250 | 270 | 290 | 330 | 350 | 470 | 500 | ||
WSP-5GA | 295 | 310 | 350 | 380 | 420 | 460 | 745 | ||
WSP-6GA | 330 | 350 | 370 | 400 | 450 | 500 | 795 | ||
型号 | 公称扭矩 | d1,d2 | D | L2 | C | Lmin/Lmax | B | b | t | W | f | 花键槽 |
WSP-03GA | 25 | 10 | 22 | 48 | 12 | 根据 | 30 | 3 | 11.4 | 10 | 10 | 11×14-Z6 |
WSP-04GA | 45 | 12 | 25 | 56 | 13 | 40 | 4 | 13.8 | 12 | 12 | 13×16-Z6 | |
WSP-05GA | 55 | 14 | 28 | 60 | 13 | 40 | 5 | 16.3 | 14 | 14 | 13×16-Z6 | |
WSP-1GA | 71 | 16 | 32 | 68 | 16 | 40 | 5 | 18.3 | 16 | 16 | 16×20-Z6 | |
WSP-2GA | 100 | 18 | 36 | 74 | 17 | 40 | 6 | 20.8 | 18 | 18 | 18×22-Z6 | |
WSP-3GA | 150 | 20 | 42 | 82 | 18 | 45 | 6 | 22.8 | 20 | 20 | 21×25-Z6 | |
WSP-4GA | 210 | 22 | 45 | 95 | 22 | 50 | 6 | 24.8 | 22 | 22 | 23×28-Z6 | |
WSP-5GA | 280 | 25 | 50 | 108 | 26 | 50 | 8 | 28.3 | 25 | 25 | 26×32-Z6 | |
WSP-6GA | 550 | 30 | 58 | 122 | 29 | 60 | 8 | 33.3 | 30 | 30 | 32×38-Z8 | |
WSP-7GA | 1000 | 35 | 70 | 140 | 35 | 70 | 10 | 38.3 | 35 | 36×42-Z8 | ||
WSP-8GA | 1200 | 40 | 80 | 160 | 40 | 80 | 12 | 43.3 | 40 | · | 42×48-Z8 | |
WSP-9GA | 1500 | 50 | 95 | 190 | 50 | 90 | 14 | 53.8 | 50 | 46×54-Z8 | ||
WSP-10GA | 4000 | 75 | 120 | 210 | 非标设计范围 | |||||||
WSP-11GA | 6300 | 95 | 150 | 260 | 非标设计范围 | |||||||



在线客服