RETZ进口品质 高灵敏度夹紧是双膜片联轴器(铝合金)
简要描述:RETZ进口高灵敏度夹紧是双膜片联轴器(铝合金)扭矩刚性高,能准确控制周的旋转,可进行高精度控制,无间隙的轴和轴套连接,适用于正反转高速运转的伺服电机,步进电机
品牌:RETZ美国瑞茨
工况条件:联接机械
温度/压力:1-100N.m.
更新时间:2023/02/27
产品用途 Product use
1.扭矩刚性高,能准确控制周的旋转,可进行高精度控制 High torque rigidity, can accurately control the rotation of the circle, and can carry out high-
precision control
2.无间隙的轴和轴套连接,适用于正反转retz The shaft is connected with the shaft sleeve without clearance, which is suitable for forward and reverse rotation
3.低惯量,适应于高速运转,夹紧螺丝固定方式 Low inertia, suitable for high-speed operation, clamping screw fixation
4.轴套采用高强度联轴器专用铝合金 The shaft sleeve is made of special aluminum alloy for high-strength coupling
5.膜片采用304不锈钢 The diaphragm is made of 304 stainless steel
结构特点 Structural features
1.扭矩刚性高,能准确控制轴的旋转,可进行高精度控制 High torque rigidity, accurate control of shaft rotation and high-precision control
2.专为伺服,步进电机设计 Designed for servo and stepping motor
3.无间隙的轴和轴套连接,适用于正反转 The shaft is connected with the shaft sleeve without clearance, which is suitable for forward and reverse rotation
4.低惯量,适用于高速运转 Low inertia, suitable for high-speed operation
5.膜片采用弹簧钢制成,抗疲劳性特好 The diaphragm is made of spring steel with excellent fatigue resistance
6.夹紧螺丝紧固方式 Fastening method of clamping screw
基本参数 Basic parameters and dimensions
参数 | 额定 | 容许 | 容许 | 容许轴 | 最高 | 静态扭 | 惯性矩 | 轴套 | 弹性体 | 表面 | 重量 |
DLF-19×24.5 | 1 | 0.12 | 1.5 | ±0.18 | 10000 | 170 | 8.19×10¯4 | 高强度铝合金 | sus3o4弹簧钢 | 阳极氧化处理 | 13.6 |
DLF-26×30 | 1.5 | 0.15 | 1.5 | ±0.3 | 10000 | 820 | 2.7×10¯4 | 32 | |||
DLF-32×38 | 3 | 0.17 | 1.5 | ±0.36 | 10000 | 1860 | 1.0×10¯4 | 58 | |||
DLF-34×38 | 3 | 0.17 | 1.5 | ±0.36 | 10000 | 1860 | 1.1×10¯4 | 71 | |||
DLF-39×47 | 6 | 0.22 | 1.5 | ±0.45 | 10000 | 2860 | 2.7×10¯4 | 110 | |||
DLF-44×47 | 9 | 0.22 | 1.5 | ±0.54 | 10000 | 3300 | 3.4×10¯4 | 134 | |||
DLF-56×57 | 25 | 0.27 | 1.5 | ±0.72 | 10000 | 9480 | 1.14×10¯4 | 298 | |||
DLF-68×68 | 60 | 0.31 | 1.5 | ±0.8 | 10000 | 19000 | 1.8×10¯4 | 472 | |||
DLF-82×87 | 100 | 0.55 | 1.5 | ±0.8 | 10000 | 28450 | 2.25×10¯4 | 983 |
注:必须在容许值的范围内使用该联轴器 Note: The coupling must be used within the allowable range
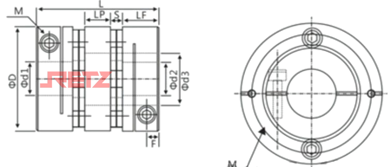
外形尺寸 Overall dimension

参数 | 常用d1,d2,轴径 | φD | L | LF | LP | d3 | S | F | M | 紧固螺 |
DLF-19×24.5 | 3,4,5,6,6.35,7,8 | 19 | 24.5 | 9.1 | 2.7 | 9 | 1.8 | 3.3 | M2.5 | 1 |
DLF-26×30 | 5,6,6.35,7,8,9,9.525,10,11,12,12.7 | 26 | 30 | 11.65 | 3.6 | 12.5 | 2.6 | 3.9 | M3 | 1.5 |
DLF-32×38 | 6,6.35,7,8,9,9.525,10,11,12,12.7,14,15 | 32 | 38 | 12.25 | 6.5 | 15 | 3.5 | 3.85 | M3 | 1.5 |
DLF-34×38 | 6,6.35,7,8,9,9.525,10,11,12,12.7,14,15 | 34 | 38 | 12.25 | 6.5 | 16 | 3.5 | 3.85 | M3 | 1.5 |
DLF-39×47 | 6,8,9,9.525,10,11,12,12.7,14,15,16,17,18,19 | 39 | 47 | 14.9 | 8.5 | 19.3 | 4.5 | 5 | M4 | 2.5 |
DLF-44×47 | 6,8,9,9.525,10,11,12,12.7,14,15,16,17,18,19,20,22 | 44 | 47 | 14.9 | 8.1 | 22.5 | 4.5 | 5 | M4 | 2.5 |
DLF-56×57 | 12,14,15,16,17,18,19,20,22,24,25,28,30,32 | 56 | 57 | 19.75 | 6.5 | 32.5 | 5.5 | 6.4 | M5 | 7 |
DLF-68×68 | 16,17,18,19,20,22,24,25,28,30,32,35,38 | 68 | 68 | 23.35 | 8.7 | 38.3 | 6.3 | 7.7 | M6 | 12 |
DLF-82×87 | 17,18,19,20,22,24,25,28,30,32,35,38,40,42 | 82 | 87 | 30 | 11 | 45.5 | 3 | 9.7 | M8 | 20 |



在线客服