RETZ进口品质 八螺丝高刚性夹紧式三单膜片联轴器(铝合金)
简要描述:RETZ进口八螺丝高刚性夹紧式三单膜片联轴器(铝合金)轴套采用高强度联轴器专用铝合金,膜片采用304不锈钢,高刚性,高灵敏度,传动惯性低
品牌:RETZ美国瑞茨
工况条件:联接机械
温度/压力:2.2-511N.m.
更新时间:2023/03/05
产品用途 Product use
1.扭矩刚性高,能准确控制周的旋转,可进行高精度控制 High torque rigidity, can accurately control the rotation of the circle, and can carry out high-
precision control
2.无间隙的轴和轴套连接,顺时针与逆时针回转特性完全相同retz The shaft and shaft sleeve without clearance are connected, and the clockwise and counterclockwise rotation characteristics are identical
3.低惯量,适应于高速运转,夹紧螺丝固定方式 Low inertia, suitable for high-speed operation, clamping screw fixation
4.通常用于伺服电机,步进电机 Commonly used for servo motor and stepper motor
结构特点 Structural features
1.主体采用高强度铝合金材料 The main body is made of high-strength aluminum alloy
2.产品表面采用阳极氧化处理 The product surface is anodized
3.膜片采用304不锈钢 The diaphragm is made of 304 stainless steel
4.采用多边弧型8个螺丝膜片,精确度高,扭力大 Adopt 8 screw diaphragms of multilateral arc type, with high accuracy and large torque
5.防震动,使用安全可靠、寿命更长 Anti-vibration, safe and reliable use, longer service life
6.无间隙,顺时针与逆时针回转特性完全相同 No clearance, clockwise and counterclockwise rotation characteristics are identical
7.膜片补偿径向,角向和轴向偏差能力强 The diaphragm has strong ability to compensate radial, angular and axial deviation
8.高刚性、高灵敏度 High rigidity and sensitivity
9.大力矩传递,传动惯量低 Large torque transmission, low transmission inertia
基本参数 Basic parameters and dimensions
参数 | 额定 | 容许 | 容许 | 容许轴 向偏差 (mm)* | 最高 | 静态扭 | 惯性矩 | 轴套 | 弹片 | 表面 | 重量 |
DSB-26x26 | 2.2 | 0.02 | 0.5 | ±0.14 | 10000 | 1125 | 2.2x10-6 | 高强度铝合金 | SUs304不锈钢 | 阳极氧化处理 | 28 |
DSB-32×28 | 3 | 0.02 | 0.5 | ±0.18 | 10000 | 2100 | 7.1x10-6 | 52 | |||
DSB-34x32 | 4.4 | 0.02 | 0.5 | ±0.18 | 10000 | 2656 | 8.0x10-6 | 65 | |||
DSB-39x34.5 | 8.7 | 0.02 | 0.5 | 士0.23 | 10000 | 3920 | 2.2x10-5 | 101 | |||
DSB-44x34.5 | 13.3 | 0.02 | 0.5 | ±0.27 | 10000 | 4480 | 2.8x10-5 | 130 | |||
DSB-50x41 | 27 | 0.02 | 0.5 | ±0.30 | 10000 | 10400 | 2.5x105 | 214 | |||
DSB-56x45 | 37 | 0.02 | 0.5 | ±0.30 | 7700 | 20000 | 4.0x10-5 | 235 | |||
DSB-65x55.5 | 85 | 0.02 | 0.5 | ±0.30 | 6500 | 28000 | 1.0x104 | 342 | |||
DSB-87x67 | 180 | 0.02 | 0.5 | ±0.30 | 5500 | 70000 | 4.2x104 | 812 | |||
DSB-94x68 | 241 | 0.02 | 0.5 | 土0.30 | 5500 | 80000 | 1.23x10³ | 1521 | |||
DSB-104x70 | 280 | 0.02 | 0.5 | ±0.50 | 4000 | 140000 | 1.85x10-3 | 1950 | |||
DSB-126x78 | 511 | 0.02 | 0.5 | ±0.50 | 4000 | 150000 | 3.75x10-³ | 2250 |
注:必须在容许值的范围内使用该联轴器 Note: The coupling must be used within the allowable range
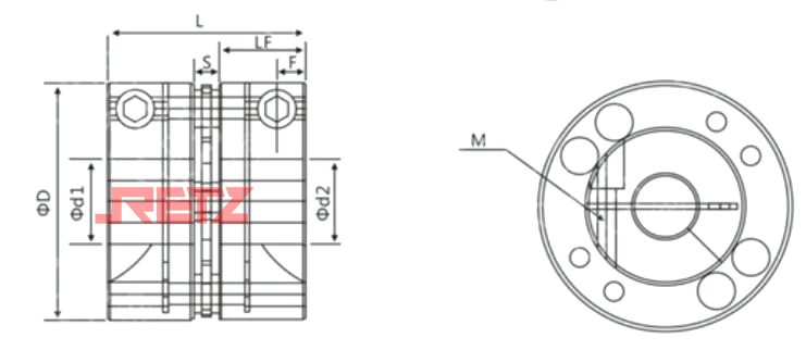
外形尺寸 Overall dimension

参数 | 常用d1,d2,轴径 | φD | L | LF | S | F | M | 紧固螺 |
DSB-26x26 | 4,5,6,6.35,7,8,9,10,11,12 | 26 | 26 | 11.35 | 3.3 | 3.9 | M3 | 1.2 |
DSB-32×28 | 5,6,6.35,7,8,9,10,11,12,12.7,14 | 32 | 28 | 11.95 | 4.1 | 3.9 | M3 | 1.2 |
DSB-34x32 | 5,6,6.35,7,8,9,10,11,12,12.7,14,15,16 | 34 | 32 | 13.95 | 4.1 | 3.9 | M3 | 1.2 |
DSB-39x34.5 | 8,9,10,11,12,12.7,14,15,16,18,19 | 39 | 34.5 | 14.7 | 5.1 | 5 | M4 | 2.5 |
DSB-44x34.5 | 8,9,10,11,12,12.7,14,15,16,18,20,22,24 | 44 | 34.5 | 14.7 | 5.1 | 5 | M4 | 2.5 |
DSB-50x41 | 8,9,10,11,12,12.7,14,15,16,18,20,22,24,25 | 50 | 41 | 17.8 | 5.4 | 5.8 | M5 | 5 |
DSB-56x45 | 10,12,12.7,14,15,16,18,19,20,22,24,25,28,30 | 56 | 45 | 19.45 | 6.1 | 6.4 | M5 | 5 |
DSB-65x55.5 | 12,14,15,16,18,19,20,22,24,25,28,30,32,35 | 65 | 55.5 | 24.3 | 6.9 | 9 | M6 | 8 |
DSB-87x67 | 17,18,19,20,22,24,25,28,30,32,35,38,40,42 | 87 | 67 | 29.2 | 8.6 | 9.7 | M8 | 20 |
DSB-94x68 | 19,20,22,24,25,28,30,32,35,38,40,42,44,45 | 94 | 68 | 29.7 | 8.6 | 10 | M10 | 40 |
DSB-104x70 | 20,22,24,25,28,30,32,35,38,40,42,44,45,46,48 | 104 | 70 | 29.7 | 10.6 | 10 | M10 | 40 |
DSB-126x78 | 20,22,24,25,28,30,32,35,38,40,42,44,45,48,50,52,55 | 126 | 78 | 32.7 | 12.6 | 12 | M12 | 75 |



在线客服