RETZ进口品质 夹紧式三膜片联轴器(铝合金)
简要描述:RETZ进口夹紧式三膜片联轴器(铝合金)采用加长设计,更有效的补偿了径向、角向和轴向偏差,低惯量,适用于高速运转专为伺服,步进电机而设计
品牌:RETZ美国瑞茨
工况条件:联接机械
温度/压力:1-80N.m.
更新时间:2023/03/05
进口夹紧式三膜片联轴器(铝合金) 产品用途 Product use
1.轴套采用高强度高强度铝合金,膜片采用304不锈钢,抗疲劳性特好 The shaft sleeve is made of high-strength aluminum alloy, and the diaphragm is
made of 304 stainless steel, with excellent fatigue resistance
2.通常用于伺服电机,步进电机 Commonly used for servo motor and stepper motor
结构特点 Structural features
1.采用加长设计,更有效的补偿了径向、角向和轴向偏差 Longer design, more effective compensation for radial, angular and axial deviation
2.无间隙的轴和轴套连接,适用于正反转 The shaft is connected with the shaft sleeve without clearance, which is suitable for forward and reverse rotation
3.低惯量,适用于高速运转 Low inertia, suitable for high-speed operation
4.夹紧螺丝紧固方式 Fastening method of clamping screw
基本参数 Basic parameters and dimensions
参数 | 额定 | 容许 | 容许 | 容许轴向 | 最高 | 静态扭 | 惯性矩 | 紧固螺 | 轴套 | 弹片 | 表面 | 重量 |
DW-19x34 | 1 | 0.12 | 2 | ±0.2 | 10000 | 500 | 1.1x10¯⁷ | 0.8 | 高强度铝合金 | 进口 | 阳极氧化处理 | 18 |
DW-26x44.5 | 1.5 | 0.15 | 2 | ±0.33 | 10000 | 1700 | 3.6x10¯⁶ | 1.2 | 45 | |||
DW-34x58 | 3 | 0.17 | 2 | ±0.45 | 10000 | 3700 | 1.3x10¯⁶ | 2.5 | 97 | |||
DW-39x65.5 | 6 | 0.22 | 2 | ±0.54 | 10000 | 8000 | 3.6x10¯⁵ | 2.5 | 153 | |||
DW-44x65.5 | 9 | 0.22 | 2 | ±0.6 | 10000 | 9700 | 4.5x10¯⁵ | 2.5 | 189 | |||
DW-56x83 | 25 | 0.27 | 2 | ±0.8 | 10000 | 23000 | 1.9x10¯4 | 5 | 413 | |||
DW-68x97 | 60 | 0.31 | 2 | ±0.9 | 9000 | 32000 | 2.4x10¯⁵ | 8 | 641 | |||
DW-82x128 | 80 | 0.55 | 2 | ±0.9 | 8000 | 65000 | 3.0x10¯⁵ | 20 | 1345 |
注:必须在容许值的范围内使用该联轴器 Note: The coupling must be used within the allowable range
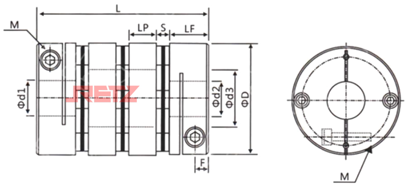
外形尺寸 Overall dimension

参数 | 常用d1,d2,轴径 | φD | L | LF | LP | d3 | S | F | M |
DW-19x34 | 3,4,5,6,6.35,7,8 | 19 | 34 | 9 | 5 | 9 | 2 | 3.3 | M2.5 |
DW-26x44.5 | 5,6,6.35,7,8,9,9.525,10,11 | 26 | 44.5 | 11.65 | 6.6 | 12 | 2.7 | 3.9 | M3 |
DW-34x58 | 6,6.35,8,9,9.525,10,11,12,12.7,14,15 | 34 | 58 | 14.25 | 9.5 | 16 | 3.5 | 4.85 | M4 |
DW-39x65.5 | 8,9,9.525,10,11,12,12.7,14,15,16,18,19 | 39 | 65.5 | 15 | 11.5 | 19 | 4.5 | 5 | M4 |
DW-44x65.5 | 8,9,9.525,10,11,12,12.7,14,15,16,18,19,20,22 | 44 | 65.5 | 14.9 | 11.1 | 22 | 4.7 | 5 | M4 |
DW-56x83 | 12,14,15,16,18,19,20,22,24,25 | 56 | 83 | 19.75 | 13.5 | 32.5 | 5.5 | 6.4 | M5 |
DW-68x97 | 15,16,19,20,22,24,25,28,30,35 | 68 | 97 | 23.35 | 15.7 | 38.3 | 6.3 | 7.7 | M6 |
DW-82x128 | 22,24,28,30,35,38,40 | 82 | 128 | 30 | 22 | 45.5 | 8 | 9.7 | M8 |



在线客服