RETZ进口品质 锁紧盘式单型弹性膜片联轴器
简要描述:RETZ进口锁紧盘式单型弹性膜片联轴器很适合运动不平稳的场合,如加速和制动以及高速传动,重复使用,过载时打滑可对机械部件进行保护,但应避免重复打滑
品牌:RETZ美国瑞茨
工况条件:联接机械
温度/压力:33-8900N.m.
更新时间:2023/03/07
产品用途 Product use
进口锁紧盘式单型弹性膜片联轴器广泛用于各种机械装置的轴系传动,如水泵(尤其是大功率、化工泵)、风机、压缩机、液压机械、石油机械、印刷机械、纺织机械、化工机械、矿山机械、冶金机械、航空(直升飞机)、舰艇高速动力传动系统、汽轮机、活塞式动力机械传动系统、履带式车辆,以及发电
机组高速、大功率机械传动系统,经动平衡后应用于高速传动轴系已比较普遍。retz Imported locking disc single-type elastic diaphragm coupling It is widely used for shafting transmission of various mechanical devices, such as water pumps (especially high-power and chemical pumps), fans, compressors, hydraulic machinery, petroleum machinery, printing machinery, textile machinery, chemical machinery, mining machinery, metallurgical machinery, aviation (helicopter), high-speed power transmission system of naval ships, steam turbines, piston-type power mechanical transmission system, tracked vehicles, and high-speed generator sets The high-power mechanical transmission system has been widely used in high-speed transmission shafting after dynamic balancing.
最适合于数控机器的进给轴主轴用的联轴器 Coupling most suitable for feed shaft spindle of CNC machine
本联轴器比胀套连结弹性膜片联轴器转动惯量小,同等外径下,适用轴孔更大、装拆更方便 This coupling has a smaller rotational inertia than the elastic diaphragm coupling connected by the expansion sleeve. Under the same outer diameter, the applicable shaft hole is larger and the assembly and disassembly are more convenient
产品材质: 常规45#钢 可定制特殊材质, 采用优良的不锈钢片做为弹性材料,联轴器具有高扭转刚性,更加适应自动控制传动的快速应答 The conventional 45 # steel can be customized with special materials, and the excellent stainless steel sheet is used as the elastic material. The coupling has high torsional rigidity, which is more suitable for the rapid response of automatic control transmission
结构特点 Structural features
1.偏心允许范围大,可使用各种传动系统,拆装方便,具有很高的装配重复性 The allowable range of eccentricity is large, and various transmission systems can be used, which is convenient for disassembly and assembly, and has high assembly repeatability
2.适应性强,传动平稳,能在恶劣的环境下工作.,传动平稳,节能环保,效率高,无噪声 Strong adaptability, stable transmission, and can work in harsh environment, Smooth transmission, energy saving and environmental protection, high efficiency and noiseless
3.保护系统,延长寿命,扛冲击,减振能力强,附加弯矩小 Protection system, extended service life, strong shock absorption ability and small additional bending moment
4.具有膜片联轴器及胀套的所有优点,比用胀套型更简单、成本更低、装拆更方便、传递的孔更大 With all the advantages of diaphragm coupling and expansion sleeve, it is simpler, cheaper, easier to assemble and disassemble, and larger transmission hole than the expansion sleeve type
5.很适合运动不平稳的场合,如加速和制动以及高速传动 It is suitable for occasions with uneven movement, such as acceleration and braking, and high-speed transmission
6.可重复使用,过载时打滑可对机械部件进行保护,但应避免重复打滑 It can be reused, and the mechanical parts can be protected by slipping in case of overload, but repeated slipping shall be avoided
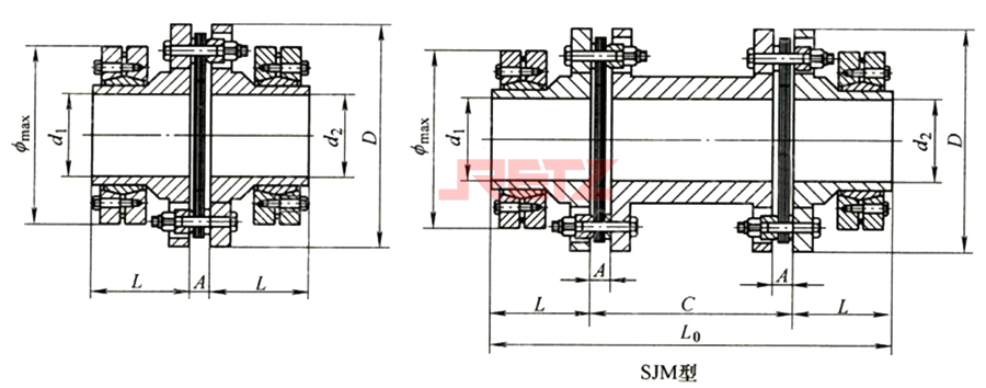
进口锁紧盘式单型弹性膜片联轴器 基本参数 Basic parameters and dimensions

规格 | 公称扭矩 | 许用转速 | 主要尺寸 | ||||||
d1.d2 | D | L | φmax | A | C | L1 | |||
1 | 33 | 20000 | 19-31 | 68 | 45 | 72 | 6.1 | 89 | 179 |
2 | 90 | 20000 | 19-31 | 81 | 45 | 72 | 6.6 | 89 | 179 |
3 | 173 | 18000 | 19-42 | 93 | 56 | 100 | 8.4 | 102 | 214 |
4 | 245 | 15000 | 19-48 | 104 | 63 | 110 | 11.2 | 127 | 253 |
5 | 420 | 13000 | 28-60 | 126 | 70 | 138 | 11.7 | 127 | 267 |
6 | 772 | 12000 | 35-70 | 143 | 75 | 170 | 11.7 | 127 | 277 |
7 | 1270 | 10000 | 45-80 | 168 | 98 | 185 | 16.8 | 127 | 323 |
8 | 2080 | 10000 | 50-85 | 194 | 98 | 215 | 17 | 140 | 336 |
9 | 3328 | 9000 | 60-95 | 214 | 98 | 230 | 21.6 | 152 | 348 |
10 | 4900 | 8000 | 65-105 | 246 | 110 | 263 | 23.9 | 178 | 398 |
11 | 6368 | 6300 | 75-115 | 276 | 110 | 290 | 27.2 | 178 | 398 |
12 | 8900 | 6300 | 80-115 | 276 | 110 | 290 | 17.5 | 153 | 373 |
注:必须在容许值的范围内使用该联轴器 Note: The coupling must be used within the allowable range



在线客服