RETZ进口品质 双膜片账套联轴器(45#)
简要描述:RETZ进口双膜片账套联轴器(45#)高灵敏度,传递力矩大,扭矩刚性高,能准确控制轴的旋转,可进行高精度控制
品牌:RETZ美国瑞茨
工况条件:联接机械
温度/压力:50-125N.m.
更新时间:2023/03/16
进口双膜片账套联轴器(45#) 产品用途 Product use
1、扭矩刚性高,能准确控制轴的旋转,可进行高精度控制 High torque rigidity, accurate control of shaft rotation and high-precision control
2、高灵敏度,传递力矩大 High sensitivity, large transmission torque
3、零回转间隙,顺时针与逆时针回转特性相同 Zero slewing clearance, clockwise and counterclockwise slewing characteristics are the same
4、不锈钢膜片补偿角向和轴向偏差 Stainless steel diaphragm compensates angular and axial deviation
5、常用于伺服电机 步进电机连接 Commonly used for servo motor stepper motor connection
广泛用于各种机械装置的轴系传动,如水泵(尤其是大功率、化工泵)、风机、压缩机、液压机械、石油机械、印刷机械、纺织机械、化工机械、矿山机械、冶金机械、航空(直升飞机)、舰艇高速动力传动系统、汽轮机、活塞式动力机械传动系统、履带式车辆,以及发电机组高速、大功率机械传动系统,经动平衡后应用于高速传动轴系已比较普遍
It is widely used for shafting transmission of various mechanical devices, such as water pumps (especially high-power and chemical pumps), fans, compressors, hydraulic machinery, petroleum machinery, printing machinery, textile machinery, chemical machinery, mining machinery, metallurgical machinery, aviation (helicopter), high-speed power transmission system of naval ships, steam turbines, piston-type power mechanical transmission system, tracked vehicles, and high-speed generator sets The high-power mechanical transmission system has been widely used in high-speed transmission shafting after dynamic balancing
结构特点 Structural features
1.扭矩刚性高,能准确控制轴的旋转,可进行高精度控制 High torque rigidity, accurate control of shaft rotation and high-precision control
2.利用胀套连接的膜片型联轴器 Diaphragm coupling connected by expansion sleeve
3.主体采用45#钢材质,零回转间隙 The main body is made of 45 # steel with zero rotation clearance
4.高灵敏度,传递力矩大 High sensitivity, large transmission torque
5.顺时针与逆时针回转特性完全相同 The clockwise and counterclockwise rotation characteristics are identical
6.弹簧钢膜片补偿角向和轴向偏差 Spring steel diaphragm compensates angular and axial deviation
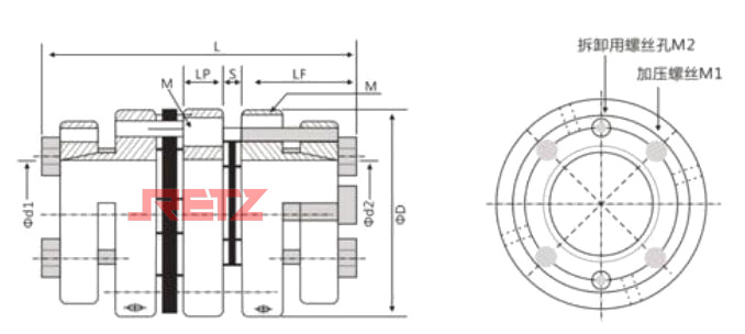
基本参数 Basic parameters and dimensions
参数 | 额定 | 径向 | 角向 | 容许轴 | 静态扭矩 | 最高 | 最大 | 惯性矩 | 重量 |
DIZ-55×80 | 50 | 0.02 | 1 | ±1 | 22×10³ | 15000 | 100 | 0.61×10¯3 | 780 |
DIZ-68×80 | 70 | 0.02 | 1 | ±1 | 30×10³ | 13000 | 140 | 0.81×10¯3 | 1150 |
DIZ-80×888 | 125 | 0.02 | 1 | ±1 | 32×10³ | 11000 | 250 | 1.32×10¯3 | 1580 |
注:必须在容许值的范围内使用该联轴器 Note: The coupling must be used within the allowable range
外形尺寸 Overall dimension

参数 | 常用d1,d2,轴径 | φD | L | LF | LP | S | M | M1 | M2 |
DIZ-55×80 | 12,12.7,14,15,16,17,18,19,20,22,24 | 56 | 80 | 24.7 | 7.4 | 7.6 | M5 | M5 | M5 |
DIZ-68×80 | 16,17,18,19,20,22,24,25,28,30,32,35 | 68 | 80 | 24.7 | 7.4 | 7.6 | M6 | M6 | M6 |
DIZ-80×888 | 16,17,18,19,20,22,24,25,28,30,32,35 | 82 | 88 | 27 | 10 | 8 | M8 | M6 | M6 |



在线客服