RETZ进口品质 台阶夹紧式单膜片联轴器(45#)
简要描述:RETZ进口台阶夹紧式单膜片联轴器(45#)偏心允许范围大,可使用各种传动系统,拆装方便,适应性强,传动平稳,能在恶劣的环境下工作,传动平稳,节能环保,效率高,无噪声
品牌:RETZ美国瑞茨
工况条件:联接机械
温度/压力:13-125N.m.
更新时间:2023/03/16
进口台阶夹紧式单膜片联轴器(45#) 产品用途 Product use
1、偏心允许范围大,可使用各种传动系统,拆装方便,具有很高的装配重复性 The allowable range of eccentricity is large, and various transmission systems can be used, which is convenient for disassembly and assembly, and has high assembly repeatability
2、适应性强,传动平稳,能在恶劣的环境下工作.,传动平稳,节能环保,效率高,无噪声 Strong adaptability, stable transmission, and can work in harsh environment, Smooth transmission, energy saving and environmental protection, high efficiency and noiseless
3、保护系统,延长寿命.扛冲击,减振能力强,附加弯矩小 Protection system, extended service life, strong shock absorption ability and small additional bending moment
4、通常用于伺服电机,步进电机连接 Usually used for servo motor and stepper motor connection
广泛用于各种机械装置的轴系传动,如水泵(尤其是大功率、化工泵)、风机、压缩机、液压机械、石油机械、印刷机械、纺织机械、化工机械、矿山机械、冶金机械、航空(直升飞机)、舰艇高速动力传动系统、汽轮机、活塞式动力机械传动系统、履带式车辆,以及发电机组高速、大功率机械传动系统,经动平衡后应用于高速传动轴系已比较普遍
It is widely used for shafting transmission of various mechanical devices, such as water pumps (especially high-power and chemical pumps), fans, compressors, hydraulic machinery, petroleum machinery, printing machinery, textile machinery, chemical machinery, mining machinery, metallurgical machinery, aviation (helicopter), high-speed power transmission system of naval ships, steam turbines, piston-type power mechanical transmission system, tracked vehicles, and high-speed generator sets The high-power mechanical transmission system has been widely used in high-speed transmission shafting after dynamic balancing
结构特点 Structural features
1.扭矩刚性高,能准确控制轴的旋转可进行高精度控制 High torque rigidity, accurate control of shaft rotation and high-precision control
2.无间隙的轴和轴套连接,适用于正反转 The shaft is connected with the shaft sleeve without clearance, which is suitable for forward and reverse rotation
3.夹紧螺丝紧固方式 Fastening method of clamping screw
4.轴套采用45#钢材质,膜片采用304不锈钢制成,抗疲劳性特好 The shaft sleeve is made of 45 # steel, and the diaphragm is made of 304 stainless steel, with excellent fatigue resistance
5.带键槽设计,传递力矩大 With keyway design, large transmission torque
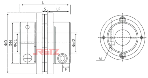
基本参数 Basic parameters and dimensions
参数 | 额定 | 容许 | 容许 | 容许轴 | 最高 | 静态扭 | 惯性矩 | 轴套 | 弹性体 | 表面 | 重量 |
DNST-44×34.5 | 13 | 0.1 | 1 | ±0.13 | 5000 | 3360 | 4.2×10¯4 | 45# | sus3o4弹簧钢 | 发黑处理 | 200 |
DNST-56×45 | 37 | 0.1 | 1 | ±0.36 | 5000 | 4700 | 1.5×10¯4 | 420 | |||
DNST-68×54 | 90 | 0.1 | 1 | ±0.4 | 4500 | 7200 | 3.7×10¯4 | 700 | |||
DNST-82×68 | 125 | 0.1 | 1 | ±0.5 | 4000 | 9600 | 5.8×10¯4 | 1304 |
注:必须在容许值的范围内使用该联轴器 Note: The coupling must be used within the allowable range
外形尺寸 Overall dimension

参数 | 常用d1,d2,轴径 | φD | φN | L | LF | S | F | M | 紧固螺 |
DNST-44×34.5 | 6,8,10,12,12.7,14,15,16,17,18 | 44 | 29.6 | 34.5 | 14.7 | 5.1 | 4.5 | M4 | 2.5 |
DNST-56×45 | 12,12.7,14,15,16,17,18,19,20,22 | 56 | 38 | 45 | 19.45 | 6.1 | 6.0 | M5 | 5 |
DNST-68×54 | 15,16,17,18,19,20,22,24,25 | 68 | 46 | 54 | 23.05 | 6.9 | 7.7 | M6 | 8 |
DNST-82×68 | 17,18,19,20,22,24,25,28,30,32 | 82 | 56 | 68 | 29.7 | 8.6 | 9.0 | M8 | 20 |



在线客服