RETZ进口品质 账套单型弹性膜片联轴器(45#)
简要描述:RETZ进口账套单型弹性膜片联轴器(45#)拆装迅速 具有很高的装配重复性 传动精度高 可高温下运转
品牌:RETZ美国瑞茨
工况条件:联接机械
温度/压力:33-127N.m.
更新时间:2023/03/16
进口账套单型弹性膜片联轴器(45#) 产品用途 Product use
1、适应性强,传动平稳,能在恶劣的环境下工作.,传动平稳,节能环保,效率高,无噪声 Strong adaptability, stable transmission, and can work in harsh environment, Smooth transmission, energy saving and environmental protection, high efficiency and noiseless
2、保护系统,延长寿命.扛冲击,减振能力强,附加弯矩小 Protection system, extended service life, strong shock absorption ability and small additional bending moment
3、通常用于伺服电机,步进电机连接 Usually used for servo motor and stepper motor connection
广泛用于各种机械装置的轴系传动,如水泵(尤其是大功率、化工泵)、风机、压缩机、液压机械、石油机械、印刷机械、纺织机械、化工机械、矿山机械、冶金机械、航空(直升飞机)、舰艇高速动力传动系统、汽轮机、活塞式动力机械传动系统、履带式车辆,以及发电机组高速、大功率机械传动系统,经动平衡后应用于高速传动轴系已比较普遍
It is widely used for shafting transmission of various mechanical devices, such as water pumps (especially high-power and chemical pumps), fans, compressors, hydraulic machinery, petroleum machinery, printing machinery, textile machinery, chemical machinery, mining machinery, metallurgical machinery, aviation (helicopter), high-speed power transmission system of naval ships, steam turbines, piston-type power mechanical transmission system, tracked vehicles, and high-speed generator sets The high-power mechanical transmission system has been widely used in high-speed transmission shafting after dynamic balancing
结构特点 Structural features
偏心允许范围大,可使用各种传动系统 The allowable range of eccentricity is large, and various transmission systems can be used
拆装迅速,具有很高的装配重复性 Quick disassembly and assembly with high assembly repeatability
无需润滑,无澡音,磨损。无滑动,摩擦,传动部件 No lubrication, no bath sound and wear. No sliding, friction, transmission parts
结构简单,重量轻,可降低能量损失 Simple structure and light weight can reduce energy loss
不需维护,停机时肉眼可检查故障 No maintenance is required, and faults can be checked with naked eyes during shutdown
良好的环境适应性,可高温下运转 Good environmental adaptability and can operate at high temperature
传动精度高,可靠性高,寿命长 High transmission accuracy. High reliability and long service life
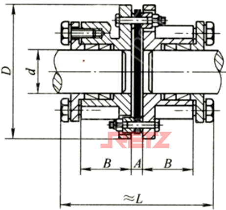
基本参数 Basic parameters and dimensions

1.联轴器型号:单型膜片联轴器DJM ,双型膜片联轴器
SJM Coupling model: single type membrane coupling DJM, dual type membrane coupling SJM
2.联轴器规格代号:联轴器结构参数用规格代号表示,顺序从00到40
Coupling specification code: the structural parameters of the coupling are represented by the specification code in the order from 00 to 40
3.轴孔型式:圆柱型轴孔Y,圆锥型轴孔Z
Shaft hole type: cylindrical shaft hole Y, conical shaft hole Z
4.胀套联结代号:采用胀套联结用T表示,不用胀套联结无"T"符号
Expansion sleeve connection code: T is used for expansion sleeve connection, and there is no "T" symbol for expansion sleeve connection
圆锥轴孔连结单型膜片联轴器 Conical shaft hole connection single diaphragm coupling

自动控制机械不可缺少的伺服马达与滚珠丝杆联结中广泛应用 The servo motor which is indispensable for automatic control machinery is widely used in the connection of ball screw
胀套联结,完全消除传动间隙,拆装更方便 Expanded sleeve connection, completely eliminate transmission clearance, and make disassembly and assembly more convenient
胀套联结时,联结轴公差:轴径≥38,取h8;轴径<38,取H6 In case of expansion sleeve connection, the tolerance of coupling shaft: shaft diameter ≥ 38, take h8; Shaft diameter<38, take H6
锥孔联结时,轴孔直径指大端尺寸 When connecting with taper hole, the diameter of shaft hole refers to the size of large end
规格 | 孔径d | Dmm | Lmm | Amm | Bmm | 重量kg | 许用转速rpm | 公称扭矩N.m | 许用补偿量 | |
角向(o) | 轴向mm | |||||||||
1 | 8-22 | 68 | 90 | 6.1 | 26 | 0.85 | 20000 | 33 | 1 | ±0.8 |
2 | 10-32 | 82 | 95 | 6.6 | 26 | 1.2 | 20000 | 90 | 1 | ±1.0 |
3 | 10-35 | 93 | 110 | 8.4 | 29 | 1.7 | 18000 | 173 | 1 | ±1.2 |
4 | 10-42 | 104 | 124 | 11.2 | 34 | 2.7 | 15000 | 245 | 1 | ±1.4 |
5 | 15-50 | 126 | 152 | 11.7 | 42 | 6.5 | 13000 | 420 | 1 | ±1.6 |
6 | 15-60 | 143 | 160 | 11.7 | 48 | 8.9 | 12000 | 772 | 1 | ±1.8 |
7 | 20-70 | 168 | 200 | 14 | 58 | 15.8 | 10000 | 1270 | 1 | ±2.5 |
注:必须在容许值的范围内使用该联轴器 Note: The coupling must be used within the allowable range



在线客服