RETZ进口品质 高刚性平行线夹紧式联轴器(铝合金)
简要描述:进口高刚性平行线夹紧式联轴器(铝合金)采用波纹管结构更有效的补偿径向,角向,轴向偏差,零回转间隙,适用于正反转
品牌:RETZ美国瑞茨
工况条件:联接机械
温度/压力:0.75-4.5N.m.
更新时间:2023/03/17
进口高刚性平行线夹紧式联轴器(铝合金) 产品用途 Product use
1.轴套材料为铝合金,中间波纹管我不锈钢材质,抗腐蚀特性好 The shaft sleeve material is aluminum alloy, and the middle bellows is made of stainless steel, with good corrosion resistance
2.专为微型电机,伺服,步进电机,编码器设计 Designed for micro motors, servo motors, stepper motors, and encoders
结构特点 Structural features
零回转间隙,适用于正反转 Laser welding is used between the bellows and the shaft, with zero rotational clearance, suitable for forward and reverse rotation
波纹管结构更有效的补偿径向,角向,轴向偏差 Bellows structure more effectively compensates for radial, angular, and axial deviations
一体化结构,弹性作用补偿径向,角向,轴向偏差 Integrated structure, elastic action compensation for radial, angular, and axial deviations
夹紧螺丝紧固方式 Fastening method of clamping screw
基本参数 Basic parameters and dimensions
参数 | 额定 | 容许 | 容许 | 容许轴 | 最高 | 静态扭 | 惯性矩 | 轴套 | 表面 | 重量 |
DPC-16×17.5 | 0.75 | 0.05 | 0.5 | ±0.1 | 8000 | 200 | 2.8×10¯⁵ | 高强度铝合金 | 阳极氧化处理 | 7 |
DPC-19×20 | 1.5 | 0.05 | 0.5 | ±0.1 | 8000 | 270 | 6.2×10¯⁵ | 11 | ||
DPC-24×25 | 2.2 | 0.05 | 0.5 | ±0.1 | 6200 | 790 | 2.0×10¯⁵ | 22 | ||
DPC-29×30 | 3 | 0.05 | 0.5 | ±0.1 | 5000 | 1400 | 5.2×10¯⁵ | 40 | ||
DPC-34×35 | 4.5 | 0.05 | 0.5 | ±0.1 | 4300 | 2200 | 1.1×10¯4 | 61 |
注:必须在容许值的范围内使用该联轴器 Note: The coupling must be used within the allowable range
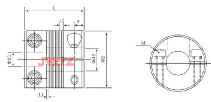
外形尺寸 Overall dimension

参数 | 常用d1,d2,轴径 | φD | L | L1 | L2 | F | M | 紧固螺 |
DPC-16×17.5 | 3,4,5,6 | 16 | 17.5 | 0.55 | 1.18 | 3 | M2.5 | 1 |
DPC-19×20 | 3,4,5,6,6.35,7,8 | 19 | 20 | 0.55 | 1.18 | 3.4 | M2.5 | 1 |
DPC-24×25 | 4,5,6,6.35,7,8,9,10,11 | 24 | 25 | 0.55 | 1.49 | 4.25 | M3 | 1.5 |
DPC-29×30 | 5,6,6.35,7,8,9,10,11,12,12.7 | 29 | 30 | 0.55 | 1.81 | 5.1 | M3 | 1.5 |
DPC-34×35 | 8,9,9.525,10,11,12,12.7,14,15,16 | 34 | 35 | 0.8 | 2.09 | 6 | M3 | 1.5 |



在线客服