RETZ进口品质 不锈钢顶丝式高刚性十字滑块联轴器
简要描述:RETZ进口顶丝式高刚性十字滑块联轴器(不锈钢)主体轴套采用进口SUS304不锈钢,中间调整环采用铝青铜,体积轻巧,安装方便、免维护
品牌:RETZ美国瑞茨
工况条件:联接机械
温度/压力:2.5-95N.m.
更新时间:2023/03/21
进口顶丝式高刚性十字滑块联轴器(不锈钢) 产品用途 Product use
1.主体轴套采用进口SUS304不锈钢,体积轻巧,安装方便、免维护 The main shaft sleeve is made of imported SUS304 stainless steel, which is lightweight, easy to install, and maintenance free
2.中间调整环采用铝青铜,可抗油污抗腐蚀和电气绝缘 The intermediate adjusting ring is made of aluminum bronze, which is resistant to oil contamination, corrosion, and electrical insulation
3.适应于伺服电机,步进电机 Suitable for servo motors, stepper motors
结构特点 Structural features
具有良好的耐磨,耐腐蚀性,刚性更大 Good wear resistance, corrosion resistance, and greater rigidity
具有良好的耐磨,耐腐蚀性 Good wear and corrosion resistance
滑动式设计,更有效的补偿径向和角向偏差 Sliding design for more effective compensation of radial and angular deviations
可拆式设计,便于安装 Removable design for easy installation
带键槽设计,定位螺丝紧固方式 Keyway design, fastening method of positioning screw
基本参数 Basic parameters and dimensions
参数 | 额定 | 容许 | 容许 | 容许轴 | 最高 | 静态扭 | 惯性矩 | 轴套 | 弹性体 | 表面 | 重量 |
DHG-12×14.4 | 2.5 | 0.3 | 0.6 | ±0.1 | 9000 | 250 | 2.0×10¯⁷ | 304不锈钢 | 进口铝青铜 | 抛光处理 | 8.5 |
DHG-14.5×16.2 | 3 | 0.5 | 0.6 | ±0.1 | 7000 | 800 | 4.5×10¯⁷ | 15 | |||
DHG-16.8×19.7 | 5 | 0.5 | 0.6 | ±0.1 | 6500 | 900 | 1.0×10¯6 | 25 | |||
DHG-20×21.3 | 7 | 0.5 | 0.6 | ±0.1 | 5000 | 2000 | 2.25×10¯⁶ | 37 | |||
DHG-26×25.5 | 10 | 0.8 | 0.6 | ±0.2 | 5000 | 3500 | 7.5×10¯⁶ | 79 | |||
DHG-30×32.8 | 24 | 1 | 0.6 | ±0.2 | 5000 | 5000 | 2.5×10¯⁵ | 122 | |||
DHG-34×34.5 | 32 | 1 | 0.6 | ±0.2 | 3500 | 7500 | 4.0×10¯⁵ | 180 | |||
DHG-38×39.7 | 50 | 1 | 0.6 | ±0.3 | 3500 | 10000 | 5.2×10¯⁵ | 260 | |||
DHG-45×43.6 | 60 | 1 | 0.2 | ±0.3 | 9000 | 65000 | 1.7×10¯⁴ | 400 | |||
DHG-55×49.4 | 90 | 1.2 | 0.2 | ±0.5 | 9000 | 90000 | 3.3×10¯⁴ | 750 | |||
DHG-70×57 | 95 | 1.6 | 0.2 | ±0.6 | 9000 | 170000 | 1.1×10¯³ | 1300 |
注:必须在容许值的范围内使用该联轴器 Note: The coupling must be used within the allowable range
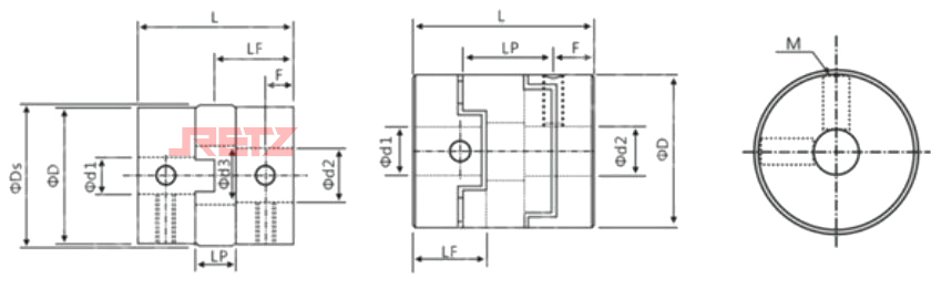
外形尺寸 Overall dimension

参数 | 常用d1.d2.轴径 | φD | φDS | L | LF | LP | F | M | 紧固螺 |
DHG-12×14.4 | 4,5,6,6.35 | 12 | 12.5 | 14.4 | 7.2 | 4 | 2.5 | M3 | 1.2 |
DHG-14.5×16.2 | 4,5,6,6.35 | 14.5 | 15 | 16.2 | 8.1 | 5.4 | 3 | M3 | 1.2 |
DHG-16.8×19.7 | 5,6,6.35,7,8 | 16.5 | 17.5 | 19.7 | 9.8 | 6.3 | 3.2 | M4 | 2.5 |
DHG-20×21.3 | 5,6,6.35,7,8 | 20 | 21 | 21.3 | 10.6 | 7.3 | 3.2 | M4 | 2.5 |
DHG-26×25.5 | 5,6,6.35,8,9,9.525,10,11,12 | 26 | 27 | 25.5 | 12.7 | 7.5 | 3.8 | M4 | 2.5 |
DHG-30×32.8 | 5,6,6.35,8,9,9.525,10,11,12 | 30 | 31 | 32.8 | 16.8 | 8.8 | 5.8 | M4 | 2.5 |
DHG-34×34.5 | 5,6,6.35,8,9,9.525,10,11,12,12.7,14,15,16 | 34 | 35 | 34.5 | 17.2 | 8.5 | 5.8 | M5 | 5 |
DHG-38×39.7 | 5,6,6.35,8,9,9.525,10,11,12,12.7,14,15,16 | 30 | 39 | 39.7 | 19.8 | 9.7 | 7 | M5 | 5 |
DHG-45×43.6 | 8,9,10,11,12,12.7,14,15,16,17,18,19,20,22 | 45 | 48 | 43.6 | 21.8 | 13.6 | 7.5 | M5 | 5 |
DHG-55×49.4 | 10,11,12.7,14,15,16,17,18,19,20,22,24,25 | 55 | 58 | 49.4 | 24.7 | 15.4 | 8.5 | M6 | 8 |
DHG-70×57 | 12,14,15,16,17,18,19,20,22,24,25,28,30,32,35 | 70 | 74 | 57 | 28.5 | 17 | 11 | M8 | 20 |



在线客服