RETZ进口品质 铝合金夹紧式十字滑块联轴器
简要描述:RETZ进口夹紧式十字滑块联轴器(铝合金)胶体材料采用PA66具有良好可抗油污、耐磨耐腐蚀性和电气绝缘性,适应于伺服电机,步进电机
品牌:RETZ美国瑞茨
工况条件:联接机械
温度/压力:0.7-33N.m.
更新时间:2023/03/22
进口夹紧式十字滑块联轴器(铝合金) 产品用途 Product use
1.主体轴套采用铝合金,体积轻巧,安装方便、免维护 The main shaft sleeve is made of aluminum alloy, with lightweight volume, convenient installation, and maintenance free
2.胶体材料采用PA66具有良好可抗油污、耐磨耐腐蚀性和电气绝缘性 Colloidal material made of PA66 has good oil resistance, wear resistance, corrosion resistance, and electrical insulation
3.适应于伺服电机,步进电机 Suitable for servo motors, stepper motors
结构特点 Structural features
滑动式设计,更有效的补偿径向和角向偏差 Sliding design for more effective compensation of radial and angular deviations
可拆式设计,便于安装 Removable design for easy installation
夹紧螺丝紧固方式 Fastening method of clamping screw
基本参数 Basic parameters and dimensions
型号/参数 | 额定 | 容许 | 容许 | 容许轴 | 最高 | 静态扭 | 惯性矩 | 轴套 | 胶片 | 表面 | 重量 |
DHC-16x30 | 0.7 | 0.8 | 3 | ±0.2 | 9000 | 30 | 3.5×10¯⁷ | 高强度铝合金 | PA66 | 阳极氧化处理 | 12 |
DHC-20x33 | 1.2 | 1.2 | 3 | ±0.2 | 7000 | 58 | 1.5x10¯6 | 19 | |||
DHC-25x39 | 2 | 1.6 | 3 | ±0.2 | 6000 | 130 | 3.2×10¯6 | 35 | |||
DHC-32x45 | 4.5 | 2 | 3 | ±0.2 | 4800 | 270 | 1.5x10¯6 | 67 | |||
DHC-40x50 | 9 | 2.4 | 3 | ±0.2 | 3600 | 520 | 4.2x10 ¯5 | 114 | |||
DHC-50x53 | 19 | 2.6 | 3 | ±0.2 | 3000 | 800 | 1.0x10¯⁴ | 190 | |||
DHC-50x58 | 19 | 3 | 3 | ±0.2 | 3000 | 800 | 1.1x10¯⁴ | 215 | |||
DHC-63x71 | 33 | 3 | 3 | ±0.2 | 2500 | 1200 | 3.5x10¯⁴ | 455 |
注:必须在容许值的范围内使用该联轴器 Note: The coupling must be used within the allowable range
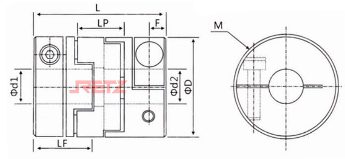
外形尺寸 Overall dimension

参数 | 常用d1,d2,轴径 | φD | L | LF | LP | F | M | 紧固螺 |
DHC-16x30 | 4,5,6,6.35 | 16 | 30 | 12.5 | 12 | 3 | M2.5 | 0.8 |
DHC-20x33 | 5,6,6.35,7,8,9,9.525,10 | 20 | 33 | 14.1 | 12.7 | 3 | M2.5 | 0.8 |
DHC-25x39 | 6,6.35,8,9,9.525,10,11,12 | 25 | 39 | 16.9 | 17.7 | 4.2 | M3 | 1.2 |
DHC-32x45 | 8,9,9.525,10,11,12,12.7,14,15,16 | 32 | 45 | 20 | 20 | 4.5 | M4 | 2.5 |
DHC-40x50 | 8,9,9.525,10,11,12,14,15,16,18 | 40 | 50 | 23 | 20.3 | 7 | M5 | 5 |
DHC-50x53 | 10,11,12,12.7,14,15,16,19,20,22 | 50 | 53 | 24.2 | 22.35 | 7.5 | M6 | 8 |
DHC-50x58 | 10,11,12,12.7,14,15,16,19,20,22 | 50 | 58 | 26.5 | 22.35 | 8 | M6 | 8 |
DHC-63x71 | 15,16,19,20,22,24,25 | 63 | 71 | 32 | 26.2 | 10 | M8 | 20 |



在线客服