RETZ进口品质 单双法兰星形弹性联轴器
简要描述:RETZ进口单、双法兰星形弹性联轴器具有补偿两轴相对位移、减震、缓冲的功能,径向尺寸小、不用润滑、承载能力高等特点
品牌:RETZ美国瑞茨
工况条件:联接机械
温度/压力:35-18690N.m.
更新时间:2023/03/23
进口单、双法兰星形弹性联轴器 产品用途 Product use
1.星形弹性联轴器特点是预应力下无齿隙的连接,应用于主轴传动、升降平台和机床等 Star elastic couplings are characterized by a pre-stressed connection without backlash, and are used in spindle drives, lifting platforms, and machine tools
2.工作环境温度-35~80℃ Working environment temperature - 35~80 ℃
3.以工程塑料作弹性元件,缓冲、减振、耐磨 Using engineering plastics as elastic elements for cushioning, vibration reduction, and wear resistance
结构特点 Structural features
尺寸紧凑,惯性小,承载能力高 Compact size, small inertia, high bearing capacity
具有补偿两轴相对位移、减震、缓冲的功能 It has the function of compensating the relative displacement of two shafts, damping, and buffering
两同轴线、启动频繁、正反转多变的轴系传动 Shaft transmission with two coaxial lines, frequent starting, and variable forward and reverse rotation
不必移动主动端及从动端设备进行弹性体更换 It is not necessary to move the active and driven end equipment for elastomer replacement
拆下法兰就可径向安装,非常方便 Remove the flange and install it radially, which is very convenient
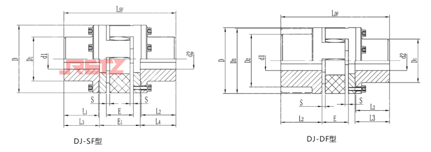
基本参数 Basic parameters and dimensions

型号 | 公称扭矩 | 许用转速 | 轴孔直径 | D | D1 | D2 | D3 | E | E1 | S | L1 | L3 | LSF | LDF |
mm | ||||||||||||||
DJ24F | 35 | 14000 | 8-24 | 55 | 36 | 40 | 55 | 18 | 33 | 2.0 | 30 | 30.5 | 94 | 86 |
DJ28F | 95 | 11800 | 8-28 | 65 | 42 | 48 | 65 | 20 | 39 | 2.5 | 35 | 35.5 | 110 | 100 |
DJ38F | 190 | 9500 | 10-38 | 80 | 52 | 66 | 78 | 24 | 43 | 3.0 | 45 | 45.5 | 134 | 124 |
DJ42F | 265 | 8000 | 10-42 | 95 | 62 | 75 | 94 | 26 | 48 | 3.0 | 50 | 51 | 150 | 138 |
DJ48F | 310 | 7100 | 10-48 | 105 | 70 | 85 | 104 | 28 | 50 | 3.5 | 56 | 57 | 164 | 152 |
DJ55F | 410 | 6300 | 15-55 | 120 | 80 | 98 | 118 | 30 | 60 | 4.0 | 65 | 66 | 192 | 176 |
DJ65F | 625 | 5600 | 15-65 | 135 | 94 | 115 | 134 | 35 | 65 | 4.5 | 75 | 76 | 217 | 201 |
DJ75F | 1280 | 4750 | 20-75 | 160 | 108 | 135 | 158 | 40 | 75 | 5.0 | 85 | 86.5 | 248 | 229 |
DJ9OF | 2400 | 3750 | 30-90 | 200 | 142 | 160 | 180 | 45 | 82 | 5.5 | 100 | 101.5 | 285 | 265 |
DJ100F | 3300 | 3350 | 30-115 | 225 | 158 | 180 | 200 | 50 | 97 | 6.0 | 110 | 111.5 | 320 | 295 |
DJ110F | 4800 | 3000 | 40-125 | 255 | 178 | 200 | 230 | 55 | 103 | 6.5 | 120 | 122 | 347 | 321 |
DJ125F | 6650 | 2650 | 40-145 | 290 | 206 | 230 | 265 | 60 | 116 | 7.0 | 140 | 142 | 400 | 370 |
DJ140F | 8600 | 2360 | 40-160 | 320 | 235 | 256 | 300 | 65 | 128 | 7.5 | 155 | 157.5 | 443 | 409 |
DJ160F | 12800 | 2000 | 60-180 | 370 | 270 | 290 | 345 | 75 | 146 | 9.0 | 175 | 177.5 | 501 | 463 |
DJ180F | 18650 | 1800 | 85-200 | 420 | 315 | 325 | 400 | 85 | 159 | 10.5 | 195 | 198 | 555 | 515 |
注:必须在容许值的范围内使用该联轴器 Note: The coupling must be used within the allowable range



在线客服