RETZ进口品质 带制动盘弹性齿式柱销联轴器
简要描述:RETZ进口带制动盘弹性齿式柱销联轴器适用于各种机械联结两同轴线的传动轴,弹性元件是用尼龙,其强度和耐磨性较高,适用有腐蚀的工作环境
品牌:RETZ美国瑞茨
工况条件:联接机械
温度/压力:250-180000N.m.
更新时间:2023/03/23
进口带制动盘弹性齿式柱销联轴器 产品用途 Product use
1.安装维修方便,适应正反转多变,起动频繁的场合 Convenient installation and maintenance, suitable for occasions with variable forward and reverse rotation and frequent starting
2.尼龙柱销为自润材料,不需润滑,不仅节省润滑油,而且净化工作环境 Nylon pin is a self lubricating material that does not require lubrication, not only saving lubricating oil, but also purifying the working environment
3.工作温度-20℃-+70℃ Operating temperature - 20 ℃ -+70 ℃
结构特点 Structural features
1.减振动能差,噪声大。具有一些补偿两轴相对偏移的性能 Poor damping kinetic energy and high noise. It has some performance to compensate for the relative deviation of two axes
2.允许较大的轴向窜动,具有缓冲,减震 耐磨等性能 Allow large axial movement, with cushioning, shock absorption, wear resistance, and other properties
3.弹性元件是用尼龙,其强度和耐磨性较高,且适用于有腐蚀的环境 The elastic element is made of nylon, which has high strength and wear resistance, and is suitable for corrosive environments
4.允许较大的轴向窜动,具有缓冲,减震 耐磨等性能 Allow large axial movement, with cushioning, shock absorption, wear resistance, and other properties
5.钢制动轮外圆表面经淬火处理 The outer circular surface of the brake wheel is hardened
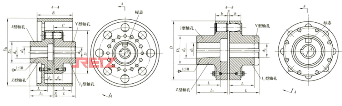
基本参数 Basic parameters and dimensions

柱销材料为MC尼龙6,为改善柱销与孔的接角条件及补偿性能,柱销的一端制成鼓形The material of the pin is MC nylon 6. In order to improve the contact condition and compensation performance between the pin and the hole, one end of the pin is made into a drum shape

型号 | 公称 | 许用 | 轴孔直径 | 轴孔长度 | D | S | 许用补偿量 | 转动 | 重量 | ||||
Y型 | J1、J、Z型 | 轴向 | 径向 | 角向 | |||||||||
L | L1 | L | mm | ||||||||||
LX1 | 250 | 8500 | 12、14 | 32 | 27 | 32 | 90 | 2.5 | ±0.5 | 0.15 | ≤0°30' | 0.002 | 2 |
16、18、19 | 42 | 30 | 42 | ||||||||||
20、22、24 | 52 | 38 | 52 | ||||||||||
LX2 | 560 | 6300 | 20、22、24 | 52 | 38 | 52 | 120 | 2.5 | ±1 | 0.15 | ≤0°30' | 0.009 | 5 |
25、28 | 62 | 44 | 62 | ||||||||||
30、32、35 | 82 | 60 | 82 | ||||||||||
LX3 | 1250 | 4750 | 30、32、35、38 | 82 | 60 | 82 | 160 | 2.5 | ±1 | 0.15 | ≤0°30' | 0.026 | 8 |
40、42、45、48 | 112 | 84 | 112 | ||||||||||
LX4 | 2500 | 3870 | 40、42、45、48、50、55、56 | 112 | 84 | 112 | 195 | 3 | ±1.5 | 0.15 | ≤0°30' | 0.109 | 22 |
60、63 | 142 | 107 | 142 | ||||||||||
LX5 | 3150 | 3450 | 50、55、56 | 142 | 107 | 142 | 220 | 3 | ±1.5 | 0.15 | ≤0°30' | 0.191 | 30 |
60、63、65、70、71、75 | 142 | 107 | 142 | ||||||||||
LX6 | 6300 | 2720 | 60、63、65、70、71、75、80 | 142 | 107 | 142 | 280 | 4 | ±2 | 0.2 | ≤0°30' | 0.543 | 53 |
85 | 172 | 132 | 172 | ||||||||||
LX7 | 11200 | 2360 | 70、71、75 | 142 | 107 | 142 | 320 | 4 | ±2 | 0.2 | ≤0°30' | 1.314 | 98 |
80、85、90、95 | 172 | 132 | 172 | ||||||||||
100、110 | 212 | 167 | 212 | ||||||||||
LX8 | 16000 | 2120 | 80、85、90、95 | 212 | 167 | 212 | 360 | 5 | ±2 | 0.2 | ≤0°30' | 2.023 | 119 |
100、110、120、125 | 212 | 167 | 212 | ||||||||||
LX9 | 22400 | 1850 | 100、110、120、125 | 212 | 167 | 212 | 410 | 5 | ±2 | 0.2 | ≤0°30° | 4.386 | 197 |
130、140 | 252 | 202 | 252 | ||||||||||
LX10 | 35500 | 1600 | 110、120、125 | 212 | 167 | 212 | 480 | 6 | ±2.5 | 0.25 | ≤0°30' | 9.76 | 322 |
130、140、150 | 252 | 202 | 252 | ||||||||||
160、170、180 | 302 | 242 | 302 | ||||||||||
LX11 | 50000 | 1400 | 130、140、150 | 252 | 202 | 252 | 540 | 6 | ±2.5 | 0.25 | ≤0°30' | 20.05 | 520 |
160、170、180 | 302 | 242 | 302 | ||||||||||
190、200、220 | 352 | 282 | 352 | ||||||||||
LX12 | 80000 | 1220 | 160、170、180 | 302 | 242 | 302 | 630 | 7 | ±2.5 | 0.25 | ≤0°30° | 37.7 | 714 |
190、200、220 | 352 | 282 | 352 | ||||||||||
240、250、260 | 410 | 330 | |||||||||||
LX13 | 125000 | 1080 | 190、200、220 | 352 | 282 | 352 | 710 | 8 | ±3 | 0.25 | ≤0°30' | 37.71 | 1057 |
240、250、260 | 410 | 330 | |||||||||||
280、300 | 470 | 380 | |||||||||||
LX14 | 180000 | 950 | 240、250、260 | 410 | 330 | 800 | 8 | ±3 | 0.25 | ≤0°30' | 170.6 | 1956 | |
280、300、320 | 470 | 380 | |||||||||||
340 | 550 | 450 | |||||||||||
型号 | 公称 | 许用 | 轴孔直径 | 轴孔长度 | D0 | D | B | B1 | S | 许用补偿量 | 转动 | 重量 | ||||
Y型 | J1、J、Z型 | 轴向 | 径向 | 角向 | ||||||||||||
L | L1 | L | mm | |||||||||||||
LXZ1 | 560 | 5600 | 20、22、24 | 52 | 38 | 52 | 200 | 120 | 85 | 42 | 2.5 | ±1 | 0.15 | ≤0°30' | 2.18 | 11 |
25、28 | 62 | 44 | 62 | |||||||||||||
30、32、35 | 82 | 60 | 82 | |||||||||||||
LXZ2 | 1250 | 3750 | 30、32、35、38 | 82 | 60 | 82 | 200 | 160 | 85 | 40 | 2.5 | ±1 | 0.15 | ≤0°30' | 2.45 | 14 |
40、42、45、48 | 112 | 84 | 112 | |||||||||||||
LXZ3 | 1250 | 2430 | 30、32、35、38 | 82 | 60 | 82 | 315 | 160 | 132 | 66 | 2.5 | ±1 | 0.15 | ≤0°30' | 13.08 | 25 |
40、42、45、48 | 112 | 84 | 112 | |||||||||||||
LXZ4 | 2500 | 2430 | 40、42、45、48、50、56 | 112 | 84 | 112 | 315 | 195 | 132 | 66 | 3 | ±1.5 | 0.15 | ≤0°30' | 16.6 | 40 |
60、63 | 142 | 107 | 142 | |||||||||||||
LXZ5 | 2500 | 1900 | 40、42、45、48、50、56 | 112 | 84 | 112 | 400 | 195 | 168 | 84 | 3 | ±1.5 | 0.15 | ≤0°30' | 49.2 | 59 |
60、63 | 142 | 107 | 142 | |||||||||||||
LXZ6 | 3150 | 1900 | 50、55、56 | 112 | 84 | 112 | 400 | 220 | 168 | 84 | 3 | ±1.5 | 0.15 | ≤0°30' | 57.6 | 69 |
60、63、65、70、71、75 | 142 | 107 | 142 | |||||||||||||
LXZ7 | 3150 | 1900 | 50、55、56 | 112 | 84 | 112 | 500 | 220 | 210 | 105 | 3 | ±1.5 | 0.15 | ≤0°30' | 127.4 | 91 |
60、63、65、70、71、75 | 142 | 107 | 142 | |||||||||||||
LXZ8 | 6300 | 1900 | 60、63、65、70、71、75 | 142 | 107 | 142 | 400 | 280 | 168 | 84 | 4 | ±2 | 0.2 | ≤0°30' | 161.7 | 88 |
80、85 | 172 | 132 | 172 | |||||||||||||
LXZ9 | 6300 | 1500 | 60、63、65、70、71、75 | 142 | 107 | 142 | 500 | 280 | 210 | 105 | 4 | ±2 | 0.2 | ≤0°30' | 129.2 | 113 |
80、85 | 172 | 132 | 172 | |||||||||||||
LXZ10 | 11200 | 1500 | 70、71、75 | 142 | 107 | 142 | 500 | 320 | 210 | 105 | 4 | ±2 | 0.2 | ≤0°30' | 156 | 156 |
80、85、90、95 | 172 | 132 | 172 | |||||||||||||
100、110 | 212 | 167 | 212 | |||||||||||||
LXZ11 | 11200 | 1220 | 70、71、75 | 142 | 107 | 142 | 630 | 320 | 265 | 132 | 4 | ±2 | 0.2 | ≤0°30' | 314 | 187 |
80、85、90、95 | 172 | 132 | 172 | |||||||||||||
100、110 | 212 | 167 | 212 | |||||||||||||
LXZ12 | 16000 | 1220 | 80、85、90、95 | 172 | 132 | 172 | 630 | 360 | 265 | 132 | 5 | ±2 | 0.2 | ≤0°30' | 328 | 326 |
100、110、120、125 | 212 | 167 | 212 | |||||||||||||
LXZ13 | 22400 | 1080 | 100、110、120、125 | 212 | 167 | 212 | 710 | 410 | 298 | 149 | 5 | ±2 | 0.2 | ≤0°30' | 713 | 337 |
130、140 | 252 | 202 | 252 | |||||||||||||
LXZ14 | 35500 | 1080 | 110、120、125 | 212 | 167 | 212 | 710 | 480 | 298 | 149 | 6 | ±2.5 | 0.25 | ≤0°30' | 849 | 458 |
130、140、150 | 252 | 202 | 252 | |||||||||||||
160、170、180 | 302 | 242 | 302 | |||||||||||||
LXZ15 | 35500 | 950 | 110、120、125 | 212 | 167 | 212 | 800 | 480 | 335 | 168 | 6 | ±2.5 | 0.25 | ≤0°30' | 1231 | 504 |
130、140、150 | 252 | 202 | 252 | |||||||||||||
160、170、180 | 302 | 242 | 302 | |||||||||||||
注:必须在容许值的范围内使用该联轴器 Note: The coupling must be used within the allowable range



在线客服