RETZ进口品质 WGP带制动盘齿式联轴器
简要描述:RETZ进口带制动盘齿式联轴器(WGP)有一个制动盘,可通过控制制动盘的转速来调节机器的转动速度
品牌:RETZ美国瑞茨
工况条件:联接机械
温度/压力:710-160000N.m.
更新时间:2023/03/27
进口带制动盘齿式联轴器(WGP) 产品用途 Product use
1.WGP带制动盘鼓形齿式联轴器是齿式联轴器的改进型,相对于直齿联轴器来说可允许大的角位移,可齿的接触条件,提高传递转矩的能力,延长使用寿命,具有角位移时沿齿宽的接触状态,由齿数相同的内齿圈和带外齿的凸缘半联轴器等零件组成。
WGP drum type gear coupling with brake disc is an improved type of gear coupling, which allows large angular displacement compared to straight tooth couplings, improves tooth contact conditions, improves the ability to transmit torque, extends service life, and has a contact state along the tooth width during angular displacement. It is composed of internal gear rings with the same number of teeth, flange half couplings with external teeth, and other components.
2.带制动盘鼓形齿式联轴器在工作时,两轴产生相对角位移,内外齿的齿面周期性作轴向相对滑动,必然形成齿面磨损和功率消耗,因此,齿式联轴器需在有良好和密封的状态下工作。齿式联轴器径向尺寸小,承载能力大,常用于低速重载工况条件的轴系传动,并经动平衡的齿式联轴器可用于高速传动
When working with a drum type gear coupling with brake discs, the two shafts produce relative angular displacement, and the tooth surfaces of the inner and outer teeth periodically slide axially relative to each other, inevitably resulting in tooth surface wear and power consumption. Therefore, the gear coupling needs to operate in a good and sealed state. Toothed couplings have small radial dimensions and large load carrying capacity, and are commonly used for shafting transmission under low speed and heavy load conditions. Dynamically balanced tooth couplings can be used for high-speed transmission
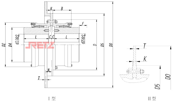
基本参数 Basic parameters and dimensions

型号 | 额定 转矩 N·m | 许用 转速 rpm | 轴孔 直径 d1、d2、dz | 轴孔长度L | D0 | D | D2 | D4 | B | F | N** | C* | 转动 惯量 kg·m2 | 重量kg | |
Y | J1、Z1 | ||||||||||||||
WGP1 | 710 | 4000 | 12,14 | 32 | — | 315 | 122 | 98 | 60 | 58 | 30 | 38 | 30 | 0.0078 | 5.62 |
16,18,19 | 42 | — | 20 | ||||||||||||
20,22,24 | 52 | — | 10 | ||||||||||||
25,28 | 62 | 44 | 3 | ||||||||||||
30,32,35,38 | 82 | 60 | |||||||||||||
40,42 | 112 | 84 | |||||||||||||
WGP2 | 1250 | 4000 | 22,24 | 52 | — | 315 | 150 | 118 | 77 | 68 | 30 | 38 | 20 | 0.022 | 9.62 |
25,28 | 62 | — | 10 | ||||||||||||
30,32,35,38 | 82 | 60 | 3 | ||||||||||||
40,42,45,48, 50,55,56 | 112 | 84 | |||||||||||||
WGP3 | 2500 | 3550 | 22,24 | 52 | — | 355 | 170 | 140 | 90 | 80 | 30 | 49 | 33 | 0.047 | 16.6 |
25,28 | 62 | — | 23 | ||||||||||||
30,32,35,38 | 82 | 60 | 3 | ||||||||||||
40,42,45,48, 50,55,56 | 112 | 84 | |||||||||||||
60,63 | 142 | 107 | |||||||||||||
WGP4 | 4500 | 2500 | 30,32,35,38 | 82 | — | 400 450 500 | 200 | 160 | 112 | 90 | 30 | 45 | 13 | 0.098 | 25.3 |
40,42,45,48, 50,55,56 | 112 | 84 | 3 | ||||||||||||
60,63,65, 70,71,75 | 142 | 107 | |||||||||||||
80 | 172 | 132 | |||||||||||||
WGP5 | 7100 | 2500 | 30,32,35,38 | 82 | — | 400 450 500 | 225 | 180 | 128 | 100 | 30 | 45 | 23 | 0.174 | 34.7 |
40,42,45,48, 50,55,56 | 112 | 84 | 3 | ||||||||||||
60,63,65, 70,71,75 | 142 | 107 | |||||||||||||
80,85,90 | 172 | 132 | |||||||||||||
WGP6 | 10000 | 2000 | 32,35,38 | 82 | — | 450 500 560 630 | 245 | 200 | 145 | 112 | 30 | 44 | 35 | 0.293 | 51.3 |
40,42,45,48, 50,55,56 | 112 | — | 5 | ||||||||||||
60,63,65, 70,71,75 | 142 | 107 | |||||||||||||
80,85,90,95 | 172 | 132 | |||||||||||||
100 | 212 | 167 | |||||||||||||
号 | 额定 转矩 N·m | 许用 转速 rpm | 轴孔 直径 d1、d2、dz | 轴孔长度L | D0 | D | D2 | D4 | B | F | N** | C* | 转动 惯量 kg·m2 | 重量kg | |
Y | J1、Z1 | ||||||||||||||
WGP7 | 14000 | 1700 | 32,35,38 | 82 | — | 450 500 560 710 | 272 | 230 | 160 | 122 | 30 | 44 | 45 | 0.53 | 68 |
40,42,45,48, 50,55,56 | 112 | — | 15 | ||||||||||||
60,63,65, 70,71,75 | 142 | 107 | 5 | ||||||||||||
80,85,90,95 | 172 | 132 | |||||||||||||
100,110 | 212 | 167 | |||||||||||||
WGP8 | 20000 | 1700 | 55,56 | 112 | — | 500 560 630 710 | 290 | 245 | 176 | 136 | 30 | 44 | 29 | 0.71 | 79 |
60,63,65,70, 71,75 | 142 | 107 | 5 | ||||||||||||
80,85,90,95 | 172 | 132 | |||||||||||||
100,110, 120,125 | 212 | 167 | |||||||||||||
WGP9 | 25000 | 1600 | 65,70,71,75 | 142 | 107 | 560 630 710 800 | 315 | 265 | 190 | 140 | 30 | 58 | 5 | 1.05 | 106.5 |
80,85,90,95 | 172 | 132 | |||||||||||||
100,110,120, 125 | 212 | 167 | |||||||||||||
130,140 | 252 | 202 | |||||||||||||
WGP10 | 40000 | 1600 | 75 | 142 | — | 630 710 800 | 355 | 300 | 325 | 165 | 30 | 58 | 28 | 1.74 | 159 |
80,85,90,95 | 172 | 132 | 5 | ||||||||||||
100,110,120, 125 | 212 | 167 | |||||||||||||
130,140,150 | 252 | 202 | |||||||||||||
160 | 302 | 242 | |||||||||||||
WGP11 | 56000 | 1400 | 85,90,95 | 172 | — | 710 800 900 | 412 | 345 | 256 | 180 | 40 | 58 | 15 | 3.67 | 215 |
110,110,120, 125 | 212 | 167 | 8 | ||||||||||||
130,140,150 | 252 | 202 | |||||||||||||
160,170,180 | 302 | 242 | |||||||||||||
WGP12 | 80000 | 1400 | 120,125 | 212 | 167 | 710 800 900 | 440 | 375 | 288 | 207 | 40 | 58 | 8 | 6.4 | 303 |
130,140,150 | 252 | 202 | |||||||||||||
160,170,180 | 302 | 242 | |||||||||||||
190,200 | 352 | 282 | |||||||||||||
WGP13 | 112000 | 1400 | 140,150 | 252 | 202 | 800 900 | 490 | 425 | 320 | 325 | 50 | 58 | 8 | 10.45 | 291 |
160,170,180 | 302 | 242 | |||||||||||||
190,200,220 | 352 | 282 | |||||||||||||
WGP14 | 160000 | 1200 | 160,170,180 | 302 | 242 | 900 1000 | 545 | 462 | 362 | 265 | 50 | 65 | 10 | 17.48 | 523 |
190,200,220 | 352 | 282 | |||||||||||||
240,250,260 | 410 | 330 | |||||||||||||
注:
重量、转动惯量是按最大轴孔直径Y型孔计算的近似值,未计算制动盘 The weight and moment of inertia are approximate values calculated based on the maximum shaft hole diameter, Y-shaped hole, and the brake disc is not calculated
“*”不同制动盘直径的C、C1、C2值为表中数值再加K/2 "*" The values of C, C1, and C2 for different brake disc diameters are the values in the table plus K/2
“**”N=S-K/2表中数值为D0最大时的计算值,S、K见下表 "* *" N=S-K/2 is the calculated value when the value in the table is D0 maximum. See the following table for S and K
制动盘直径D | T | K | S | D5MAX | 重量kg | 转动惯量 kg·m2 | |||
Ⅰ | Ⅱ | Ⅰ | Ⅱ | Ⅰ | Ⅱ | ||||
315 | 15 | 10 | 42 | 180 | 155 | 8.5 | 6.7 | 0.116 | 0.11 |
355 | 15 | 10 | 54 | 200 | 175 | 11.4 | 9.9 | 0.192 | 0.178 |
400 | 15 | 14 | 54 | 255 | 230 | 15.2 | 12.4 | 0.32 | 0.287 |
450 | 15 | 16 | 54 | 305 | 280 | 19.7 | 15.6 | 0.55 | 0.462 |
500 | 15 | 18 | 54 | 325 | 295 | 25 | 20 | 0.83 | 0.712 |
560 | 15 | 18 | 54 | 350 | 320 | 30.7 | 25.6 | 1.28 | 1.127 |
630 | 15 | 20 | 54 | 400 | 360 | 38.8 | 33 | 2.06 | 1.826 |
710 | 15 | 20 | 54 | 480 | 450 | 46.5 | 39.4 | 3.32 | 2.912 |
800 | 15 | 24 | 70 | 540 | 500 | 67.8 | 52.7 | 5.87 | 4.81 |
900 | 15 | 24 | 70 | 600 | 560 | 86.6 | 70.3 | 9.3 | 7.852 |
1000 | 20 | 30 | 80 | 620 | 560 | 128.8 | 115.1 | 17.4 | 15.65 |



在线客服