RETZ进口品质 带制动轮型蛇形弹簧联轴器
简要描述:RETZ进口带制动轮型蛇形弹簧联轴器结构简单,易拆卸,承受变得载荷范围大,起动安全,噪音低,传动效率高,润滑好
品牌:RETZ美国瑞茨
工况条件:联接机械
温度/压力:125-9000N.m.
更新时间:2023/03/28
进口带制动轮型蛇形弹簧联轴器 产品用途 Product use
1.适用于联接两同轴线的中、大功率的传动轴系,主要应用于碎石机、曲柄往复运动、减速机、冶金、矿山,起重机械等 Suitable for connecting two coaxial lines of medium and high-power transmission shaft systems, mainly used in gravel machines, crank reciprocating motion, speed reducers, metallurgy, mining, lifting machinery, etc
2.选用更耐用的腈化密封圈,可在-30℃一+150℃温度下平衡工作 Choose a more durable nitrile sealing ring, which can work balanced at temperatures ranging from - 30 ℃ to+150 ℃
结构特点 Structural features
1、减振性能好,使用寿命长 Good vibration damping performance and long service life
2、承受变得载荷范围大,起动安全 Large load range and safe starting
3、噪音低,传动效率高,润滑好 Low noise, high transmission efficiency, good lubrication
4、拆装简单,减振性好,使用寿命长 Simple disassembly and assembly, good shock absorption, long service life
5、允许有较大的安装偏差 Large installation deviation is allowed
6、具有一定的补偿两轴相对偏移和减振、缓冲性能 It has certain compensation for the relative deviation of two shafts, as well as damping and buffering performance
7、制动轮直径可以按照客户要求定制 Brake wheel diameter can be customized according to customer requirements
8、弹簧先用高强度的合金钢,经过淬火、回火已达到跟高的韧性和钢性 The spring is first made of high-strength alloy steel, which has been quenched and tempered to achieve higher toughness and rigidity
基本参数 Basic parameters and dimensions

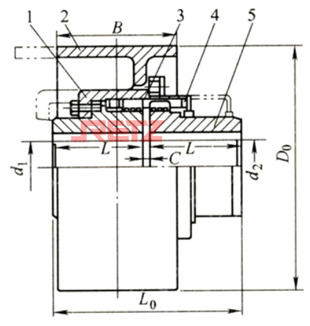
1、5-半联轴节 2 -制动轮 3-罩壳 4 -蛇形弹簧
型号 | 公称 | 许用 | 制动轮 | 轴孔直径d | 轴孔 | C | 重量 | 润滑油 | ||
直径D0 | 宽度B | 半联轴器d1 | 半联轴节d | |||||||
mm | ||||||||||
JSZ1 | 125 | 3820 | 160 | 65 | 12、14、16、18、19 | 54 | 3 | 10.44 | 0.085 | |
20、22、24、25、28、30、32、35、38、40、42、45、48、50 | ||||||||||
JSZ2 | 250 | 2870 | 200 | 70 | 16、18、19 | 76 | 3 | 23.61 | 0.142 | |
20、22、24、25、28、30、32、35、38、40、42、45、48、50、55、56 | ||||||||||
60、63、65 | ||||||||||
JSZ3 | 355 | 2300 | 250 | 90 | 25、28 | 82 | 3 | 28.6 | 0.17 | |
30、32、35、38、40、42、45、48、50、55、56 | ||||||||||
60、63 | 60、63、65、70、71 | |||||||||
JSZ4 | 1000 | 1730 | 315 | 110 | 25、28 | 95 | 5 | 59.93 | 0.284 | |
30、32、35、38、40、42、45、48、50、55、56、60 | 63、65、70、71、75 | |||||||||
80、85 | 80、85、90、95 | |||||||||
JSZ5 | 1400 | 1350 | 400 | 140 | 25、28、30、32、35、38 | 98 | 5 | 85.806 | 0.34 | |
40、42、45、48、50、55、56 | ||||||||||
60、63、65、70、71、75、80、85、90、95、100 | ||||||||||
JSZ6 | 2800 | 1145 | 500 | 180 | 40、42、45、48、50、55、56 | 124 | 5 | 144.372 | 0.681 | |
60、63、65、70、71、75、80、85、90、95 | ||||||||||
100、110、120 | 100、110、120、125 | |||||||||
JSZ7 | 5600 | 915 | 630 | 225 | 60、63、65、70、71、75 75 | 130 | 6 | 255.6 | 1.248 | |
80、85、90、95、100、110、120、125、130、140 | ||||||||||
150、160 | 150 | |||||||||
JSZ8 | 9000 | 820 | 710 | 255 | 75、80、85、90、95 | 190 | 6 | 485.326 | 3.632 | |
100、110、120、125、130、140、150、160、170、180 | ||||||||||
190 190、200 | ||||||||||
注:必须在容许值的范围内使用该联轴器 Note: The coupling must be used within the allowable range



在线客服