RETZ进口品质 燃气紧急切断电磁阀(带手动控制)
简要描述:RETZ进口快速紧急切断电磁(手动控制)广泛应用在工业炉窑、锅炉、燃气管网、加气站、燃气泄漏报警系统、安全保护系统、消防报警系统等城市或工厂易燃易爆介质切断
品牌:RETZ美国瑞茨
工况条件:紧急切断
温度/压力:P-T: 10bar@150℃
更新时间:2023/04/11
产品描述 Product Description
进口快速紧急切断电磁手动复位开阀,交(直)流电脉冲驱动关阀且开关状态自保持的隔爆型防爆电磁阀。它是燃气管道的安全紧急切断装置。它可与燃气泄漏报警器系统连接或消防及远程自动/手动紧急切断气源确保用气安全。当发生燃气泄漏、报警器报警给电磁阀通电时,阀门会自动关闭。开阀需经人工手动开启,满足安全管理规范,符合燃气事故处理要求。
An explosion-proof solenoid valve with manual reset for opening the imported gas quick cut-off solenoid valve, AC (DC) electric pulse drive for closing the valve, and self maintaining switch status. It is a safety emergency cut-off device for gas pipelines. It can be connected to the gas leakage alarm system or remotely cut off the gas source automatically/manually to ensure gas safety. When a gas leak occurs and an alarm is triggered to energize the solenoid valve, the valve will automatically close. Opening the valve requires manual opening, meeting safety management standards and gas accident handling requirements.

工作原理
常开型:Normally open type
在平常工作中阀门处于开启状态,线圈处于断电状态,不消耗电能。当泄漏事故发生时,报警器向线圈输入电源,动铁芯吸合,
连杆失去支撑,在弹簧和活塞重力的作用下快速关闭主阀口,切断燃气源,并进入自锁状态。此时撤去电源,阀门仍处于关闭状态,不会自动打开。当工作人员处理完事故,拧开防护罩,线圈无电后,需人工将拉杆拉起,管网恢复正常供气。
In normal work, the valve is in the open state and the coil is in the power off state, without consuming electrical energy. When a leakage accident occurs, the alarm inputs power to the coil, the moving iron core is pulled in, and the connecting rod loses support. Under the action of the spring and piston gravity, the main valve port is quickly closed, the gas source is cut off, and it enters a self-locking state. At this point, the power supply is removed and the valve is still closed and will not automatically open. When the staff have handled the accident, unscrew the protective cover, and the coil has no electricity, they need to manually pull up the pull rod to restore normal gas supply to the pipeline network.
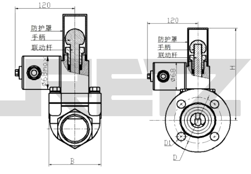
1:当阀需要打开时,旋下防护罩(如防护罩中间有螺纹孔型,将他旋在联动杆上当手柄使用),用力拉手柄,阀打开When the valve opens when needed, under the guard rotation,(If the middle guard screw hole, his spin rod when the handle used in the linkage), Pull handle, valve open..
2:当阀需要关闭时,线圈通电不超过30秒,阀1秒内迅速关闭 When the valve needs to be closed, the coil is energized for no more than 30 seconds and the valve quickly closes within 1 second
特殊功能:Special functions
信号反馈:当电磁阀打开时,信号公共线和开信号线接通;当电磁阀关闭时,信号公共线和关信号线接通 Signal feedback: When the solenoid valve is opened, the signal common line and the open signal line are connected; When the solenoid valve is closed, the signal common line and the off signal line are connected
手动功能:安全阀需要关闭时,旋下手动防护罩,用力按手动柄,电磁阀关闭 Manual function: When the safety valve needs to be closed, unscrew the manual protective cover and press the manual handle firmly to close the solenoid valve
技术参数 technical parameter
动作类型 | 直动式、先导式、零压差式 |
控制方式 | 常开-手动复位、常闭-手动复位 |
连接口 | G(标准)、RF |
适用介质 | 可燃气体、超低温、腐蚀性、易燃易爆等流体 |
流体黏度 | ≤50mm²/s |
阀体材质 | 黄铜、铸钢、不锈钢(304、316)、铝合金 |
接线方式 | 塑封线盒插头、铁罩引线 |
介质温度 | -200-120℃ |
环境温度 | -10~50℃(防爆型-20℃~40℃) |
标准电压 | 24-380VAC、12-220VDC |
电压变化 | ±10% |
防护等级 | 防水、防爆、(E4xd II CT5)、防腐 |
安装方式 | 最好使线圈朝上 |
可选配置 | 防爆型、信号反馈、手动装置,关闭时间≤1秒 |
规格尺寸 | 3/8-8” |
适应压力 | 0-250Bar |
安装方式示意图




在线客服