RETZ进口品质 电动控制阀
简要描述:RETZ进口电动控制阀装置于管路中,取代启闭闸阀或蝶阀用的大型电动操作机,可作为遥控开启或关闭的作用,同时可加装速度调控装置
品牌:RETZ美国瑞茨
工况条件:电磁控制
温度/压力:P-T: 25bar@100℃
更新时间:2023/04/14
产品描述 Product Description
进口电动控制阀阀体采用流线型设计、流体阻力小、流量大、密封效果好。在主阀上配装了以电磁阀为导阀的外接导管控制系统,利用水力操作,常用于给排水及工业系统中的自动控制,作业遥控开启和关闭的阀门,同时可加装速度调控装置。可取代用启闭间阀蝶阀的大型电动装置,且体积小、重量轻、维修简单、使用方便、安全可靠。
The imported electric control valve body adopts streamline design, with small fluid resistance, large flow and good sealing effect. An external conduit control system with an electromagnetic valve as the guide valve is installed on the main valve, which utilizes hydraulic operation and is commonly used for automatic control in water supply and drainage and industrial systems. The valve can be remotely opened and closed during operation, and a speed control device can also be installed. It can replace large electric devices that use butterfly valves in the opening and closing rooms, and has small size, light weight, simple maintenance, convenient use, and safety and reliability.
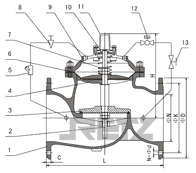
结构和主要零件材质 Structure and main component materials
电动控制阀为膜片式和活塞式两种,由主阀、针阀、球阀、电磁向导阀等组成 Electric control valves are available in two types: diaphragm type and piston type, consisting of main valve, needle valve, ball valve, electromagnetic guide valve, etc

主要零件材质 Main component materials
编号No. | 零件名称Name | 主 要 材 质Material |
1 | 阀盖 | 灰铸铁、球墨铸铁、碳素钢、不锈钢 |
2 | 压缩弹簧 | 硅锰钢、铬钒钢、不锈钢 |
3 | 膜片压板 | 黄铜、碳素钢、球墨铸铁 |
4 | 膜片 | 丁晴橡胶 |
5 | 阀杆 | 不锈钢 |
6 | 阀板 | 黄铜、碳素钢、球墨铸铁 |
7 | 密封圈 | 丁晴橡胶 |
8 | 阀座 | 黄铜、不锈钢、碳素钢 |
9 | 阀板压板 | 黄铜、碳素钢、球墨铸铁 |
10 | 阀体 | 灰铸铁、球墨铸铁、碳素钢、不锈钢 |
工作原理 working principle
当水泵开始工作时阀门进水端的水流依次通过微型过滤器5、针阀8、压力控制室、电磁向导阀12、球阀13排泄到出水端。此时电
磁向导阀通电(电磁阀与水泵电机工作同步),处于常开状态。而由于针阀8阀门开度小,并且入口导管比出口导管直径小,所以控制室内的排泄速度大于补水速度。因此,控制室内的压力减少,一直作用在主阀瓣下面的入口压力将主阀瓣托起,从而打开主阀向下游供水。当需要停止供水时,水泵电机停止工作,电磁向导阀由于断电处于常闭状态,由于下游的水开始回流,和阀瓣的自重使截流口迅速关闭90%,剩余10%利用导管把阀后压力传到控制室,由于电磁向导阀的作用,上水控的压力逐渐增大,最终使主阀瓣严密关闭,防止了下游的水回流,维护了水泵电机,也起到了缓闭消声的作用。
When the water pump starts working, the water flow at the inlet end of the valve is sequentially discharged to the outlet end through the micro filter 5, needle valve 8, pressure control room, electromagnetic guide valve 12, and ball valve 13. At this point, the electromagnetic guide valve is energized (the electromagnetic valve and the water pump motor work synchronously) and is in a normally open state. Due to the small opening of needle valve 8 and the smaller diameter of the inlet duct compared to the outlet duct, the discharge speed in the control room is greater than the water replenishment speed. Therefore, the pressure in the control room decreases, and the inlet pressure that has been acting below the main valve disc lifts the main valve disc, thereby opening the main valve to supply water downstream. When the water supply needs to be stopped, the water pump motor stops working, and the electromagnetic guide valve is in a normally closed state due to power outage. Due to the downstream water starting to flow back, and the weight of the valve disc, the cut-off port is quickly closed by 90%. The remaining 10% uses a conduit to transmit the pressure behind the valve to the control room. Due to the function of the electromagnetic guide valve, the pressure of the upper water control gradually increases, ultimately causing the main valve disc to be tightly closed, preventing the downstream water from flowing back, and maintaining the water pump motor, It also plays a role in slow closing and noise reduction.
全关闭状态:当主阀进口端水压分别进入阀体及控制室,且主阀的外部球阀同时关闭,此时主阀处于关闭状态。
Fully closed state: When the water pressure at the inlet end of the main valve enters the valve body and control room respectively, and the external ball valve of the main valve is closed at the same time, the main valve is in a fully closed state

全开启状态:当主阀外部的球阀全开后,此时控制室内水压全部释放到管路下游,而主阀也呈现为开启状态。
Fully open state: When the ball valve outside the main valve is fully open, all the water pressure in the control room is released to the downstream of the pipeline, and the main valve also shows a fully open state

浮动调节状态:调节主阀外部的球阀开度,使进水端流向控制室的水流和控制室流向下游的水流达到平衡,此时主阀处于调节浮动状态。
Floating adjustment state: Adjust the opening of the ball valve outside the main valve to balance the water flow from the inlet end to the control room and the water flow from the control room to the downstream. At this time, the main valve is in the floating adjustment state

流量示意图 Flow diagram

安装与调试 Installation and debugging

1、主阀安装于水池或高位水塔的进水管上,最佳安装方式是水平安装在管线上,阀盖朝上,其它安装方式也可达到操作功能。
2、安装前要清除管道内的杂物,彻底冲洗管道。安装时注意阀体水流标示箭头遵循方向安装。
3、主阀前应装一只闸阀和一只过流器,主阀后也要装一只间阀,以便于维修。
4、试水时要慢慢开启主阀前的闸阀,慢慢增加压力,同时注意阀体外的控制管路是否漏水。主阀导管进口处的微型过滤器要2-3个月清洗一次



在线客服