RETZ进口品质 蓄能器式液控止回蝶阀
简要描述:RETZ进口蓄能器式液控止回蝶阀储能罐式液控蝶阀主要用于水电站、自来水、电力、石油、化工、冶金、矿山等各类泵站以及水轮机进口或水泵出口管路作截止、止回、调节之用
品牌:RETZ美国瑞茨
工况条件:开启/截止/节流
温度/压力:P-T: 16bar@100℃
更新时间:2023/04/22
用途 use to
进口蓄能器式液控止回蝶阀应用于水泵出口时,与水泵实现泵阀联动,方便实现先启泵后开阀;在停泵或水泵事故跳闸时能实现两级关闭,对停泵过程中产生的升压造成的水锤危害,水泵机组倒转等有显著的消除和抑制作用,是保证水泵机组和管网系统安全可靠运行的有效设备。
When the imported accumulator type hydraulic control check butterfly valve is applied at the outlet of the water pump, it achieves pump valve linkage with the water pump, making it convenient to start the pump first and then open the valve; The two-stage shutdown can be achieved in the event of pump shutdown or pump accident tripping, which significantly eliminates and suppresses the water hammer hazards caused by pressure rise during pump shutdown and the reverse rotation of the pump unit. It is an effective equipment to ensure the safe and reliable operation of the pump unit and pipeline system.
性能参数 performance parameter
公称压力 | 密封试验 | 强度试验 | 工作温度(℃) | 适用介质 | 开关时间 | 关阀角度 | |
快关 | 慢关 | ||||||
0.25 | 0.275 | 0.375 | X≤135 | 水、油及其它 | 1.2~60 | 70°+5 | 20°±5 |
0.6 | 0.66 | 0.9 | |||||
1 | 1.1 | 1.5 | |||||
1.6 | 1.76 | 2.4 | |||||
原理 principle
1.依靠蓄能器内的能量自动关阀 Relying on the energy in the accumulator
2.密封可靠、流阻系数小 Reliable seal and small resistance coefficient
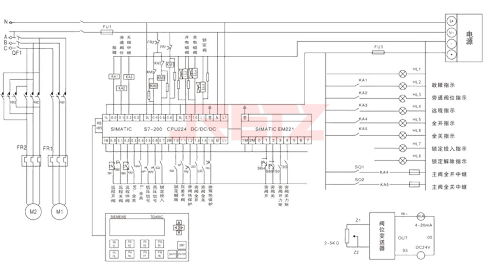
3.采用PLC智能控制系统,可实现文本、触摸屏等多种人性化操作界面 The PLC intelligent control system can realize various humanized operation interfaces such as text and touch screen
4.可以实现远程、本地控制 Remote and local control can be achieved.
5.能按预定程序实现与其他管路设备联动操作 It can realize the linkage operation with other pipeline equipment according to the predetermined procedure
6.具有快、慢可调的关闭功能 Has a fast and slow and adjustable shutdown function
7.具有截止、止回功能 With cut-off and check functions.
8.关闭时能实现缓闭功能,有效消除水锤危害,保护水轮机、水泵及管网系统的安全 When closing, it can realize the slow closing function, effectively eliminate the harm of water hammer, and protect the safety of water turbine, water pump and pipe network system
主要构件材料 Main component materials
名称 | 材料 |
阀体 | 碳素钢、球墨铸铁 |
蝶板 | 碳素钢、球墨铸铁 |
阀轴 | 不锈钢、碳素钢 |
阀体密封圈 | 不锈钢 |
蝶板密封圈 | 不锈钢、优质橡胶 |
填料 | 柔性石墨、V形密封圈 |
液压系统电磁换向阀控制特征一般为正作用型The control characteristics of the electromagnetic reversing valve of the hydraulic system are generally the positive action type.
即:电磁阀得电蝶阀开阀、失电蝶阀关阀为反作用型,即电磁阀失电蝶阀开阀、得电蝶阀关阀、常规配套电磁换向阀为正作用型, 采用反作用型应在订货时说明。
Namely: the solenoid valve got electric butterfly valve open valve, electric butterfly valve closing valve is counterproductive type, that is, the solenoid valve lost electric butterfly valve open valve, electric butterfly valve closing valve, conventional supporting electromagnetic change valve is positive type, The reaction type shall be indicated when ordering.
卧式布置时,传动机构-般采用正向安装;受现场空间限制时也可根据用户要求采用反装型(即传动装置位于阀体的另一侧)
For horizontal arrangement, the transmission mechanism adopts forward installation, or according to the requirements of the user (namely, the transmission device is located on the other side of the valve body
蓄能器式液控止回蝶阀(正装型)Accumulator type liquid control check butterfly valve (form)

蓄能器式液控止回蝶阀(反装型)Accumulator type liquid control check butterfly valve (reverse loading type)

蓄能器式液控止回蝶阀电气原理图 Electrical schematic diagram of hydraulic hammer-controlled butterfly valve




在线客服