RETZ进口品质 4WRA比例换向阀
简要描述:RETZ进口4WRA(E)-2X 比例换向阀直动式比例阀,可用于控制流量和方向通径6、10/压力至31.5MPa/流量至75L/min Imported
品牌:RETZ美国瑞茨
工况条件:比例换向阀
温度/压力:P-T:315bar-60℃
更新时间:2022/08/08
4WRA(E)..-2X…型阀为直控式比例换向阀,通径6、10/压力至31.5MPa/流量至75L/min 4wra (E).. - 2x... Type valve is a direct control proportional directional valve with a diameter of 6, 10 / pressure of 31.5Mpa / flow of 75L / min
功能说明 Function description
4WRA(E)..-2X…型阀为直控式比例换向阀,板式结构由可单独拆卸线圈的螺纹比例电磁铁控制电磁铁的控制可以通过外部放大器(WRA-2X型)或内置放大器(WRAE-WX型)。该阀由阀体(1)、阀芯(2)、弹簧(3)、弹簧(4)、比例电磁铁(5)及可选内置入大器(6)组成 retz品牌 4wra (E).. - 2x... Valve is a direct control proportional directional valve. The plate structure is controlled by a screw proportional solenoid with a detachable coil. The solenoid can be controlled by an external amplifier (wra-2x) or a built-in amplifier (wrae-wx). The valve is composed of valve body (1), valve core (2), spring (3), spring (4), proportional electromagnet (5) and optional built-in amplifier (6)
WRA-2X型三位阀电磁铁未通电时,阀芯(2)由复位弹簧(3)保持中位。当电磁铁A通电时,电磁铁推杆直接推动阀芯(2)右移,位移量与电信号成正比,使阀芯的R槽逐渐打开,从而控制液流流量,若断电时阀芯靠复位弹簧复位 When the solenoid of wra-2x three position valve is not energized, the valve element (2) is held in the middle position by the return spring (3). When the electromagnet A is energized, the electromagnet push rod directly pushes the valve core (2) to move to the right, and the displacement is proportional to the electric signal, so that the R groove of the valve core is gradually opened to control the liquid flow. If the power is cut off, the valve core is reset by the reset spring

4WRA.A-2X.两位阀与三位阀结构原理相同。只是这类阀只有一个电磁铁"a",第二个电磁铁的位置装上一个丝堵(7)4WRA.A-2X. The structure and principle of two position valve and three position valve are the same. This type of valve only has one electromagnet "a", and a screw plug (7) is installed at the position of the second electromagnet
4VRA(E).-2X…比例换向阀采用板式连接,弹簧对中;阀体采用铸造内流道通流能力强,重复精度好,底板安装尺寸电磁阀相同,通用性好;广泛应用于机床、轻工、冶金、矿山、航天等各领域 4VRA(E).- 2X... Proportional directional valve adopts plate connection and spring centering; The valve body is made of cast inner channel with strong flow capacity, good repeatability, the mounting size of the bottom plate is the same as that of the solenoid valve, and good versatility; It is widely used in machine tools, light industry, metallurgy, mining, aerospace and other fields
注意∶对于4WRA(E)6…-2X…型阀,必须避免回油管路中的由全部排空,必要时在回路中安装背压阀(背压约为0.2MPa)Note: for 4wra (E) 6... - 2x... Type valve, it is necessary to avoid emptying all the oil in the oil return pipeline. If necessary, install a back pressure valve in the circuit (the back pressure is about 0.2MPa)

性能特点 Performance characteristics
●直动式比例阀,可用于控制流量和方向 Direct acting proportional valve for controlling flow and direction
●通过螺纹比例电磁铁实现,线圈可单独拆卸 Realized by screw proportional electromagnet, the coil can be disassembled separately
●板式连接,阀芯由弹簧对中 Plate connection, valve core centered by spring
●带内置放大器,4WRAE型的输入可选A1或F1 With built-in amplifier, 4wrae type input can be A1 or F1
机能符号 Functional symbol

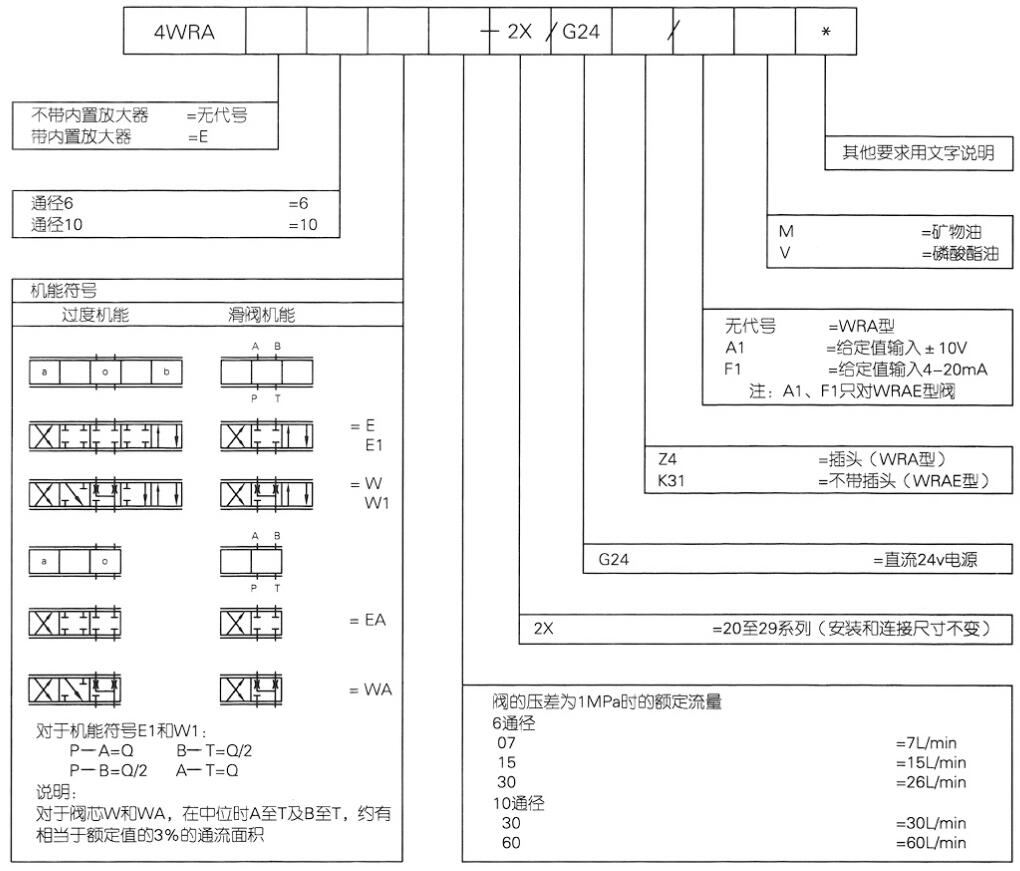
型号说明 Model description

技术参数 Technical parameter
慨述 Express with regret
型号 | WRA | WRAE | |
安装位置 | 任意,建议优先水平安装 | ||
储藏温度℃ | -20至+80 | ||
使用环境温度℃ | -20至+70 | -20至+50 | |
重量 | 通径6Kg | 2 | 2.2 |
通径10Kg | 6.6 | 6.8 | |
液压部分(在P=10MPa,矿物油40℃±5℃时测得)
工作压力 | 油□A,B,PMPa | 至31.5 |
MPa油□T | 至21 | |
额定流量(在压差1MPa下) | 通径6L/min | 7,15和26 |
通径10L/min | 30和60 | |
允许最大流量 | 通径6L/min | 42(双流量回路可大80) |
通径10L/min | 75(双流量回路可达140) | |
液压油 | 矿广物油,磷酸酯油 | |
℃液压油温度范围 | -20至+80(优先选择+40至+50) | |
mm²/s液压油粘度范围 | 20至380(优先选择30至46) | |
过滤精度 | 推荐最小过滤精度β×≥75 X=10 | |
滞环% | ≤5 | |
反向误差% | ≤1 | |
灵敏度% | ≤0.5 | |
电器部分 Electrical part
型号 | WRA | WRAE | |
电压类型 | 直流电压 | ||
给定信号值(WRAE) | 电压输入"A1"V | ±10 | ±10 |
电流输入"F1"mA | 4至20 | 4至20 | |
每个电磁铁最大电流A | 2.5 | 2.5 | |
线圈电阻 | 20℃时的冷值Q | 2 | 2 |
最大热值Q | 3 | 3 | |
通电率% | 100 | ||
绝缘等级 | IP65 | ||
放大器的电器参数 Electrical parameters of amplifier
型号 | WRA | WRAE | |
WRA型 | 欧洲制式的放大器 | VT-VSPA2-1-1X.. | --- |
欧洲制式的数字式放大器 | VT-VSPD-1-1X/. | --- | |
WRAE 型 | --- | 内置于阀内 | |
指令模组 | 模拟式指令模组 | --- | VT-SWMA-1-1X/.. |
模拟式指令模组 | --- | VT-SWMKA-1-1X/. | |
模拟式指令模组 | --- | VT-SWKA-1-1X/. | |
数字式指令模组 | --- | VT-SWKD-1-1X.. | |
电源电压4WRA4WRAE | VDc额定电压 | 24 | 24 |
下限值V | 21/22 | 19 | |
上限值V | 35 | 35 | |
放大器的电流消耗 | lmax | 1.8 | 1.8 |
最大脉冲电流A | 3 | 3 | |



在线客服