RETZ进口品质 SV液控单向阀
简要描述:RETZ(SV,SL)进口液控单向阀都是座式阀 可以由液压开启而允许反向流动此种阀用来隔离局部压力回路,即在管子破裂时防止负载降落的保护,也可防止负载下爬
品牌:RETZ美国瑞茨
工况条件:单向、逆止
温度/压力:P-T: 315bar@60℃
更新时间:2022/12/14
SV,SL液控单向阀 技术参数 Technical paramete
通径(NG)6至30, 压力至31.5MPa ,流量至400L/min Diameter (NG) 6 to 30, pressure to 31.5MPa, flow to 400L/min
(SV,SL)进口液控单向阀特性 characteristic
连接尺寸按DIN124340 Connection size shall be in accordance with DIN124340
底板安装或螺纹连接 Base plate installation or threaded connection
按需要有带泄油口和不带泄油口 With and without oil drain as required
按需要有带先导阀和不带先导阀 With or without pilot valve as required
用先导阀缓冲释压 Use pilot valve to buffer and relieve pressure
可选三种开启压力 Three opening pressures are available
功能说明 Function description
液控单向阀主要包括阀体(1).主阀芯(2).先导阀芯(3).压缩弹簧(4)和控制活塞(5)Hydraulic control check valve mainly includes valve body (1), main valve core (2), pilot valve core (3), compression spring (4) and control piston (5)
SV...PA型(带先导阀,无泄油口)SV... PA type (with pilot valve, without oil drain port)
由A口至B口始终可以自由流动。反方向上则先导阀芯(3)和主阀芯(2)被弹簧(4)和系统压力保持在阀座上。若X口供给压力油.则控制活塞(5)被推向右。首先打开导阀芯(3).在打开主阀芯(2)。于是油液先通过导阀.在通过主阀。为了保证用控制活塞(5)能可靠的操纵阀 需要一定的最低控制压力 Free flow is always possible from port A to port B. In the opposite direction, the pilot valve core (3) and the main valve core (2) are held on the valve seat by the spring (4) and the system pressure. If pressure oil is supplied to port X, the control piston (5) is pushed to the right. First open the guide valve element (3). Then open the main valve element (2). The oil then passes through the pilot valve first Through the main valve. In order to ensure that the control piston (5) can operate the valve reliably, a certain minimum control pressure is required

SL..PB型(不带先导阀,带泄油口)SL.. PB type (without pilot valve, with oil drain port)
在原理上. 此阀与SV型有相同的功能。不同之处在于增加了泄油口Y. 这就可以使控制活塞(5)的环行面积与A口隔离。A口来的油压力只作用在控制活塞(5)的面积A4上.从而有奴降低此条件下所需的控制压力 In principle This valve has the same function as SV type. The difference is that the oil drain port Y is added This isolates the circular area of the control piston (5) from port A. The oil pressure from port A only acts on the area A4 of the control piston (5), thus reducing the control pressure required under this condition.

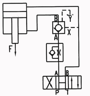
回路示例 Loop example
SV型阀的安装当阀由液压操纵时. A口为零压 Installation of SV type valve when the valve is hydraulically operated Zero pressure at port A

SL型阀的安装当阀由液压操纵时. 由后面的节流阀对A口加压 The installation of the SL valve is when the valve is hydraulically operated Pressurize port A by the throttle valve behind

技术参数 Technical parameter

特性曲线(试验条件:在u=41mm²/S,t=50℃下测得)Characteristic curve (test condition: at u=41mm ²/ S. T=50 ℃)





在线客服