RETZ进口品质 KHBF KHMF法兰式高压球阀
简要描述:RETZ(KHBF,KHMF)进口法兰式高压球阀用于截断液压回路的液流,应用场合有:管道连接,船舶设备,能源供应,电站
品牌:RETZ美国瑞茨
工况条件:开/关
温度/压力:P-T: 315bar@100℃
更新时间:2022/12/24
功能原理 Functional principle
(KHBF,KHMF)进口法兰式高压球阀用来截断工作介质的正反向流动 retz品牌 (KHBF, KHMF) inlet flanged ball valve is used to cut
off the forward and reverse flow of working medium
有两种不同的类型:阀块型KHBF-DN16-25和袖套型KHMF/KHMFFDN32-50 There are two different types: valve block type KHBF-DN16-25 and sleeve type KHMF/KHMFFDN32-50

型号说明 Model Code

1.系列代号 Series code:KHBF系列-阀块型球阀DN16-25,KHMF系列-袖套型球阀 DN32-50 KHBF series valve block type ball valve DN16-25, KHMF series sleeve type ball valve DN32-50
2.公称通径 Nominal diameter:16、20、25、32、40、50mm
3.压力范围 Pressure range:40/63/100/160/250/315bar
4.阀体材料 Valve body material:1-45#、3-316不锈钢;
5.球芯材料 Ball core material:1-45#、3-316不锈钢;
6.工作温度 working temperature:1.-25~+100°C、2.-30~+170°C
7.其他密封 Other seals:1-POM(聚甲醛)、2-丁晴橡胶、4、氟橡胶
8.手柄形式 Handle type:02-铸钢曲手柄、09-不带手柄 02 Cast steel curved handle, 09 Without handle
(KHBF,KHMF)进口法兰式高压球阀 结构 Structure

A.阀体 B.接头体 C.控制芯轴 D.球体 E.紧定螺钉 F.限位垫 G.挡圈 H.法兰
A. Valve body B. Connector body C. Control spindle D. Sphere E. Set screw F. Limit gasket G. Retaining ring H. Flange
性能特点 Performance characteristics
通过控制手柄芯轴上的槽位观察开关位置 Observe the switch position through the slot on the control handle spindle
通过限位销和限位垫限定开关位置无泄漏 There is no leakage through the limit pin and the limit pad to limit the switch position
采用浮球式密封原理,双侧密封全流量通流,以便于介质的无阻尼流动 The floating ball sealing principle is adopted, and the full flow flow is sealed on both sides to facilitate the undamped flow of the medium
可转动法兰以便于装配 Swivel flange for ease of assembly
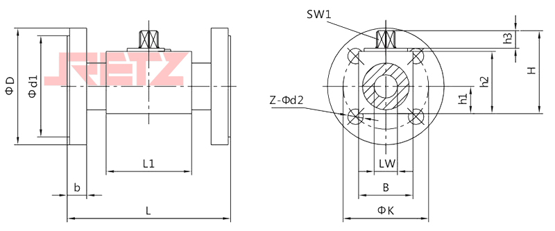
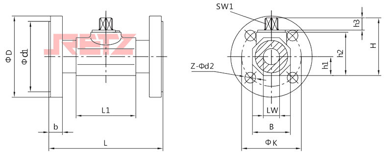
外形尺寸 Overall Dimension
KHBF 法兰式高压球阀


KHMF 法兰式高压球阀


注释:球阀不是设计为流量控制阀,因此要么全开要么全闭以免损坏密封。为确保工作正确,必须满足要求的压力和温度。
Note: The ball valve is not designed as a flow control valve, so it is either fully open or fully closed to avoid damaging the seal. To ensure correct operation, the required pressure and temperature must be met



在线客服