RETZ进口品质 SAE法兰式高压球阀
简要描述:RETZ (KHB-F,KHM-F)进口SAE法兰式高压球阀用于截断液压回路的液流,应用场合有:管道连接,船舶设备,能源供应、液压油路、机械设备、钢铁冶金控制系统中
品牌:RETZ美国瑞茨
工况条件:开/关
温度/压力:P-T: 315bar@100℃
更新时间:2022/12/24
(KHB-F,KHM-F)进口SAE法兰式高压球阀用来截断工作介质的正反向流动,旋转控制芯轴使球体从开启位置切换到关闭位置,系统压力将球体推向密封碗的无压侧并无泄漏地切断液流 retz品牌 (KHB-F, KHM-F) imported SAE flange type high pressure ball valve is used to cut off the positive and negative flow of the working medium, rotate the control spindle to switch the ball from the open position to the closed position, and the system pressure pushes the ball to the non pressure side of the seal bowl to cut off the liquid flow without leakage

有两种不同的类型:
阀块型(KHB-F3-DN16/25 压力:315bar);(KHB-F6-DN16/25 压力:400bar)

袖套型(KHM-F3-DN32/50 压力:250ba); (KHM-F6-DN32/50 压力:315ba)

型号说明 Model description

结构特点 Structural characteristics
通过控制手柄芯轴上的指示槽位观察开关位置 Observe the switch position through the indication slot on the control handle spindle
通过限位销和限位垫限定开关位置 Limit switch position through limit pin and limit pad
无泄漏,不需要手工重调密封件 No leakage, no need to manually readjust the seal
采用浮球式密封原理,双侧密封 The floating ball sealing principle is adopted, with double side sealing
全流量通流便于介质的无阻尼流动 Full flow passage facilitates undamped flow of medium
SAE C法兰便于装配 SAE C flange for easy assembly
两侧O型圈密封 O-ring seal on both sides
可提供不锈钢材质 Available in stainless steel

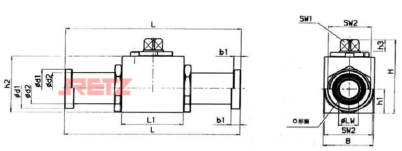
A .阀体 B.接头体 C.控制芯轴 D.球体 E.定位销 F.限位垫 G.挡圈 A. Valve body B. Connector body C. Control spindle D. Ball E. Locating pin F. Limit pad G. Retaining ring
外形尺寸 Overall dimensions
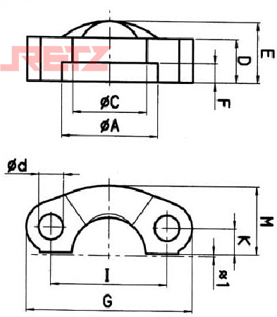
SAE法兰尺寸



KHB外形尺寸

KHM外形尺寸



注释:球阀不是设计为流量控制阀,因此要么全开要么全闭以免损坏密封 Note: The ball valve is not designed as a flow control valve, so it is either fully open or fully closed to avoid damaging the seal
为确保工作正确,必须满足要求的压力和温度参数。必须注意球阀和法兰连接(C法兰)的允许工作压力。供货范围中包括连接侧的O形圈和SAE C法兰。手柄随球阀提供,但未装配。
To ensure correct operation, the required pressure and temperature parameters must be met. Attention must be paid to the allowable working pressure of the ball valve and flange connection (C flange). The scope of supply includes the O-ring and SAE C flange on the connection side. The handle is supplied with the ball valve, but not assembled



在线客服