RETZ进口品质 角行程电动执行器
简要描述:RETZRCD进口开关型,调节型,智能型角行程电动执行器充分保证了该产品性能的稳定性,具有高智能、高防护性能、体积小、集成度高、使用寿命长、性能稳定等特点。可现场操作,也可远距离控制,适应于90°旋转的球阀、蝶阀、风门档板等其他适合于90°旋转的设备。满足工业自动化控制管路的各种要求
品牌:RETZ美国瑞茨
工况条件:电动执行器
温度/压力:P-T: 10bar@70℃
更新时间:2023/01/12
产品特点 Product features
1、功能强劲:智能调节型、比例型、开关型、各类信号输出型应有尽有 Powerful functions: intelligent adjustment type, proportional type, switch type, various signal output types
2、体小量轻:体积和重量仅相当于传统产品的35%左右 Small size and light weight: the volume and weight are only about 35% of that of
traditional products
3、美观大方:铝合金压铸外壳、精美流畅、且可减少电磁干扰 Beautiful and generous: aluminum alloy die-casting shell, exquisite and smooth, and can reduce electromagnetic interference
4、性能可靠:轴承和电气元件等关键零部件采用进口产品 Reliable performance: key components such as bearings and electrical components are imported products
5、高标防护:IP68高标准防护等级 High standard protection: IP68 high standard protection grade
6、精密耐磨:蜗轮输出轴一体化特殊铜合金锻造、强度高、耐磨性好 Precision wear resistance: Worm gear output shaft is forged with special copper alloy, with high strength and good wear resistance
7、回差极小:一体化结构避免了键联结的间隙、传动精度高 Minimal return difference: the integrated structure avoids the clearance of key connection and has high transmission accuracy
8、配套简单:采用单相电源、外接线路简单、也可做380V、直流电源 Simple matching: single-phase power supply, simple external circuit, 380V, DC power supply
9、使用方便:免加油、免点检、防水防锈、任意角度安装 Convenient to use: no refueling, no spot inspection, waterproof and rust-proof, installation at any angle
10:多种速度:全程时间9秒、13秒、15秒、30秒、50秒、100秒、150秒(出厂前已设定)Multiple speeds: full range time 9 seconds, 13 seconds, 15 seconds, 30 seconds, 50 seconds, 100 seconds, 150 seconds (set before delivery)
11:智能数控:智能控制模块集成于电动执行器本体内,无需外接定位器,数字设定、数字整定、高度精确、自我诊断、一机多能 Intelligent numerical control: the intelligent control module is integrated into the electric actuator body, without external positioner, digital setting, digital setting, high accuracy, self-diagnosis, one machine with multiple functions
结构图 Structure diagram

序号 | 数量 | 零件名称 | 序号 | 数量 | 零件名称 |
1 | 1 | 指示窗罩 | 37 | 4 | 内六角圆柱头螺钉 |
2 | 4 | 内六角圆柱头螺钉 | 38 | 1 | 轴承 |
3 | 1 | 视镜 | 39 | 1 | 蜗杆 |
4 | 1 | O形圈 | 40 | 1 | 平键 |
5 | 1 | 电装-上盖 | 41 | 1 | 轴承 |
6 | 4 | 防脱内六角螺钉 | 42 | 1 | 锁紧螺母 |
7 | 1 | O形圈 | 43 | 1 | 蜗杆齿轮 |
8 | 1 | 十字螺钉 | 44 | 1 | 轴用挡圈 |
9 | 1 | 刻度盘 | 45 | 1 | O形圈 |
10 | 4 | 十字螺钉(组件) | 46 | 1 | 油封 |
11 | 4 | 行程开关 | 47 | 6 | 防脱内六角螺钉 |
12 | 2 | 绝缘护板 | 48 | 1 | 十字螺钉(组件) |
13 | 2 | 绝缘垫板 | 49 | 1 | 防尘堵头 |
14 | 4 | 内六角紧定螺钉 | 50 | 1 | 电装-前盖 |
15 | 2 | 行程挡块 | 51 | 1 | 电装-减速盒1 |
16 | 4 | 十字螺钉(组件) | 52 | 3 | 轴承 |
17 | 1 | 电装- 内盖 | 53 | 3 | 电装-减速齿轮组件 |
18 | 1 | 十字螺钉(组件) | 54 | 3 | 轴承 |
19 | 1 | 电容器 | 55 | 1 | 电装-减速盒2 |
20 | 1 | 电装-箱体 | 56 | 5 | 十字螺钉(组件) |
21 | 2 | 限位螺栓 | 57 | 1 | 十字螺钉(组件) |
22 | 2 | 外六角螺母 | 58 | 1 | 刻度盘指针 |
23 | 1 | 防水电缆接头 | 59 | 1 | 指针杆 |
24 | 1 | 接线端子 | 60 | 1 | 橡胶堵头 |
25 | 2 | 十字螺钉 | 61 | 1 | 波形弹簧垫圈 |
26 | 1 | 十字螺钉 | 62 | 1 | 轴承 |
27 | 1 | O形圈 | 63 | 1 | 绝缘隔离板 |
28 | 4 | 防脱内六角螺钉 | 64 | 1 | 电机定子 |
29 | 1 | 电装-进线盖 | 65 | 1 | 电机转子 |
30 | 1 | 轴承 | 66 | 1 | 轴承 |
31 | 1 | 蜗轮 | 67 | 1 | 绝缘隔离板 |
32 | 1 | 轴承 | 68 | 1 | 电机盖 |
33 | 1 | 油封 | 69 | 1 | 油封 |
34 | 1 | 内六角紧定螺钉 | 70 | 1 | 油封挡板 |
35 | 1 | 连接轴套(ISO5211 | 71 | 2 | 十字螺钉(组件) |
36 | 1 | 安装底座(ISO5211 |
配置与功能 Configuration and function
开关型执行器 Switch type actuator
A、B、F、G、H型控制电路--开关型只有全开和全关极限位置,收到适当指令后,执行器驱动阀门至全开、全关位置。采用S2短时型工作制,连续运转时间
不超过15分钟。
Type A, B, F, G, H control circuit - switch type has only full open and full close limit positions. After receiving appropriate instructions, the actuator drives the valve to full open and full close positions. S2 short-time working system shall be adopted, and the continuous operation time shall not exceed 15 minutes
反馈型执行器 Feedback actuator
C、D型控制电路--执行器在驱动阀门的过程中,同时向中央控制系统全程反馈阀位信号。C型反馈电阻量阀位信号,D型反馈模拟量阀位信号。采用S2短时
型工作制,连续运转时间不超过15分钟。
Type C and D control circuit - the actuator feeds back the valve position signal to the central control system during the process of driving the valve. Type C feedback resistance valve position signal, type D feedback analog valve position signal. S2 short-time working system shall be adopted, and the continuous operation time shall not exceed 15 minutes.
智能调节型执行器 Intelligent regulating actuator
Type E control circuit - the intelligent module is placed inside the actuator, and drives the valve to the appropriate opening position according
to the command of the central control system according to the change of the controlled variables (flow, pressure, temperature, liquid level) in the pipeline. S4 intermittent working system is adopted, and the working frequency can reach 1200 times per hour.
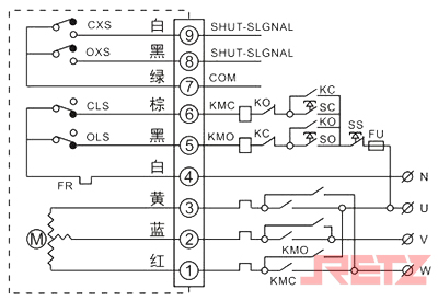
控制电路 Control circuit
普通开关型(A型) | |
通过开关电路实现阀门开启或关闭操作,并输出一组指示阀门全开、 | ![]() |
无源触点型(B型) | |
通过开关电路实现阀门开启或关闭操作,并输出一组指示阀门全开、 | ![]() |
开度信号型(C型) | |
通过开关电路实现阀门开启或关闭操作,并输出与开度位置相对应的 | ![]() |
带位置发送器(D型) | |
通过开关电路实现阀门开启或关闭操作,并同时输出与阀门开闭角度 | ![]() |
智能调节型(E型) | |
| ![]() |
直流开关型(F型) | |
| ![]() |
三 相 开 关 型 ( G 型 ) | ![]() |
三相无源触点型(H型) | |
通过开关电路实现阀门开启或关闭操作,并输出一组指示阀门全开、 | ![]() |
外形尺寸与性能参数 Overall dimensions and performance parameters
RCD-05尺寸与性能参数 RCD-05 Dimensions and performance parameters

型号 | RCD-05 | ||||||
性能 | DC12V | DC24V | DC220V | AC24V | AC110V | AC380V | AC220V |
电机功率 | 20W | 10W | |||||
额定电流 | 3.8A | 2A | 0.21A | 2.2A | 0.48A | 0.15A | 0.24A |
输出力矩 | 30Nm/50Nm | 15Nm/30Nm/50Nm | |||||
运行时间 | 6S/10S | 10S/20S/30S | |||||
控制电路 | A型、B型、C型、D型、E型、F型、G型、H型 | ||||||
回转角度 | 0~360°可调 | ||||||
整机重量 | 2.4Kg | ||||||
绝缘电阻 | 100MΩ/300VDC | 100MΩ/500VDC | |||||
耐压等级 | 500VAC/1分钟 | 1500VAC/1分钟 | |||||
防护等级 | IP67 | ||||||
环境温度 | -25℃~+60℃(其它温度可定做) | ||||||
安装角度 | 360°任意角度安装 | ||||||
壳体材质 | 铝合金精密压铸件 | ||||||
选装功能 | 加热除湿器 | ||||||
RCD-10尺寸与性能参数 RCD-10 Dimensions and performance parameters

型号 | RCD-10 | ||||||
性能 | DC12V | DC24V | DC220V | AC24V | AC110V | AC380V | AC220V |
电机功率 | 40W | 23W | |||||
额定电流 | 4.8A | 2.4A | 0.32A | 3A | 0.64A | 0.19A | 0.32A |
输出力矩 | 100Nm | 50Nm/60Nm/100Nm | |||||
运行时间 | 10S | 13S /15S /20S/30S | |||||
控制电路 | A型、B型、C型、D型、E型、F型、G型、H型 | ||||||
回转角度 | 0~90°可调 | ||||||
整机重量 | 4.2Kg | ||||||
绝缘电阻 | 100MΩ/300VDC | 100MΩ/500VDC | |||||
耐压等级 | 500VAC/1分钟 | 1500VAC/1分钟 | |||||
防护等级 | IP67 | ||||||
环境温度 | -25℃~+60℃(其它温度可定做) | ||||||
安装角度 | 360°任意角度安装 | ||||||
壳体材质 | 铝合金精密压铸件 | ||||||
选装功能 | 过力矩保护、加热除湿器 | ||||||
RCD-20/40/50/60尺寸与性能参数 RCD-20/40/50/60 Dimensions and performance parameters

型号 | RCD-20/40 | RCD-50/60 | ||||||||||
性能
| DC24V | DC220V | AC24V | AC110V | AC380V | AC220V | DC24V | DC220V | AC24V | AC110V | AC380V | AC220V |
电机功率 | 40W/60W | 90W | ||||||||||
额定电流 | 8A | 0.35A | 5A | 0.9A | 0.25A | 0.48A | 7A | 0.9A | 8A | 2A | 0.45A | 0.92A |
输出力矩 | 200Nm | 200Nm/400Nm | 500Nm/600Nm | |||||||||
运行时间 | 10S | 15S/30S/60S | 15S /30S/60S | |||||||||
控制电路 | A型、B型、C型、D型、E型、F型、G型、H型 | |||||||||||
回转角度 | 0~90°可调 | |||||||||||
整机重量 | 7.2Kg | 8Kg | ||||||||||
绝缘电阻 | 100MΩ/300VDC | 100MΩ/500VDC | 100MΩ/300VDC | 100MΩ/500VDC | ||||||||
耐压等级 | 500VAC/1分钟 | 1500VAC/1分钟 | 500VAC/1分钟 | 1500VAC/1分钟 | ||||||||
防护等级 | IP67 | |||||||||||
环境温度 | -25℃~+60℃(其它温度可定做) | |||||||||||
安装角度 | 360°任意角度安装 | |||||||||||
壳体材质 | 铝合金精密压铸件 | |||||||||||
选装功能 | 过力矩保护、加热除湿器 | |||||||||||
RCD-100/200尺寸与性能参数 RCD-100/200 Dimensions and performance parameters

型号 | RCD-100 | RCD-200 | ||||||
性能 | AC24V | AC110V | AC380V | AC220V | AC24V | AC110V | AC380V | AC220V |
电机功率 | 100W | 100WV | ||||||
额定电流 | 9A | 2.2A | 0.48A | 1.2A | 9A | 2.2A | 0.48A | 1.2A |
输出力矩 | 300Nm/800Nm/1000Nm | 2000Nm | ||||||
运行时间 | 15S/30S/50S | 100S | ||||||
控制电路 | A型、B型、C型、D型、E型、F型、G型、H型 | |||||||
回转角度 | 0~90°可调 | |||||||
整机重量 | 11.5Kg | 12.1Kg | ||||||
绝缘电阻 | 100MQ/500VDC | |||||||
耐压等级 | 1500VAC/1分钟 | |||||||
防护等级 | IP67 | |||||||
环境温度 | -25℃~+60℃(其它温度可定做) | |||||||
安装角度 | 360°任意角度安装 | |||||||
壳体材质 | 铝合金精密压铸件 | |||||||
选装功能 | 过力矩保护、加热除湿器 | |||||||
智能调节型(E型)性能参数 Performance parameters of intelligent regulating type (E type)
型号 | RCD-05E | RCD-10E | RCD-20E | RCD-40E | RCD-50E | RCD-60F | RCD-100E | RCD-200E |
性能 | DC12V、DC24V、DC220V、AC24V、AC110V、AC220V、AC380V;50/60Hz | |||||||
电机功率 | 10W | 23W | 40W | 40W | 90W | 90W | 100WV | 100W |
额定电流 | 0.24A | 0.32A | 0.48A | 0.48A | 0.92A | 0.92A | 1.0A | 1.2A |
输出力矩 | 50Nm | 100Nm | 200Nm | 400Nm | 500Nm | 600Nm | 1000Nm | 2000Nm |
运行时间 | 30S | 30S | 30S | 30S | 30S | 30S | 50S | 100S |
回转角度 | 0~90° | 0~90° | 0~90° | 0~90° | 0~90° | 0~90° | 0~90° | 0~90° |
整机重量 | 2.4Kg | 4.2Kg | 7.2Kg | 7.2Kg | 8Kg | 8Kg | 11.5Kg | 12.1Kg |
输入信号 | 4~20mADC、1~5VDC、0~10VDC(其它可出厂前选定) | |||||||
输出信号 | 4~20mADC(其它可出厂前选定) | |||||||
基本误差 | 不超过±1% | |||||||
回 差 | 小于0.3% | |||||||
死 区 | 0.4%~1.5%可调 | |||||||
阻尼特性 | 0次 | |||||||
机构重复性 | 0% | |||||||
绝缘电阻 | DC24V:100MΩ/300VDC | 100MΩ/500VDC | ||||||
耐压等级 | DC24V:500VAC/1分钟 | 1500VAC/1分钟 | ||||||
防护等级 | IP67 | |||||||
环境温度 | -25℃~+60℃(其它温度可定做) | |||||||
安装角度 | 360°任意角度安装 | |||||||
壳体材质 | 铝合金精密压铸件 | |||||||
选装功能 | 过力矩保护、加热除湿器、无源触点型 | |||||||











在线客服