RETZ进口品质 防爆电动执行器
简要描述:RETZ进口RCE进口开关型,调节型,智能一体化防爆电动执行器外壳采用铝合金材质,使设备更加轻量化,同时要保证产品的可抗压性及保证内部电控的安全
品牌:RETZ美国瑞茨
工况条件:电动执行器
温度/压力:P-T: 16bar@70℃
更新时间:2023/01/13
防爆电动执行器采用封闭式密封设计,多种电源电压方式,有更强的可用性。内部标配防潮电阻,其中隔爆型产品的隔爆等级为ExdⅡBT4~T6 或Ex dⅡCT4~T6 retz品牌Explosion-proof electric actuator adopts closed sealing design and multiple power supply voltage modes, which has stronger usability. Internal standard moisture-proof resistance, of which the flameproof grade of flameproof products is Exd Ⅱ BT4~T6 or Exd Ⅱ CT4~T6

标准参数 Standard parameters
外壳 | 防护等级IP67 Nema4 and 6选项:IP68 |
环境温度 | -25℃ to +70℃ |
环境湿度 | < 90% RH |
电源 | 单相:24V、110V、220V、230V、240V50/60Hz三相:220V、380V、415V、 |
扭矩开关 | 开(NO)/关(OFF),SPDT250VAC 10A(除JYH-006、JYH-010) |
限位开关 | 开(NO)/关(OFF),SPDT 250VAC 10A |
电机过热保护 | 内置热保120℃±5℃ |
行程 | 90°±5°(0°~270°可选) |
指示器 | 360°视角指示(隔爆型:连续位置指示) |
手动操作 | RCE-006~RCE-060手动/自动离合机构 RCE-080~RCE-2000无需离合机构 |
自锁装置 | 蜗轮、蜗杆机构提供 |
机械限位 | 外部可调螺栓 |
干燥器 | 铝合金防潮电阻(防冷凝) |
接线孔 | 标准:2-NPT3/4” 可选定制:M20~M25、PG13.5、PG16、PT3/4”、PF3/4” |
润滑脂 | 二硫化钼润滑脂(EP型) |
主要材料 | 铝、钢、铝青钢、35CrMo等 |
外表涂层 | 环氧聚酯粉体涂层 |
抗震性能 | 方向:X、z、y;最大加速:12g;扫频:10-55Hz;振幅:0.15mm;时间30分钟 |
技术参数 Technical parameter
型号 | 输出扭矩 | 开/关时间 | 防护等级 | 电机 | Duty Cycle | 最大轴径 | 安装尺寸 | 手轮 | 重量 | |||||
N.m | Kg.m | 50Hz | 60Hz | DC24V | IP | 功率 | 绝缘 | S4(%) | 圆孔 | 方心 | ISO | Kg | ||
RCE | 60 | 6 | 27 | 23 | 21 | 67/68 | 20 | F | 50 | 20 | 17 | F05/F07 | 10 | 6.9 |
RCE | 100 | 10 | 27 | 23 | 21 | 67/68 | 20 | F | 50 | 20 | 17 | F05/F07 | 10 | 6.9 |
RCE | 160 | 16 | 28 | 24 | 22 | 67/68 | 40 | F | 50 | 28 | 22 | F07/F10 | 12 | 16.4 |
RCE | 200 | 20 | 28 | 24 | 22 | 67/68 | 40 | F | 50 | 28 | 22 | F07/F10 | 12 | 16.4 |
RCE | 300 | 30 | 32 | 27 | 25 | 67/68 | 60 | F | 50 | 28 | 22 | F10/F12 | 14 | 20.5 |
RCE | 500 | 50 | 32 | 27 | 25 | 67/68 | 90 | F | 30 | 28 | 22 | F10/F12 | 14 | 20.5 |
RCE | 600 | 60 | 32 | 27 | 25 | 67/68 | 120 | F | 25 | 28 | 22 | F10/F12 | 14 | 20.5 |
RCE | 800 | 80 | 38 | 33 | 29 | 67/68 | 120 | F | 25 | 36 | 27 | F10/F12 | 14.2 | 33.4 |
RCE | 1000 | 100 | 43 | 37 | 33 | 67/68 | 120 | F | 25 | 36 | 27 | F10/F12 | 14.2 | 33.4 |
RCE | 1300 | 130 | 49 | 42 | 37 | 67/68 | 120 | F | 25 | 36 | 27 | F10/F12 | 14.2 | 33.4 |
RCE | 1700 | 170 | 34 | 28 | 26 | 67/68 | 200 | F | 25 | 45 | 36 | F12/F14 | 16 | 44 |
RCE | 2000 | 200 | 47 | 39 | 36 | 67/68 | 200 | F | 25 | 45 | 36 | F12/F14 | 16 | 44 |
RCE | 2300 | 230 | 47 | 39 | 36 | 67/68 | 200 | F | 25 | 45 | 36 | F12/F14 | 16 | 44 |
RCE | 3500 | 350 | 78 | 67 | 60 | 67/68 | 200 | F | 25 | 72 | 46 | F14/F16 | 37 | 80 |
RCE | 5000 | 500 | 108 | 92 | 82 | 67/68 | 200 | F | 72 | 46 | F14/F16 | 37 | 80 | |
RCE | 8000 | 800 | 142 | 118 | 107 | 67/68 | 200 | F | 80 | 55 | F16/F25 | 48 | 107 | |
RCE | 13000 | 1300 | 102 | 86 | 67/68 | 900 | F | 95 | 75 | F25/F30 | 132 | 250 | ||
RCE | 16000 | 1600 | 120 | 102 | 67/68 | 900 | F | 95 | 75 | F25/F30 | 132 | 250 | ||
RCE | 20000 | 2000 | 147 | 123 | 67/68 | 900 | F | 95 | 75 | F25/F30 | 132 | 250 | ||
额定/启动电流 Rated/starting current
型号 | AC24V | AC24V | AC110V | AC110V | AC220V | AC220V | AC380V | AC380V | AC440V | AC440V | DC24V | |||||||||||
额定 | 启动 | 额定 | 启动 | 额定 | 启动 | 额定 | 启动 | 额定 | 启动 | 额定 | 启动 | 额定 | 启动 | 额定 | 启动 | 额定 | 启动 | 额定 | 启动 | 额定 | 启动 | |
RCE | 4.2 | 6.6 | 5.1 | 7 | 1.1 | 1.52 | 1.3 | 1.65 | 0.52 | 0.73 | 0.64 | 0.78 | 0.18 | 0.35 | 0.15 | 0.32 | 0.15 | 0.3 | 0.12 | 0.26 | 2.53 | 7.78 |
RCE | 4.2 | 6.6 | 5.1 | 7 | 1.1 | 1.52 | 1.3 | 1.65 | 0.52 | 0.73 | 0.64 | 0.78 | 0.18 | 0.35 | 0.15 | 0.32 | 0.15 | 0.3 | 0.12 | 0.26 | 2.53 | 7.78 |
RCE | 5.5 | 7.1 | 7 | 8.1 | 1.4 | 1.8 | 1.8 | 1.9 | 0.72 | 0.9 | 0.92 | 1 | 0.28 | 0.68 | 0.24 | 0.63 | 0.25 | 0.52 | 0.21 | 0.5 | 4.2 | 11 |
RCE | 5.5 | 7.1 | 7 | 8.1 | 1.4 | 1.8 | 1.8 | 1.9 | 0.72 | 0.9 | 0.92 | 1 | 0.28 | 0.68 | 0.24 | 0.63 | 0.25 | 0.52 | 0.21 | 0.5 | 4.2 | 11 |
RCE | 9.2 | 17.8 | 11.2 | 17.7 | 2.5 | 4.4 | 2.4 | 4.5 | 1.42 | 2.5 | 1.4 | 2.31 | 0.38 | 1.1 | 0.32 | 0.92 | 0.28 | 0.75 | 0.25 | 0.7 | 5.7 | 26 |
RCE | 9.2 | 17.8 | 11.2 | 17.7 | 2.4 | 4.2 | 3.2 | 4.3 | 1.38 | 2.3 | 1.65 | 2.2 | 0.41 | 1.16 | 0.37 | 1.1 | 0.3 | 0.9 | 0.27 | 0.85 | 7.3 | 23 |
RCE | 12.8 | 25 | 13.5 | 24.1 | 3.1 | 6 | 3.5 | 5.8 | 1.75 | 3.3 | 1.92 | 3.1 | 0.41 | 1.16 | 0.37 | 1.1 | 0.3 | 0.9 | 0.27 | 0.85 | 7.3 | 23 |
RCE | 12.8 | 25 | 13.5 | 24.1 | 3.1 | 6 | 3.5 | 5.8 | 1.75 | 3.3 | 1.92 | 3.1 | 0.41 | 1.16 | 0.37 | 1.1 | 0.3 | 0.9 | 0.27 | 0.85 | 7.3 | 23 |
RCE | 12.8 | 25 | 13.5 | 24.1 | 3.1 | 6 | 3.5 | 5.8 | 1.75 | 3.3 | 1.92 | 3.1 | 0.41 | 1.16 | 0.37 | 1.1 | 0.3 | 0.9 | 0.27 | 0.85 | 7.3 | 23 |
RCE | 12.8 | 25 | 13.5 | 24.1 | 3.1 | 6 | 3.5 | 5.8 | 1.75 | 3.3 | 1.92 | 3.1 | 0.41 | 1.16 | 0.37 | 1.1 | 0.3 | 0.9 | 0.27 | 0.85 | 7.3 | 23 |
RCE | 12.5 | 26.6 | 14.6 | 25.4 | 3.3 | 7 | 3.8 | 6.7 | 1.52 | 3.54 | 1.94 | 3.3 | 0.8 | 2.3 | 0.72 | 2.1 | 0.62 | 1.9 | 0.6 | 1.8 | 17 | 55 |
RCE | 12.5 | 26.6 | 14.6 | 25.4 | 3.3 | 7 | 3.8 | 6.7 | 1.52 | 3.54 | 1.94 | 3.3 | 0.8 | 2.3 | 0.72 | 2.1 | 0.62 | 1.9 | 0.6 | 1.8 | 17 | 55 |
RCE | 12.5 | 26.6 | 14.6 | 25.4 | 3.3 | 7 | 3.8 | 6.7 | 1.52 | 3.54 | 1.94 | 3.3 | 0.8 | 2.3 | 0.72 | 2.1 | 0.62 | 1.9 | 0.6 | 1.8 | 17 | 55 |
RCE | 12.5 | 26.6 | 14.6 | 25.4 | 3.3 | 7 | 3.8 | 6.7 | 1.52 | 3.54 | 1.94 | 3.3 | 0.8 | 2.3 | 0.72 | 2.1 | 0.62 | 1.9 | 0.6 | 1.8 | 17 | 55 |
RCE | 12.5 | 26.6 | 14.6 | 25.4 | 3.3 | 7 | 3.8 | 6.7 | 1.52 | 3.54 | 1.94 | 3.3 | 0.8 | 2.3 | 0.72 | 2.1 | 0.62 | 1.9 | 0.6 | 1.8 | 17 | 55 |
RCE | 12.5 | 26.6 | 14.6 | 25.4 | 3.3 | 7 | 3.8 | 6.7 | 1.52 | 3.54 | 1.94 | 3.3 | 0.8 | 2.3 | 0.72 | 2.1 | 0.62 | 1.9 | 0.6 | 1.8 | 17 | 55 |
RCE | 2.6 | 5.4 | 1.7 | 5.73 | ||||||||||||||||||
RCE | 2.6 | 5.4 | 1.7 | 5.73 | ||||||||||||||||||
RCE | 2.6 | 5.4 | 1.7 | 5.73 | ||||||||||||||||||
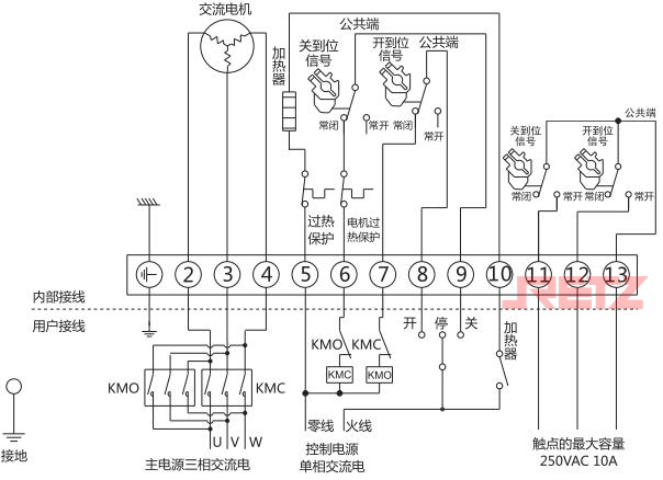
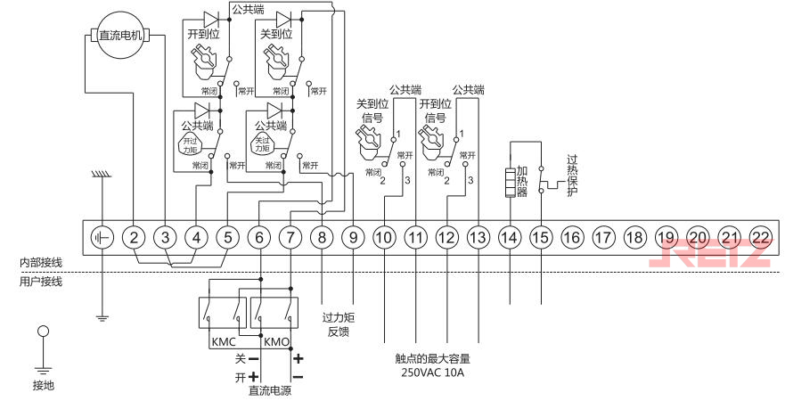
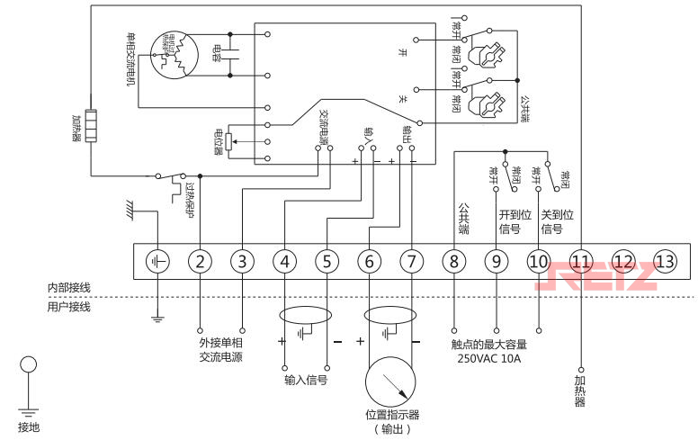
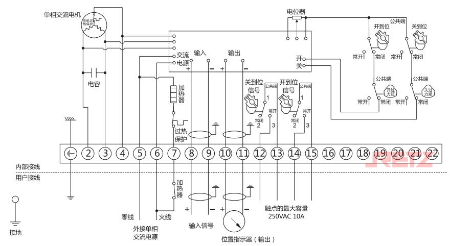
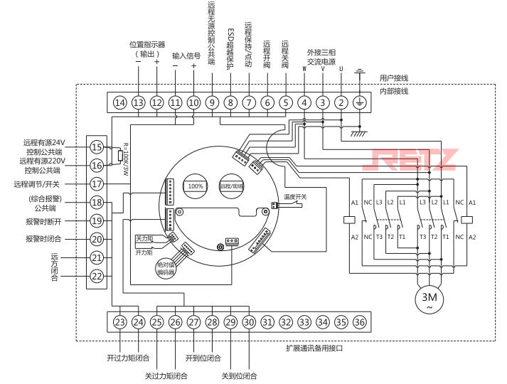
接线图 Wiring diagram
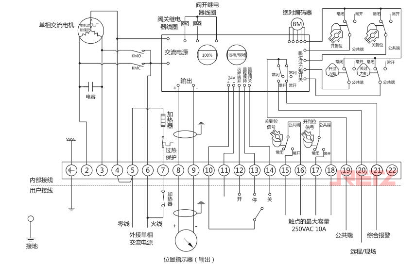
RCE-006B/K1~010B/K1 AC24V、AC110V、AC220V-50Hz/60Hz(基本开关型)

RCE-016B/K1~800B/K1 AC24V、AC110V、AC220V-50Hz/60Hz(基本开关型)

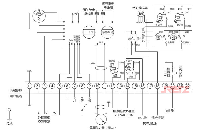
RCE-006B/K1~010B/K1 AC380V、AC440V-50Hz/60Hz(基本开关型)

RCE-016B/K1~2000B/K1 AC380V、AC440V-50Hz/60Hz(基本开关型)

RCE--006B/K1~010B/K1 DC24V-50Hz/60Hz(基本开关型)

RCE-016B/K1~800B/K1 DC24V-50Hz/60Hz(基本开关型)

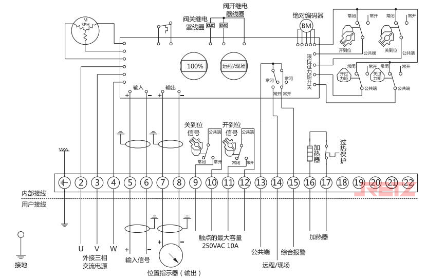
RCE-006G/K2~010G/K2 AC110V、AC220V-50Hz/60Hz(普通调节型)

RCE-016G/K2~800G/K2 AC110V、AC220V-50Hz/60Hz(普通调节型)

RCE-006Y/K1~800Y/K1 AC110V、AC220V-50Hz/60Hz(非侵智能一体开关型)

RCE-006Y/K2~800Y/K2 AC110V、AC220V-50Hz/60Hz(非侵智能一体调节型)

RCE-006Y/K1~800Y/K1 AC380V-50Hz/60Hz(非侵智能一体开关型)

RCE-006Y/K2~800Y/K2 AC380V-50Hz/60Hz(非侵智能一体调节型)

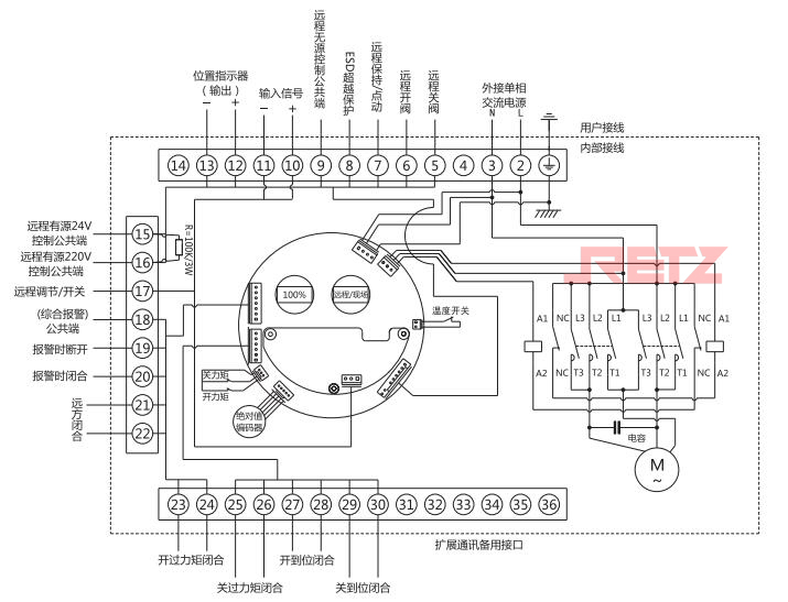
RCE-006S~800S AC220V-50Hz/60Hz(超级智能型)

RCE-006S~2000S AC380V-50Hz/60Hz(超级智能型)

执行器调试说明 Actuator commissioning instructions
机械限位调整 Mechanical limit adjustment
松开机械限位螺钉及限位螺母,左手转动手轮右手按箭头方向下压切换手柄使机构内部离合器啮合从而到达手动功能伏态(通电时切换手柄自动复位无需人为干涉),继续顺时针旋转手轮使执行器运动到全关位置,在旋转限位螺钉,当其碰到内部的肩形蜗轮后停止转动在反方向旋转出两圈,最后紧锁螺母。这样就设定好了执行器全关时的机械限位的位置。全开位置手轮逆时针旋转按同样的方法设 Loosen the mechanical limit screw and limit nut, turn the handwheel with the left hand and press the switch handle downward in the direction of the arrow to make the internal clutch of the mechanism mesh to reach the manual function volt state (the switch handle automatically resets when powered on without human intervention), continue to rotate the handwheel clockwise to make the actuator move to the fully closed position, and rotate the limit screw clockwise, when it touches the internal shoulder-shaped worm gear, stop rotating and rotate in the opposite direction for two circles, Finally, tighten the nut. This sets the position of the mechanical limit when the actuator is fully closed. The handwheel in the fully open position rotates counterclockwise in the same way

注意:RCE系列006型~060型手自动切换需切换手柄(通电具有自动复位功能),080型~2000型无需切换手柄 Note: RCE series 006~060 manual and automatic switch requires a switch handle (with automatic reset function when powered on), and 080~2000 models do not need a switch handle
电子行程限位调整 Electronic travel limit adjustment
手动使阀关到位松开关方向限位公轮,将其调整到恰好压下关限位开关的位置,再将顶位凸轮侧紧,这样就测整好了执行器全关时电器限位的位置;全开时的位置可同样设定 Manually close the valve in place, loosen the switch direction limit male wheel, adjust it to the position where the limit switch is just pressed down, and then tighten the top cam side, so as to measure the position of the electrical limit when the actuator is fully closed; The position at full opening can be set similarly

过载保护装置调整 Adjustment of overload protection device
阀门在正常工作压力条件下,调整过载凸轮使之与相对应的微动开关滚轮刚好接触为好但是不能压到。当开启或关闭阀门所需大于出厂额定扭矩时,过载转动轴会顺时针或逆时针旋转,带动上面的过载凸轮压到微动开关达到停机功能并输出一组过力矩指示。来到达保护电动阀门不受破坏的作用 Under the normal working pressure of the valve, it is better to adjust the overload cam so that it just contacts with the corresponding microswitch roller, but it cannot be pressed. When the required torque for opening or closing the valve is greater than the factory rated torque, the overload rotating shaft will rotate clockwise or counterclockwise to drive the overload cam above to press the microswitch to achieve the shutdown function and output a group of over-torque indicators. To protect the electric valve from damage

注:过载保护装置出厂时已调好,原则上是勿需再调整;如需调整,阀门需在正常工作压力条件下调整 Note: The overload protection device has been adjusted before leaving the factory. In principle, it does not need to be adjusted again; If adjustment is required, the valve shall be adjusted under normal working pressure
电位器调整 Potentiometer adjustment
电位器在执行器中作为一种反馈输出,有三个输出端子,其中②号端子脚接电位器的滑臂。①号端子脚接执行器开动作时,与滑臂之间的电阻不断减小一端,③号端子脚接执行器关动作时,与滑臂之间的电阻不断减小一端(主意电位器不应出现阻值过零,眺变现象)。用手轮转动阀门到全开位置,以开到限位开关动作为准,用万用表测量,将接线端子上①②号端子脚电阻调整到40Ω~65Q之间。若不正确可通过转动电位器上传动齿轮调整 As a feedback output in the actuator, the potentiometer has three output terminals, of which the pin of terminal ② is connected to the sliding arm of the potentiometer. ① When the No. terminal pin is connected to the open action of the actuator, the resistance between the No. terminal pin and the sliding arm continuously decreases at one end. When the No. terminal pin is connected to the closed action of the actuator, the resistance between the No. terminal pin and the sliding arm continuously decreases at one end (the resistance value of the potentiometer should not be over zero, and the resistance should not change). Use the handwheel to turn the valve to the fully open position, subject to the action of the limit switch, measure with a multimeter, and adjust the resistance of terminal pin ① and ② on the wiring terminal to 40 Ω~65Q. If it is not correct, it can be adjusted by turning the transmission gear on the potentiometer

位置指示调整 Position indication adjustment
先将阀门关到正确的位置,拆开3D视窗防护罩和3D诱卵防护罩,用内六角板手松开3D指示柱,旋转Ⅷ凹硝位置在锁紧,在依次复位安装即可(图1)。先将阀门关到正确的位置,拆开Ex上盖,用十字螺丝刀松开指示盘,旋转调整到正位置在锁紧,在被欠复位安装即可(图2)First, close the valve to the correct position, remove the 3D window protective cover and 3D egg trap protective cover, release the 3D indicator column with an Allen wrench, rotate the Ⅷ concave hole to lock it, and then reset and install it in sequence (Fig. 1). First, close the valve to the correct position, remove the upper cover of Ex, loosen the indicator plate with a cross screwdriver, rotate it to the positive position, lock it, and install it after it is under reset (Fig. 2)

执行器试运转 Actuator test run
手动操作 Manual operation
进行手动操作时,必顺先把电源切断;左手转动手轮右手按箭头方向下压切换手柄,使机构内部离合器啮合从而到达手动功能状态(通电时切换手柄自动复位无需人为干涉),继续顺时针或逆时针旋转(可通过视窗观察开度)When performing manual operation, the power supply must be cut off first; Turn the handwheel with the left hand and press the switch handle with the right hand in the direction of the arrow to engage the internal clutch of the mechanism to reach the manual function state (the switch handle automatically resets when powered on without human intervention), and continue to rotate clockwise or counterclockwise (the opening can be observed through the window)

注意:手动开关到位时,会碰到机械限位挡块,过分转动会导致损坏,因些要避免用力过大 Note: When the manual switch is in place, it will touch the mechanical limit stop, and excessive rotation will cause damage, so avoid excessive force
RCE系列006型~060型手自动切换需切换手柄(通电具有自动复位功能),080型~2000型无需切换手柄 RCE series 006~060 manual and automatic switch requires a switch handle (with automatic reset function when powered on), and 080~2000 models do not need a switch handle
电动操作 Electric operation
电动操作之前,先用手动操作的方法,检查执行器开度视窗和阀门角度开启或关闭是否一致;-检查接线是否正确(严格按照出厂内部接线图接线);-确认以上状态后,开始电动操作 Before electric operation, use manual operation method to check whether the opening window of the actuator is consistent with the opening or closing angle of the valve- Check whether the wiring is correct (in strict accordance with the factory internal wiring diagram)- After confirming the above status, start electric operation

注意:禁止改变执行器内部线路 Do not change the internal circuit of the actuator
使用前检查接线图、电源、输入输出信号是否正确 Check whether the wiring diagram, power supply, input and output signals are correct before use
其他不详或特殊规格,请与RETZ公司技术部联系 For other unknown or special specifications, please contact the technical department of RETZ



在线客服