RETZ进口品质 双节 单节精密万向节
简要描述:RETZ进口双节,单节精密万向节常用于包装机械 木工机械 多头钻 冶金机械各种特殊传动场合
品牌:RETZ美国瑞茨
工况条件:连接通用机械
温度/压力:11.2-1120N.m.
更新时间:2023/02/25
产品用途 Product use
1.适用于各种通用机械场合,销钉方块结构最高使用1000转/分,滚针轴承结构 最高转速可达4000转/分,建议实际使用转速在最高转速的50%以内使用 It is applicable to all kinds of general mechanical occasions. The maximum speed of pin block structure can be 1000 rpm, and the maximum speed of needle bearing structure can be 4000 rpm. It is recommended that the actual speed be used within 50% of the maximum speed
2.适用于联结空间同一平面上两轴夹角每节极限转动角度为45度,允许使用角度30度以内 Applicable to the included angle of two shafts on the same plane of the connecting space. The limit rotation angle of each section is 45 degrees, and the allowable angle is within 30 degrees
3.所提供的快速锁紧装置仅有公差为H7的成品孔,带标准的键槽或六角孔可选,可非标定制不同安装结构 The provided quick locking device only has finished hole with tolerance of H7, with standard keyway or hexagonal hole optional, and different installation structures can be customized non-standard
4.适用于联结空间同一平面上两轴轴线夹角≤30°的传动 Applicable to the transmission with the included angle of two axes on the same plane of the connecting space ≤ 30 °
5.传递公称转矩11.2-1120N.m.(可定制更大扭矩)Transmit nominal torque 11.2-1120 N.m. (larger torque can be customized)
6.常规键槽顶丝孔,可按照要求定制不同孔型和固定方式 Conventional keyway jackscrew hole can be customized with different hole types and fixing methods according to requirements
7.允许两轴间夹角在限定的范围内随工作需要而变动 The included angle between the two shafts is allowed to change with the work needs within the limited range
结构特点 Structural features
产品材质: 常规40Cr高碳钢,可定制304 316 等特殊材质 Product material: conventional 40Cr high carbon steel, customized 304 316 and other special materials
1.万向节销钉、衬套和方块体采用优质合金钢40Cr、40CrNi、20CrMo或者20CrMnVB等制造 Universal joint pins, bushings and blocks are made of high-quality alloy steel 40Cr, 40CrNi, 20CrMo or 20CrMnVB
2.万向节所有零件均可以用SUS304、SUS316不锈钢定制 All parts of universal joint can be customized with SUS304 and SUS316 stainless steel
3.万向节两轴套可以采用高强度铝合金定制,或者绝缘尼龙定制 Universal joint two shaft sleeves can be customized with high-strength aluminum alloy or insulating nylon
4.下表中扭矩范围为滑动轴承形式,带滚针轴承扭矩为滑动轴承的1/2 The torque range in the following table is in the form of sliding bearing, and the torque of needle bearing is 1/2 of that of sliding bearing
5.两端联接方式可定制成内花键轴孔,花键轴,光轴加销孔,光轴加键槽,四方轴,六方轴,小型法兰等形式,具体参数请来电咨询 The connection mode of both ends can be customized into internal spline shaft hole, spline shaft, optical shaft plus pin hole, optical shaft plus keyway, square shaft, hexagonal shaft, small flange, etc. For specific parameters, please call


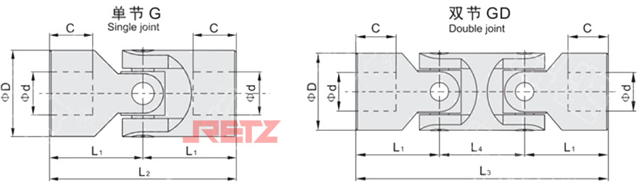
型号及规格 | d | D | L2 | L1 | C | L4 | L3 | a[JS9] | b | Q | SW[H8] | H | X | ||
G双节 | GD单节 | 公称扭矩N.m | |||||||||||||
00G | 00GD | 4.5 | 6 | 12 | 31 | 15.5 | 9 | 4.5 | 3 | ||||||
01G | 01GD | 11.2 | 8 | 16 | 36 | 18 | 9 | 22 | 58 | 6 | 6 | 5 | 3.5 | ||
1G | 1GD | 22.4 | 10 | 20 | 42 | 21 | 10 | 26 | 68 | 3 | 11.4 | 10 | 10 | 5 | 4.5 |
02G | 02GD | 33 | 12 | 23 | 52 | 26 | 14 | 31 | 83 | 4 | 13.8 | 10 | 10 | 7.5 | 5 |
03G | 03GD | 45 | 14 | 25 | 59 | 29.5 | 16 | 35 | 94 | 5 | 16.3 | 12 | 12 | 8.5 | 6 |
04G | 04GD | 55 | 14 | 28 | 60 | 30 | 15 | 41 | 101 | 5 | 16.3 | 14 | 14 | 7.5 | 6 |
05G | 05GD | 71 | 16 | 32 | 82 | 41 | 23 | 43 | 125 | 5 | 18.3 | 16 | 16 | 11 | 6 |
06G | 06GD | 100 | 18 | 36 | 87 | 43.5 | 25 | 45 | 132 | 6 | 20.8 | 18 | 18 | 12 | 8 |
07G | 07GD | 150 | 20 | 42 | 94 | 47 | 25 | 55 | 149 | 6 | 22.8 | 20 | 20 | 12 | 8 |
08G | 08GD | 210 | 22 | 45 | 95 | 47.5 | 22 | 55 | 150 | 6 | 24.8 | 22 | 22 | 11 | 10 |
09G | 09GD | 280 | 25 | 50 | 108 | 54 | 26 | 65 | 173 | 8 | 28.3 | 25 | 25 | 13 | 10 |
10G | 10GD | 550 | 30 | 58 | 122 | 61 | 29 | 78 | 200 | 8 | 33.3 | 30 | 30 | 14.5 | 12 |
11G | 11GD | 1000 | 35 | 68 | 140 | 70 | 35 | 86 | 226 | 10 | 38.3 | 17.5 | 14 | ||
12G | 12GD | 1200 | 40 | 78 | 160 | 80 | 40 | 104 | 264 | 12 | 43.3 | 20 | 15 | ||
13G | 13GD | 1500 | 50 | 93 | 190 | 95 | 50 | 114 | 304 | 14 | 53.8 | 25 | 18 | ||



在线客服