RETZ进口品质 双节 单节小型万向节
简要描述:RETZ进口双节,单节小型万向节常用于包装机械 木工机械 多头钻 冶金机械各种特殊传动场合
品牌:RETZ美国瑞茨
工况条件:连接通用机械
温度/压力:11.2-1120N.m.
更新时间:2023/02/25
产品用途 Product use
1.适用于各种通用机械场合,销钉方块结构最高使用1000转/分,滚针轴承结构最高转速可达4000转/分,建议实际使用转速在最高转速的50%以内使用 It is
applicable to all kinds of general mechanical occasions. The maximum speed of pin block structure can be 1000 rpm, and the maximum speed of needle bearing structure can be 4000 rpm. It is recommended that the actual speed be used within 50% of the maximum speed
2.适用于联结空间同一平面上两轴夹角每节极限转动角度为45度,允许使用角度30度以内 Applicable to the included angle of two shafts on the same plane of the connecting space. The limit rotation angle of each section is 45 degrees, and the allowable angle is within 30 degrees
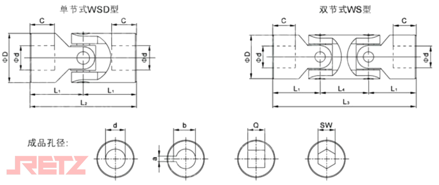
3.所提供的快速锁紧装置仅有公差为H7的成品孔,带标准的键槽或六角孔可选,可非标定制不同安装结构 The provided quick locking device only has finished hole with tolerance of H7, with standard keyway or hexagonal hole optional, and different installation structures can be customized non-standard
4.适用于联结空间同一平面上两轴轴线夹角≤30°的传动 Applicable to the transmission with the included angle of two axes on the same plane of the connecting space ≤ 30 °
5.传递公称转矩11.2-1120N.m.(可定制更大扭矩)Transmit nominal torque 11.2-1120 N.m. (larger torque can be customized)
6.常规键槽顶丝孔,可按照要求定制不同孔型和固定方式 Conventional keyway jackscrew hole can be customized with different hole types and fixing methods according to requirements
7.允许两轴间夹角在限定的范围内随工作需要而变动 The included angle between the two shafts is allowed to change with the work needs within the limited range
结构特点 Structural features
产品材质: 常规40Cr高碳钢,可定制304 316 等特殊材质 Product material: conventional 40Cr high carbon steel, customized 304 316 and other special materials
1、适用于联结空间同一平面上两轴3≤458tordm,的传动场合,传递公称转矩11.2-1120N.m. It is applicable to transmission occasions where two shafts on the same plane of the connecting space are 3 ≤ 458tordm, and the transmission nominal torque is 11.2-1120N. m
2、每节最大轴间夹角45º The maximum angle between shafts of each section is 45º
3、成品孔H7,可根据要求,开键槽、六方孔和四方孔 Finished hole H7, keyway, hexagonal hole and square hole can be opened as required
4、允许两轴间夹角在限定的范围内随工作需要而改变 The included angle between the two shafts is allowed to change with the work needs within the limited range
5、有带滑动轴承及滚针轴承两种型式,根据用户要求而定。带滚针轴承的,动态负载高轴承游隙小,最高转速可达4000rpm,带滑动轴承的最高转速为1000rpm There are two types of sliding bearing and needle bearing, which are determined according to user requirements. With needle roller bearing, the dynamic load is high, the bearing clearance is small, the maximum speed can reach 4000 rpm, and the maximum speed with sliding bearing is 1000 rpm

型号 | 公称扭矩 | d | D | L2 | L3 | L4 | C | Q | SW | 转动惯量kg.m² | ||||||
W S D 单节 | WS双节 | |||||||||||||||
Y | J1 | Y | J1 | Y | J1 | Y型 | J1型 | Y型 | J1型 | |||||||
WSD1 | 11.2 | 8 | 16 | 60 | 一 | 80 | 20 | 20 | 22 | 8 | 8 | 0.06 | 一 | 0.08 | 一 | |
9 | 16 | 60 | 一 | 80 | 一 | 10 | 10 | |||||||||
WS1 | 10 | 16 | 66 | 60 | 86 | 80 | 0.05 | 0.07 | ||||||||
WSD2 | 22.4 | 10 | 20 | 70 | 64 | 96 | 90 | 26 | 25 | 22 | 10 | 10 | 0.1 | 0.09 | 0.15 | 0.15 |
11 | 20 | 64 | 96 | 90 | 10 | 10 | ||||||||||
WS2 | 12 | 20 | 74 | 110 | 100 | 32 | 27 | 12 | 12 | 12 | ||||||
WSD3 | 45 | 12 | 25 | 90 | 80 | 122 | 112 | 32 | 32 | 27 | 12 | 12 | 0.17 | 0.15 | 0.24 | 0.22 |
WS3 | 14 | 25 | 90 | 80 | 112 | 112 | 14 | 14 | ||||||||
WSD4 | 71 | 16 | 32 | 116 | 82 | 154 | 130 | 38 | 42 | 30 | 16 | 16 | 0.39 | 0.32 | 0.56 | 0.49 |
WS4 | 18 | 32 | 116 | 82 | 154 | 130 | 18 | 18 | 18 | |||||||
WSD5 | 140 | 10 | 40 | 144 | 116 | 192 | 164 | 48 | 42 | 30 | 18 | 18 | 0.72 | 0.59 | 1.04 | 0.91 |
20 | 40 | 144 | 116 | 192 | 164 | 52 | 38 | 20 | 20 | |||||||
WS5 | 22 | 40 | 144 | 116 | 192 | 164 | 22 | 22 | ||||||||
WSD6 | 280 | 24 | 50 | 152 | 124 | 210 | 182 | 58 | 52 | 38 | 25 | 24 | 1.28 | 1.03 | 1.89 | 1.64 |
25 | 50 | 172 | 136 | 330 | 194 | 62 | 44 | 25 | ||||||||
WS6 | 28 | 50 | 172 | 136 | 330 | 194 | 62 | 44 | 25 | |||||||
WSD7 | 560 | 30 | 60 | 226 | 182 | 296 | 252 | 70 | 82 |
| 2.82 | 2.31 | 3.9 | 3.38 | ||
WS7 | 32 | 60 | 226 | 182 | 296 | 252 | ||||||||||
35 | 60 | 226 | 182 | 296 | 252 | |||||||||||
WSD8 | 1120 | 38 | 75 | 240 | 196 | 332 | 288 | 92 | 5.03 | 4.41 | 7.25 | 6.63 | ||||
WS8 | 40 | 75 | 300 | 244 | 392 | 336 | ||||||||||
42 | 75 | 300 | 244 | 392 | 336 | 112 | 84 | |||||||||



在线客服