RETZ进口品质 单台阶夹紧式单膜片联轴器(铝合金)
简要描述:RETZ进口单台阶夹紧式单膜片联轴器(铝合金)低惯量,适应于高速运转,夹紧螺丝固定方式,无间隙的轴和轴套连接,适用于正反转
品牌:RETZ美国瑞茨
工况条件:联接机械
温度/压力:3-100N.m.
更新时间:2023/03/05
产品用途 Product use
1.主体采用高强度铝合金材料,膜片采用304不锈钢 The main body is made of high-strength aluminum alloy, and the diaphragm is made of 304
stainless steel
2.通常用于伺服电机,步进电机 Commonly used for servo motor and stepper motor
结构特点 Structural features
1.扭矩刚性高,能准确控制轴的旋转,可进行高精度控制 High torque rigidity, accurate control of shaft rotation and high-precision control
2.无间隙的轴和轴套连接,适用于正反转 The shaft is connected with the shaft sleeve without clearance, which is suitable for forward and reverse rotation
3.低惯量,适用于高速运转 Low inertia, suitable for high-speed operation
4.膜片采用弹簧钢制成,抗疲劳性特好 The diaphragm is made of spring steel with excellent fatigue resistance
5.夹紧螺丝紧固方式 Fastening method of clamping screw
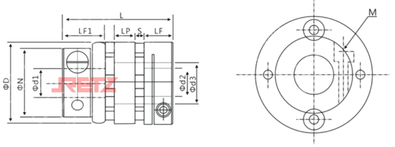
基本参数 Basic parameters and dimensions
参数 | 额定 | 容许 | 容许 | 容许轴 | 最高 | 静态扭 | 惯性矩 | 轴套 | 弹性体 | 表面 | 重量 |
DLTS-34×42.9 | 3 | 0.12 | 1.5 | ±0.35 | 10000 | 4050 | 8.7×10-5 | 高强度铝合金 | sus3o4弹簧钢 | 阳极氧化处理 | 58 |
DLTS-39×50.2 | 6 | 0.12 | 1.5 | ±0.45 | 10000 | 9000 | 2.4×10-5 | 103 | |||
DLTS-44×50.2 | 9 | 0.12 | 1.5 | ±0.55 | 10000 | 10000 | 3.2×10-5 | 124 | |||
DLTS-56×64.1 | 25 | 0.12 | 1.5 | ±0.75 | 10000 | 25000 | 1.1×10-5 | 269 | |||
DLTS-68×75.6 | 60 | 0.12 | 1.5 | ±0.85 | 10000 | 35000 | 2.8×10- | 471 | |||
DLTS-82×98.1 | 100 | 0.12 | 1.5 | ±0.85 | 10000 | 70000 | 1.0×10- | 375 |
注:必须在容许值的范围内使用该联轴器 Note: The coupling must be used within the allowable range
外形尺寸 Overall dimension

参数 | 常用d1轴径 | 常用d2轴径 | φD | φN | L | LF1 | LF | S | LP | d3 | M | 紧固螺 | ||
最小 | 最大 | 最小 | 最大 | |||||||||||
DLTS-34×42.9 | 5 | 12 | 5 | 15 | 34 | 21.6 | 42.9 | 12.15 | 14.25 | 3.5 | 9.5 | 16 | M3 | 1.2 |
DLTS-39×50.2 | 6 | 15 | 6 | 19 | 39 | 25 | 50.2 | 15.15 | 14.9 | 4.5 | 11.15 | 19 | M4 | 2.5 |
DLTS-44×50.2 | 6 | 18 | 6 | 22 | 44 | 29.6 | 50.2 | 15.15 | 14.9 | 4.5 | 11.15 | 22.5 | M4 | 2.5 |
DLTS-56×64.1 | 8 | 24 | 8 | 32 | 56 | 38 | 64.1 | 19.9 | 19.75 | 5.5 | 13.45 | 32.5 | M5 | 5 |
DLTS-68×75.6 | 10 | 30 | 10 | 38 | 68 | 46 | 75.6 | 24 | 23.35 | 6.3 | 15.65 | 38.3 | M6 | 8 |
DLTS-82×98.1 | 16 | 38 | 16 | 45 | 82 | 56 | 98.1 | 30.15 | 30 | 8 | 21.95 | 45 | M8 | 20 |



在线客服