RETZ进口品质 单台阶夹紧式单膜片联轴器(45#)
简要描述:RETZ进口单台阶夹紧式单膜片联轴器(45#)低惯量,适应于高速运转,夹紧螺丝固定方式,无间隙的轴和轴套连接,适用于正反转
品牌:RETZ美国瑞茨
工况条件:联接机械
温度/压力:2.2-150N.m.
更新时间:2023/03/05
产品用途 Product use
1.轴套采用45#钢材质,高精度,大扭矩,膜片采用304不锈钢 The shaft sleeve is made of 45 # steel, with high precision and large torque, and the
diaphragm is made of 304 stainless steel
2.通常用于伺服电机,步进电机 Commonly used for servo motor and stepper motor
结构特点 Structural features
1.扭矩刚性高,能准确控制轴的旋转,可进行高精度控制 High torque rigidity, accurate control of shaft rotation and high-precision control
2.无间隙的轴和轴套连接,适用于正反转 The shaft is connected with the shaft sleeve without clearance, which is suitable for forward and reverse rotation
3.低惯量,适用于高速运转,高精度,大扭矩 Low inertia, suitable for high-speed operation, high precision, large torque
4.膜片采用弹簧钢制成,抗疲劳性特好 The diaphragm is made of spring steel with excellent fatigue resistance
5.夹紧螺丝紧固方式 Fastening method of clamping screw
基本参数 Basic parameters and dimensions
参数 | 额定 | 容许 | 容许 | 容许轴 | 最高 | 静态扭 | 惯性矩 | 轴套 | 弹性体 | 表面 | 重量 |
DLG-26×35 | 2.2 | 0.12 | 0.5 | ±0.7 | 5000 | 2050 | 4.5×10-5 |
| sus3o4不锈钢 | 发黑处理 | 95 |
DLG-34×45 | 4.5 | 0.14 | 0.5 | ±0.9 | 5000 | 4535 | 1.65×10-5 | 192 | |||
DLG-39×50 | 9 | 0.18 | 0.5 | ±0.11 | 5000 | 10000 | 4.5×10-5 | 295 | |||
DLG-44×50 | 13 | 0.22 | 0.5 | ±0.13 | 5000 | 11200 | 5.7×10-4 | 360 | |||
DLG-56×64 | 37 | 0.25 | 0.5 | ±0.18 | 4700 | 28000 | 2.1×10-4 | 795 | |||
DLG-68×75 | 90 | 0.45 | 0.5 | ±0.2 | 4500 | 39000 | 2.4×10-4 | 1230 | |||
DLG-82×98 | 150 | 0.45 | 0.5 | ±0.25 | 4000 | 75000 | 3×10-4 | 2532 |
注:必须在容许值的范围内使用该联轴器 Note: The coupling must be used within the allowable range
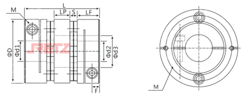
外形尺寸 Overall dimension

参数 | 常用d1,d2,轴径 | φD | L | LF | LP | d3 | S | F | M | 紧固螺 |
DLG-26×35 | 4,5,6,6.35,7,8,9.525,10,11,12,12.7 | 26 | 35 | 11.4 | 5.8 | 12.5 | 3.2 | 3.9 | M3 | 1.2 |
DLG-34×45 | 6,6.35,7,8,9,9.525,10,11,12,12.7,14,15 | 34 | 45 | 13.95 | 8.9 | 16 | 4.1 | 4.2 | M4 | 2.5 |
DLG-39×50 | 8,9,9.525,10,11,12,12.7,14,15,16,17,18,19 | 39 | 50 | 14.7 | 10.4 | 19.3 | 5.1 | 4.9 | M4 | 2.5 |
DLG-44×50 | 8,9,9.525,10,11,12,12.7,14,15,16,17,18,19,20,22 | 44 | 50 | 14.7 | 10.4 | 22.5 | 5.1 | 5.2 | M4 | 2.5 |
DLG-56×64 | 12,14,15,16,17,18,19,20,22,24,25 | 56 | 64 | 19.45 | 12.9 | 32.5 | 6.1 | 6.8 | M5 | 5 |
DLG-68×75 | 15,16,17,18,19,20,22,24,25,28,30,32,35 | 68 | 75 | 23.55 | 14.1 | 38.3 | 6.9 | 7.7 | M6 | 8 |
DLG-82×98 | 16,17,18,19,20,22,24,25,28,30,35,38,40 | 82 | 98 | 29.7 | 21.4 | 45.5 | 8.6 | 9.3 | M8 | 20 |



在线客服