RETZ进口品质 夹紧式单膜片联轴器(45#)
简要描述:进口夹紧式单膜片联轴器(45#)轴套采用45#钢材质,高精度,大扭矩,膜片采用不锈钢弹簧钢制成,抗疲劳性特能好
品牌:RETZ美国瑞茨
工况条件:联接机械
温度/压力:2.2-150N.m.
更新时间:2023/03/05
进口夹紧式单膜片联轴器(45#) 产品用途 Product use
1.轴套采用45#钢材质,高精度,大扭矩,膜片采用不锈钢弹簧钢制成,抗疲劳性特好 The shaft sleeve is made of 45 # steel, with high precision and
large torque. The diaphragm is made of stainless steel spring steel, with excellent fatigue resistance
2.通常用于伺服电机,步进电机 Commonly used for servo motor and stepper motor
结构特点 Structural features
1.扭矩刚性高,能准确控制轴的旋转,可进行高精度控制 High torque rigidity, accurate control of shaft rotation and high-precision control
2.无间隙的轴和轴套连接,适用于正反转 The shaft is connected with the shaft sleeve without clearance, which is suitable for forward and reverse rotation
3..夹紧螺丝紧固方式 Fastening method of clamping screw
基本参数 Basic parameters and dimensions
参数 | 额定 | 容许 | 容许 | 容许轴 | 最高 | 静态扭 | 惯性矩 | 轴套 | 弹性体 | 表面 | 重量 |
DSG-26×26 | 2.2 | 0.1 | 0.5 | ±0.7 | 5000 | 1462 | 3.3×10-5 | 45# | SUS304弹簧钢 | 发黑处理 | 70 |
DSG-34×32 | 4.5 | 0.1 | 0.5 | ±0.9 | 5000 | 5737 | 12×10-5 | 137 | |||
DSG-39×34.5 | 9 | 0.1 | 0.5 | ±0.11 | 5000 | 5850 | 3.3×10-5 | 202 | |||
DSG-44×34.5 | 13 | 0.1 | 0.5 | ±0.13 | 5000 | 6750 | 4.2×10-4 | 247 | |||
DSG-56×45 | 37 | 0.1 | 0.5 | ±0.18 | 4700 | 16770 | 1.8×10-4 | 542 | |||
DSG-68×54 | 90 | 0.1 | 0.5 | ±0.2 | 4500 | 30960 | 2.25×10-4 | 870 | |||
DSG-82×68 | 150 | 0.1 | 0.5 | ±0.25 | 4000 | 40440 | 2.7×10-4 | 1722 |
注:必须在容许值的范围内使用该联轴器 Note: The coupling must be used within the allowable range
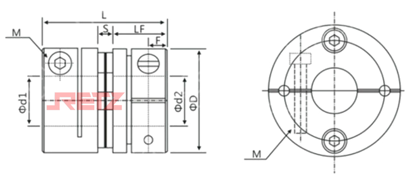
外形尺寸 Overall dimension

参数 | 常用d1,d2,轴径 | φD | L | LF | S | F | M | 紧固螺 |
DSG-26×26 | 4,5,6,6.35,7,8,9.525,10,11,12,12.7 | 26 | 26 | 11.4 | 3.2 | 3.9 | M3 | 1.5 |
DSG-34×32 | 6,6.35,7,8,9,9.525,10,11,12,12.7,14,15 | 34 | 32 | 13.95 | 4.1 | 4.85 | M4 | 2.5 |
DSG-39×34.5 | 8,9,9.525,10,11,12,12.7,14,15,16,17,18,19 | 39 | 34.5 | 14.7 | 5.1 | 4.9 | M4 | 2.5 |
DSG-44×34.5 | 8,9,9.525,10,11,12,12.7,14,15,16,17,18,19,20,22 | 44 | 34.5 | 14.7 | 5.1 | 4.9 | M4 | 2.5 |
DSG-56×45 | 12,14,15,16,17,18,19,20,22,24,25,28,30,32 | 56 | 45 | 19.45 | 6.1 | 6.5 | M5 | 7 |
DSG-68×54 | 15,16,17,18,19,20,22,24,25,28,30,32,35 | 68 | 54 | 23.55 | 6.9 | 8 | M6 | 12 |
DSG-82×68 | 16,17,18,19,20,22,24,25,28,30,35,38,40 | 82 | 68 | 29.7 | 8.6 | 9.7 | M8 | 20 |



在线客服