RETZ进口品质 防振轮胎式联轴器
简要描述:RETZ进口防振轮胎式联轴器具有良好的减震缓冲和优越的轴间偏移补偿性能
品牌:RETZ美国瑞茨
工况条件:联接机械
温度/压力:10-250N.m.
更新时间:2023/03/23
进口防振轮胎式联轴器 产品用途 Product use
1.适用于在潮湿、多尘、有冲击震动、正反转多变、启动频繁的工作条件 Suitable for wet, dusty, shock and vibration conditions, variable forward and reverse rotation, and frequent startup
2.工作环境温度-20~80℃ Working environment temperature - 20~80 ℃
3.弹性元件是一整体的轮胎体,拆装维修更为方便,耐用牢靠 The elastic element is an integral tire body, making disassembly and maintenance more convenient and durable
结构特点 Structural features
1.具有良好的减震缓冲和优越的轴间偏移补偿性能Good shock absorption, cushioning, and superior inter axle offset compensation performance
2.橡胶元件(轮胎体)与金属板硫化粘结一起,装配时用螺栓直 The rubber element (tire body) is vulcanized and bonded to the metal plate, and is assembled using bolts
2.接与两半联轴器联结 Connected to two coupling halves
3.柔性、阻尼大、补偿量大 Flexible, large damping, large compensation
4.简单,装配容易,要更换轮胎体时无需轴向移动联轴节 Simple, easy to assemble, no need to axially move the coupling when replacing the tire body
缺点 shortcoming
随扭转角的增加,在主从动轴上产生相当大的轴向力。As the torsion angle increases, a considerable axial force is generated on the master slave shaft.
基本参数 Basic parameters and dimensions

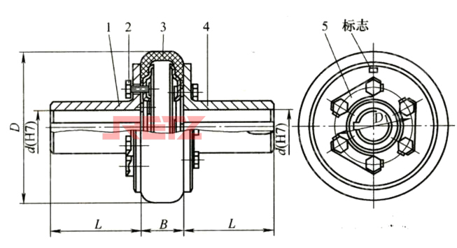
1、4——半联轴器 2——螺栓 3——轮胎环 5——止退垫板
1. 4 - Half coupling 2 - Bolt 3 - Tire ring 5 - Check pad
型号 | 公称 | 瞬时 | 许用转速 | 轴孔直径d | 轴孔长度L | D | B | 重量 | 转动 | 许用补偿量 | |||||
J1、J型 | Y型 | 轴向 | 径向 | 角向 | |||||||||||
铁 | 钢 | 铁 | 钢 | mm | |||||||||||
U11 | 10 | 31.5 | 5000 | 3500 | 11 | 11 | 22 | 25 | 80 | 20 | 0.7 | 0.0003 | 1 | 1 | 1° |
12、14 | 12、14 | 27 | 32 | ||||||||||||
16、18 | 16 | 30 | 42 | ||||||||||||
UL2 | 25 | 80 | 5000 | 3000 | 14 | 14 | 27 | 32 | 100 | 26 | 1.2 | 0.0008 | |||
16、18、19 | 16、18、19 | 30 | 42 | ||||||||||||
20、22 | 20 | 38 | 52 | ||||||||||||
UL3 | 63 | 180 | 4500 | 3000 | 18、19 | 18、19 | 30 | 42 | 120 | 32 | 1.8 | 0.0022 | 1.6 | 2 | |
20、22、24 | 20、22 | 38 | 52 | ||||||||||||
25 | 44 | 62 | |||||||||||||
UL4 | 100 | 315 | 4300 | 3000 | 20、22、24 | 20、22、24 | 38 | 52 | 140 | 38 | 3 | 0.004 | |||
25、28 | 25、28 | 44 | 62 | ||||||||||||
30 | 60 | 82 | |||||||||||||
UL5 | 160 | 500 | 4000 | 3000 | 24 | 24 | 38 | 52 | 160 | 45 | 4.6 | 0.0084 | 1.6 | 2 | |
25、28 | 25、28 | 44 | 62 | ||||||||||||
30、32、35 | 30 | 60 | 82 | ||||||||||||
UI6 | 250 | 710 | 3600 | 2500 | 28 | 28 | 44 | 62 | 180 | 50 | 7.1 | 0.00164 | |||
30、32、35、38 | 30、32、35 | 60 | 82 | ||||||||||||
40 | 84 | 112 | |||||||||||||
注:必须在容许值的范围内使用该联轴器 Note: The coupling must be used within the allowable range



在线客服