RETZ进口品质 芯形弹性联轴器
简要描述:RETZ进口芯形弹性联轴器具有良好的减震缓冲和优越的轴间偏移补偿性能,不用润滑,可以在有粉尘和水份的条件下工作
品牌:RETZ美国瑞茨
工况条件:联接机械
温度/压力:2-640N.m.
更新时间:2023/03/23
进口芯形弹性联轴器 产品用途 Product use
1.不用润滑,可以在有粉尘和水份的条件下工作 Without lubrication, it can work under conditions with dust and moisture
2.工作环境温度-20~70℃ Working environment temperature - 20~70 ℃
结构特点 Structural features
1.具有良好的减震缓冲和优越的轴间偏移补偿性能Good shock absorption, cushioning, and superior inter axle offset compensation performance
2.结构简单,维修方便,但更换弹性元件时需移动一端半联轴器和主机轴 Simple structure and convenient maintenance, but when replacing elastic components, it is necessary to move one end, half coupling, and host shaft
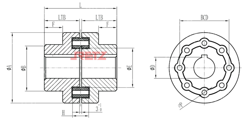
基本参数 Basic parameters and dimensions

型号 | 转距 | 转速 | 轴孔D | 基本尺寸 | 质量 | 转动 | |||||||||
Min | Max | A | B | LTB | L | E | F | H | BCD | P | |||||
MH45 | 2.0 | 6000 | 5 | 14 | 45 | 25 | 23 | 49 | 20 | 13 | 15 | 30.0 | 9.5 | 0.48 | 2.10E-04 |
MH55 | 4.0 | 6000 | 9 | 20 | 55 | 38 | 27 | 57 | 26 | 15 | 17 | 36.0 | 11.0 | 1.02 | 6.20E-04 |
MH65 | 7.0 | 6000 | 12 | 25 | 65 | 45 | 30 | 63 | 33 | 16 | 19 | 45.0 | 12.0 | 1.88 | 1.50E-03 |
MH80 | 16.0 | 5500 | 16 | 30 | 80 | 52 | 35 | 73 | 41 | 18 | 23 | 57.0 | 16.5 | 3.54 | 3.70E-03 |
MH90 | 37.0 | 5000 | 20 | 35 | 90 | 62 | 40 | 83 | 46 | 21 | 25 | 64.5 | 18.0 | 5.4 | 7.10E-03 |
MH115 | 80.0 | 4600 | 25 | 45 | 115 | 80 | 55 | 113 | 58 | 29 | 33 | 82.0 | 23.0 | 8.1 | 2.07E-02 |
MH130 | 120.0 | 4400 | 27 | 50 | 130 | 90 | 60 | 123 | 65 | 32 | 37 | 93.5 | 27.5 | 13.5 | 4.20E-02 |
MH145 | 200.0 | 4200 | 30 | 55 | 145 | 100 | 65 | 133 | 72 | 35 | 39 | 102.0 | 30.0 | 19.3 | 9.40E-02 |
MH175 | 420.0 | 3800 | 35 | 65 | 175 | 115 | 80 | 163 | 84 | 43 | 47 | 120.0 | 35.5 | 26.3 | 1.90E-01 |
MH200 | 640.0 | 3600 | 50 | 80 | 200 | 130 | 220 | 223 | 92 | 69 | 53 | 140.0 | 41.0 | 35.7 | 3.10E-01 |
注:必须在容许值的范围内使用该联轴器 Note: The coupling must be used within the allowable range



在线客服