RETZ进口品质 铝合金刚性夹紧式联轴器
简要描述:RETZ进口铝合金刚性夹紧式联轴器高扭矩,高刚性,性型基本不允许偏心,使用时必须充分进行调整
品牌:RETZ美国瑞茨
工况条件:联接机械
温度/压力:0.3-6N.m.
更新时间:2023/03/28
进口铝合金刚性夹紧式联轴器 产品用途 Product use
1.一体化结构,整体采用高强度铝合金料 Integrated structure, overall use of high-strength aluminum alloy material
2.适应于刚性连接传递扭矩的工作场合 Suitable for working situations where rigid connections transmit torque
结构特点 Structural features
高扭矩,高刚性,基本上不允许偏心,使用时必须充分进行偏心调整 High torque, high rigidity, and basically no eccentricity is allowed. When using, it is necessary to fully adjust the eccentricity
夹紧螺丝紧固方式 Fastening method of clamping screw
基本参数 Basic parameters and dimensions
型号、参数 | 额定 | 容许 | 容许 偏角 (°)* | 容许轴 | 最高 | 惯性矩 | 轴套 | 表面 | 重量 |
DNC-16×24 | 0.3 | -- | -- | 9400 | 2.9x10¯7 | 高强度铝合金 | 阳极氧化处理 | 9 | |
DNC-20x30 | 0.5 | -- | -- | 7500 | 8.6x10¯6 | 15 | |||
DNC-25x36 | 1 | -- | -- | 6000 | 2.7x10¯7 | 29 | |||
DNC-32x41 | 2 | -- | -- | 4700 | 7.1x10¯7 | 61 | |||
DNC-40x44 | 4 | -- | -- | 4000 | 1.45x10¯7 | 120 | |||
DNC-50x55 | 6 | -- | -- | 4000 | 7.0x10¯7 | 240 |
注:必须在容许值的范围内使用该联轴器 Note: The coupling must be used within the allowable range
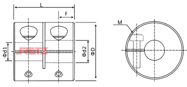
外形尺寸 Overall dimension

参数 | 常用d1,d2,轴径 | FD | L | F | M | 紧固螺 |
DNC-16x24 | 4,5,6,6.35,8 | 16 | 24 | 3.75 | M2.5 | 1 |
DNC-20x30 | 5,6,6.35,8,9.5,10 | 20 | 30 | 4.75 | M2.5 | 0.7 |
DNC-25x36 | 5,6,6.35,8,9.5,10,12 | 25 | 36 | 6 | M3 | 1.5 |
DNC-32x41 | 6,6.35,8,9,9.5,10,12,12.7,14,15,16 | 32 | 41 | 7.75 | M4 | 2.5 |
DNC-40x44 | 8,9,9.525,10,12,12.7,14,15,16,18,20 | 40 | 44 | 10.5 | M5 | 7 |
DNC-50x55 | 10,11,12,12.7,14,15,16,19,20,22,24,25 | 50 | 55 | 13 | M6 | 12 |



在线客服