RETZ进口品质 夹壳联轴器
简要描述:RETZ进口夹壳联轴器直连安装方式,无弹性体无缓冲,对中精度要求低,精度要求低,适用于低速和载荷平稳工作场合
品牌:RETZ美国瑞茨
工况条件:联接机械
温度/压力:30-110N.m.
更新时间:2023/03/28
进口夹壳联轴器 产品用途 Product use
1.适用于低速和载荷平稳工作场合,对中精度要求低,精度要求低,适用于转速1000转以下的工作场合 Suitable for low speed and stable load applications, with low requirements for centering accuracy and accuracy. Suitable for applications with rotational speeds below 1000 rpm
2.直连安装方式,无弹性体无缓冲,对中精度要求低,精度要求低,适用于低速和载荷平稳工作场合 Direct connection installation, no elastomer and no buffer, low centering accuracy requirements, low accuracy requirements, suitable for low speed and stable load working situations
结构特点 Structural features
1.中间无弹性体,一般都是吊装,中间有个吊环,吊住两端的轴,轴孔直径是通径,一般采用立式装用,中间部位开槽装有悬吊环卡住两端设备的轴头,来传递转矩 There is no elastic body in the middle, which is generally used for hoisting. There is a lifting ring in the middle, which holds the shafts at both ends. The diameter of the shaft hole is the drift diameter. Generally, vertical installation is used. The middle part is slotted and equipped with a lifting ring to clamp the shaft heads of the equipment at both ends to transmit torque
2.用于反应器搅拌轴过长,分两段制造时两搅拌轴的联接,若立式减速机输出轴与反应器搅拌轴联接选用夹壳联轴器,需在定货时提出,以便对输出轴尺寸用非标要求 It is used for the connection of two mixing shafts when the reactor mixing shaft is too long and manufactured in two sections. If the vertical reducer output shaft and the reactor mixing shaft are connected using a clamshell coupling, it is necessary to propose it when ordering, in order to use non-standard requirements for the output shaft size
基本参数 Basic parameters and dimensions

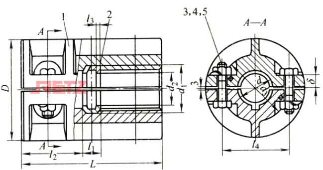
1-夹壳 2-半环 3-螺栓 4-螺母 5-外后止动垫圈
1-Clamping shell 2-Half ring 3-Bolt 4-Nut 5-Outer rear stop washer
型号 | 轴径 | 额定 | 许用 | D | d1 | d2 | d3 | L | (H8) | L2 | L3 | L4 | 8 | 重量 | 螺栓 | |
Z | MXL1 | |||||||||||||||
JQ-1 | 30 | 85 | 900 | 102 | 38 | 25 | 62 | 130 | 20 | 55 | 5 | 64 | 16 | 4.47 | 4 | M12X50 |
JQ-2 | 40 | 236 | 800 | 118 | 48 | 35 | 76 | 162 | 20 | 71 | 5 | 80 | 16 | 7.6 | 6 | M12X50 |
JQ-3 | 50 | 530 | 700 | 135 | 62 | 42 | 90 | 190 | 24 | 83 | 6 | 94 | 18 | 10.85 | 6 | M12X55 |
JQ-4 | 65 | 1400 | 550 | 172 | 78 | 55 | 120 | 250 | 30 | 110 | 8 | 124 | 22 | 25.06 | 8 | M16X65 |
JQ-5 | 80 | 2650 | 510 | 185 | 94 | 70 | 130 | 280 | 38 | 121 | 10 | 138 | 24 | 30.16 | 8 | M16X70 |
JQ-6 | 95 | 5200 | 415 | 230 | 110 | 85 | 160 | 330 | 38 | 146 | 10 | 164 | 30 | 56.38 | 8 | M24×100 |
JQ-7 | 110 | 9000 | 380 | 260 | 125 | 100 | 190 | 390 | 46 | 172 | 10 | 190 | 38 | 78 | 8 | M24X120 |
注:必须在容许值的范围内使用该联轴器 Note: The coupling must be used within the allowable range
注意事项Matters needing attention
1、两轴轴线对中精度低,结构和形状比较复杂,制造及平衡精度较低,只适用于低速和载荷平稳的场合 The alignment accuracy of the two axis axes is low, the structure and shape are relatively complex, and the manufacturing and balancing accuracy is low. It is only suitable for situations with low speeds and stable loads
2、通常最大外缘的线速度不大于5m/s,当线速度超过5m/s时需要进行平衡校验。为了改善平衡状况,螺栓应正、倒相间安装。夹壳联轴器不具备轴向、径向和角向的补偿性能 Generally, the linear speed of the maximum outer edge is not greater than 5 m/s. When the linear speed exceeds 5 m/s, a balance check is required. To improve the balance, the bolts should be installed in alternating phases. Clamping couplings do not have axial, radial, and angular compensation performance.



在线客服