RETZ进口品质 DBETB比例压力安全阀
简要描述:RETZ进口DBETB比例压力安全阀是在锥形阀座设计中被移除的(试验)阀门。它们被用来限制系统的压力。这些阀门是通过与船上电子设备成比例的电磁阀来驱动的。有了这些阀门,可以实现低滞后的快速响应时间
品牌:RETZ美国瑞茨
工况条件:比例压力安全阀
温度/压力:P-T:315bar-60℃
更新时间:2022/08/08
●6p+PE电气连接
●信号驱动
●标准0·····10V(A1)
●版本4···20 mA(F1)
在工厂校准的阀门曲线
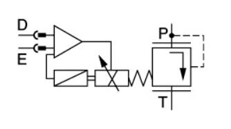
DBETB比例压力安全阀基本原理
为了调整系统的压力,一个设置点设置在触发电子设备中。在此基础上,电子控制了在锥形阀座和压缩弹簧上的电枢位置。位置控制确保了极低的滞后。那磁力决定了弹簧力直到一个新的位置达到。最大安全压力限制
如果电子元件出现故障,那么电磁电流(Imax)会以一种无法控制的方式超过指定的水平,压力就无法超过最大的弹簧力确定的水平。retz品牌 In order to adjust the pressure of the system, a set point is set in the trigger electronics. On this basis, the armature position on the conical valve seat and the compression spring is electronically controlled. Position control ensures extremely low hysteresis. The magnetic force determines the spring force until a new position is reached. Maximum safety pressure limit
If the electronic component fails, the electromagnetic current (IMAX) will exceed the specified level in an uncontrollable manner, and the pressure cannot exceed the level determined by the maximum spring force

DBETB比例压力安全阀 性能特点 Performance characteristics
直接操作的阀门,有位置反馈和板上的限制系统压力的电子学 Direct operated valves with position feedback and on-board electronics to limit system pressure
通过电枢的位置对其进行调整压缩弹簧-位置控制,最小滞后小于0.2%,快速反应时候,看到技术数据 Adjust the armature by the position of the compression spring position control, the minimum lag is less than 0.2%, and the technical data can be seen during the rapid response
即使是有缺陷的电子设备,也有安全级别的压力限制(螺线管电流I>Imax)Even defective electronic equipment has pressure limit of safety level (solenoid current I > IMAX)
对于副板附件,安装孔的配置ISO4401-03-02-0-94。每个目录下的子板是45053(订单分开)一插件连接器到DIN 43563-am6,查看目录表是08008(订单分开)For auxiliary plate accessories, the configuration of mounting holes is iso4401-03-02-0-94. The daughter board under each directory is 45053 (order separated) and a plug-in connector is connected to DIN 43563-am6. The table of contents is 08008 (order separated)
机载触发电子设备的数据遵守CE,EMC指令,EN61000-6-2∶2002-08和EN61000-6-3∶2002-08UB=24 VnomDC Data of airborne trigger electronic equipment shall comply with CE and EMC directives, en61000-6-2:2002-08 and en61000-6-3:2002-08ub = 24 vnomdc
技术数据 Technical data
电,触发电子元件 | |
周期持续系数% | 100 |
保护等级 | IP 65 to DIN 40050 and IEC 14434/5 |
连接 | 插件连接器6P+PE,DIN 43563 |
供应电压接线端A:接线端B:0V | 24VDC最小 21VDC/最大40VDC波纹最大2VDC |
功率消耗 | 电磁阀 45 mm= 40 VA max. |
外部的保险丝 | 2.5 AF |
输入,标准版本A1接线端D.V接线端E: | R;= 100k差动放大器0...+10VoV |
输入,标准版本F1接线端D oE接线端E:ID-E | Rsh=200 Q负荷,4.20 mA电流环路 p-E 反馈 |
最大电压微分输入超过 0V | D-B最大 18VDCE→B |
A1测试信号,标准版本温:v接线端C: | LVDT0.+10V参考0V |
测试信号,标准版本F1上接线端F:F-C接线端C:F-C | LVDT信号 4…20 mA a在外部负载 200..500 Ωmax.4.….20 mA 输出电流环IF-C反馈 |
安全接地导线和屏蔽 | 参阅(安装与CE一致) |
推荐的电缆 | 参考7×0.75 mm2高达 20m7x1 mm2高达 40m |
校准 | 在工厂校准,看到阀门曲线 |
版本A1(标准)

版本MA(信号)

连接 Connect

型号说明 Model description




在线客服