RETZ进口品质 4WRTE先导式比例换向阀
简要描述:RETZ (4WRTE)进口先导式比例换向阀高频响阀设计作为板式安装阀,带闭环位置控制和集成电控装置
品牌:RETZ美国瑞茨
工况条件:先导式比例换向阀
温度/压力:P-T:315bar-40℃
更新时间:2022/08/08
通径10、16、25、32/压力至35MPa/流量至3000L/min Diameter: 10, 16, 25, 32 / pressure: 35MPa / flow: 3000l / min
●WRTE先导式高频响二级方向控制阀 Wrte pilot type high frequency response two-stage directional control valve
●带主阀芯的电气反馈和集成电控装置(OBE)Electrical feedback and integrated electronic control device (OBE) with main valve core
●适用于位置、速度、压力和力的闭环控制 Suitable for closed loop control of position, speed, pressure and force
●方向和流量的闭环控制 Closed loop control of direction and flow
●先导控制阀∶直动式,闭环位置控制,带控制压力的压力反馈 Pilot control valve: direct acting, closed-loop position control, pressure feedback with control pressure
●主级自对中,闭环位置控制 Main stage self centering and closed-loop position control
● 集成和闭环电控装置 Integrated and closed-loop electronic control device
说明
该阀由3个主要部件组成,带主阀芯(2)的壳体(1),带用于主级的电感式传感器(3)的集成电控装置,带阀套(5)的先导控制阀(4),电感式传感器(6)和主级(2)的中位压力反馈 The valve is composed of three main components: the housing (1) with the main valve core (2), the integrated electronic control device with the inductive sensor (3) for the main stage, the pilot control valve (4) with the valve sleeve (5), the inductive sensor (6) and the intermediate pressure feedback of the main stage (2).
比例电磁铁(7,8)断电,通过对中弹簧(9)和压力反馈使主阀芯(2)处于中位。主阀芯(2)是通过先导控制阀(4)来控制的,主阀芯为闭环控制。通过改变比例电磁铁(7,8)的电磁力来控制先导阀(4)的阀芯,指令值和实际值在集成电控装置内综合而成,先导控制阀的控制供油内部通过油口P或外部通过供油口X,至油箱的控制泄油内部通过油口T或者外部通过油口Y实现。随着OV的指令值,电控装置闭环控制移动主阀芯(2)进入中位。The proportional electromagnets (7, 8) are de energized, and the main valve element (2) is in the middle position through the centering spring (9) and pressure feedback. The main valve element (2) is controlled by the pilot control valve (4), and the main valve element is closed-loop control. The valve core of the pilot valve (4) is controlled by changing the electromagnetic force of the proportional electromagnets (7, 8). The command value and the actual value are integrated in the integrated electronic control device. The control oil supply of the pilot control valve is realized internally through the oil port P or externally through the oil port x, and the control oil drain to the oil tank is realized internally through the oil port t or externally through the oil port y. With the command value of OV, the closed-loop control of the electronic control device moves the main valve element (2) to the middle position.
如果供电电压失效或者电缆断开,集成电控装置使电磁铁断电能过先导控制阀使控制脑(10和11)中独立的压力控制在相同的范围内,如果供油压力失效,则主阀芯通过对中弹簧(9)对中,主阀芯(2)处于中位。注意,供电电压的突然停止,出现的加速度可能造成设备的损坏,对于阀芯形式E,E1,W6,W8和Q2,对中弹簧(9)定位主阀芯(2)中间位置,V和V1阀芯切换到P至B和P至A的优选方向,处于最大11%阀芯行程的1%公差带内 If the power supply voltage fails or the cable is disconnected, the integrated electric control device makes the electromagnet de energized, and the independent pressure in the control heads (10 and 11) can be controlled within the same range through the pilot control valve. If the oil supply pressure fails, the main valve core is centered by the centering spring (9), and the main valve core (2) is in the middle position. Note that the sudden stop of the power supply voltage and the acceleration may cause damage to the equipment. For the valve element forms e, E1, W6, W8 and Q2, the centering spring (9) locates the middle position of the main valve element (2), and the valve elements V and V1 switch to the preferred directions of P to B and P to a, within the 1% tolerance zone of the maximum 11% valve element travel.
第二级基本上是由我们的比例阀元件组成的,在主级零点的零点调整是由工厂预设定的,能通过电控装置上的电位器在±20%的零点行程范围内调整。通过卸下阀体上的一个堵头就能够接近集成电控装置 The second stage is basically composed of our proportional valve elements. The zero point adjustment of the main stage zero point is preset by the factory and can be adjusted within ± 20% of the zero point travel range by the potentiometer on the electric control device. The integrated electronic control device can be accessed by removing a plug on the valve body.
如果互换先导控制阀或者集成电控装置,则他们必须在标定,所有标定工作只能由经过培训的工作人员来进行 If the pilot control valves or integrated electronic control devices are interchanged, they must be calibrated. All calibration work can only be carried out by trained personnel
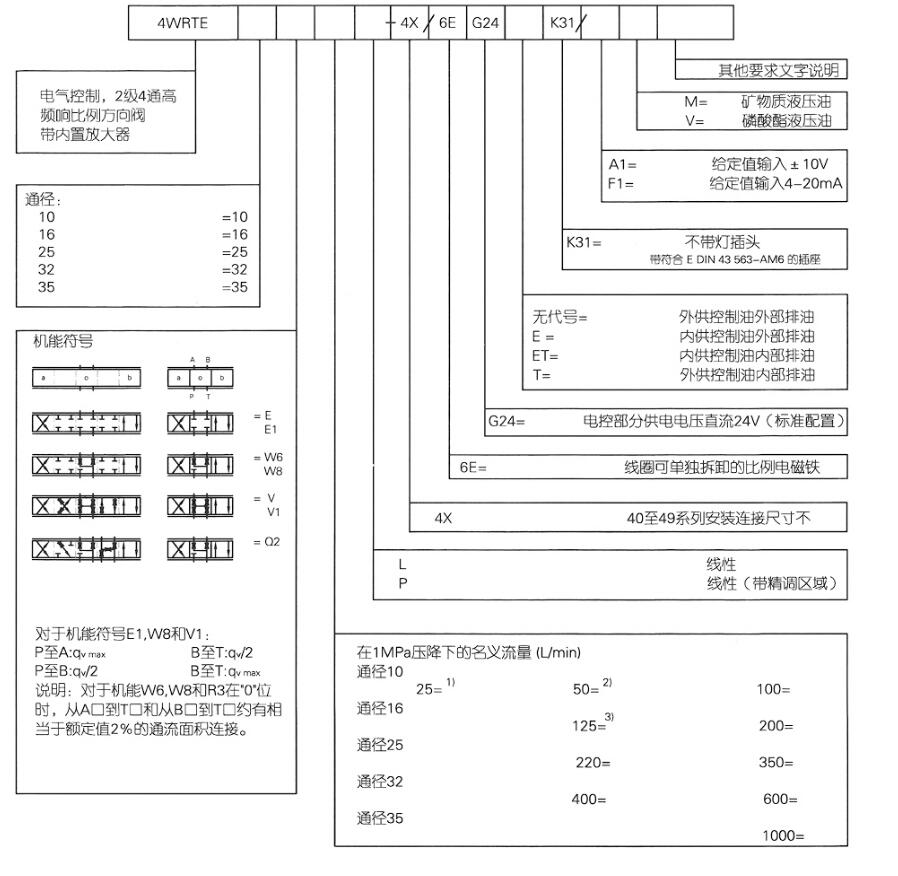
型号说明 Model description

机能符号(简化符号)

机能符号(祥细符号)

参数表 Parameter table
概述
通径10 | 通径16 | 通径25 | 通径32 | 通径35 | |
安装位置 | 任意,但优先选择水平安装 | ||||
储藏温度C | -20至+80 | ||||
使用环境温度℃ | -20至+50 | ||||
重量Kg | 8.7 | 11.2 | 16.8 | 31.5 | 34 |
液压部分(在P=10MPa,矿物油40℃±5℃时测得)
通径10 | 通径16 | 通径25 | 通径32 | 通径35 | |||
工作压力 | 先导控制阀(控制油)MPa | 2.5~31.5 | |||||
主阀(油□P,A,B)MPa | 至31.5 | 至35 | 至21 | 至35 | 至35 | ||
回油压力 | 油OT | 先导回油内泄 | 稳态<10(先导控制阀) | ||||
先导回油外泄 | 至31.5 | 至25 | 至25 | 至21 | 至25 | ||
油□YMPa | 稳态<10(先导控制阀) | ||||||
额定流量 qm±10%(在P=1 MPa时)Umin | 25 | - | - | - | - | ||
50 | 125 | 220 | 400 | - | |||
10 | 200 | 350 | 600 | 1000 | |||
主阀流量(最大允许流量)Lmin | 170 | 460 | 870 | 1600 | 3000 | ||
油口×和Y的控制流量L/min当输入阶跃信号时(0-100%)(31.5MPa) | 7 | 14 | 20 | 27 | 29 | ||
液压油 | 符合 DIN 51524标准的矿物油(HL,HLP):磷酸酯(HFD-R) | ||||||
油液清洁度 | 油液最高污染等级(按NAS 1638) | 推荐过滤器最小过滤比 6x= 75 | |||||
先导控制阀 | 第7级 | x=5 | |||||
主阀 | 第9级 | x=15 | |||||
油液温度范围℃ | -20至80(优先选择40至50) | ||||||
mm²/s黏度范围 | 20至380(优先选择30至45) | ||||||
滞环% | ≤0.1 | ||||||
灵敏度% | ≤0.05 | ||||||
零点标定(工厂设定)% | ≤1 | ||||||
电气部分
电压形式 | 直流电源 |
电压输入指令值信号A1V | ±10V |
实际值信号电压输出V | ±10V |
电流输入指令值信号mAA1 | 4-20 |
mA电流输出实际值信号 | 4-20 |
暂载率% | 100 |
℃线圈温度 | 双150 |
最大功率W | 72(平均值=24 W) |
电气连接 | 带元件插座,按E DIN 43563-AM6 |
插头,按 DIN EN 175201-804 | |
插头,按 DIN EN 175201-804 | |
阀保护按 EN 60529 | IP65,安装并固定好插头 |
电控装置 | 内置于阀内 |



在线客服