RETZ进口品质 DAW先导式卸荷阀
简要描述:RETZ进口DA,DAW先导式压力控制阀是先导式卸荷阀。它们用于向蓄能器补油 或在高/低压泵系统中使低压泵卸荷
品牌:RETZ美国瑞茨
工况条件:压力控制
温度/压力:P-T: 315bar@60℃
更新时间:2022/12/10
(DA,DAW)进口先导式卸荷阀 技术参数 Technical paramete
通径(NG)10至32, 压力至31.5MPa ,流量至240L/min Diameter (NG) 10 to 32, pressure to 31.5MPa, flow to 240L/min
特性 characteristic
用于底板安装 For baseplate installation
安装面符合DIN24340 A型和ISO 4401 Mounting surface in accordance with DIN24340 type A and ISO 4401
用于油路块安装 Used for installation of oil circuit block
4种调节形式 4 adjustment forms
4种压力范围 4 pressure ranges
旋钮 knob
带保护罩的调节螺栓 Adjusting bolt with protective cover
带刻度可锁旋钮 Lockable knob with scale
带刻度旋钮 Dial knob
电磁卸荷阀 Electromagnetic unloading valve
功能说明 Function description
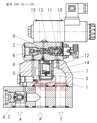
1.先导式卸荷阀的组成主要包括带主阀芯插件(3)的主阀(1)和带压力调节元件的先导阀(2)及单向阀(4)。在通径10阀中,单向阀(4.1)在主阀(1)中。在通径25和32阀中 单向阀(4.2)在主阀下面的单独安装的底板中 The pilot unloading valve mainly consists of a main valve (1) with a main valve element plug-in (3), a pilot valve (2) with a pressure regulating element and a check valve (4). In the size 10 valve, the check valve (4.1) is in the main valve (1). In sizes 25 and 32, the check valve (4.2) is located in a separately mounted base plate under the main valve
2.DA型卸荷阀泵的流量从P至A转换到P至T The flow of DA type unloading valve pump changes from P to A to P to T
泵经过单向阀(4)输油给液压系统(P→A)。油口A的压力经控制油路(5)进入先导控制阀芯(6)。同时.油口P的压力经节流孔(7)和(8)进入主阀芯(3)的弹簧加载侧及先导阀(2)中的球阀(9)。一旦A 口压力达到由先导阀设定的压力.球阀克服弹簧(10)离开其阀座。油液此时经节流孔(7)和(8)流入弹簧腔(11)。弹簧腔油液或者经控制油路(12)内排(在DA...5X/…型阀中).或者经控制油路(13),(在DA…5X/Y…型阀中)由外部返回油箱。由于节流孔(7)和(8).主阀芯(3)上下腔存在一个压降.使主阀芯离开其阀座而打开油口P至T。单向阀(4)此时关闭油口A至P。球阀(9)此时经过先导阀芯(6)的压力保持开启 The pump delivers oil to the hydraulic system (P → A) through the
check valve (4). The pressure at port A enters the pilot control spool (6) through the control oil circuit (5). At the same time The pressure at port P enters the spring loaded side of the main valve element (3) and the ball valve (9) in the pilot valve (2) through orifices (7) and (8). Once the pressure at port A reaches the pressure set by the pilot valve The ball valve leaves its seat against the spring (10). The oil now flows through the orifices (7) and (8) into the spring chamber (11). The oil in the spring chamber is discharged through the control oil circuit (12) (in the DA... 5X/... valve) Or, via the control oil circuit (13) (in the DA... 5X/Y... type valve), it returns to the oil tank from the outside. There is a pressure drop in the upper and lower cavities of the main valve element (3) due to the orifices (7) and (8) Leave the main valve element off its seat and open ports P to T. The check valve (4) now closes ports A to P. The ball valve (9) is now kept open by the pressure passing through the pilot spool (6)
3.泵的流量从P至T转换到P至A Pump flow changes from P to T to P to A
先导阀芯(6)的面积比阀座上的球阀(9)的有效面积大10%或可选的17%。因而.作用于先导阀芯上的有效力比作用于球阀上的有效力大10%或17% The area of the pilot valve element (6) is 10% larger than the effective area of the ball valve (9) on the valve seat or optional 17%. Therefore, the effective force acting on the pilot valve core is 10% or 17% greater than that acting on the ball valve.
当执行器(系统)压力下降值等于转换比时. 弹簧(10)将球阀(9)推靠在阀座上。此时 作用于阀芯(3)弹簧加载侧的压力与弹簧(14)协力作用 关闭主阀芯(3)并隔离P至T。泵的流量再一次经单向阀(4)输入液压系统(P至A)When the actuator (system) pressure drop is equal to the conversion ratio The spring (10) pushes the ball valve (9) against the valve seat. At this time, the pressure acting on the spring loaded side of the valve element (3) and the spring (14) work together to close the main valve element (3) and isolate P to T. The flow of the pump is again fed into the hydraulic system (P to A) through the check valve (4)
4.DAW型卸荷阀 DAW type unloading valve
该阀功能基本与DA型阀相同。只是在先导阀上装有电磁阀(15).可在先导阀调定的切换压力任意完成从P至A或P至T The function of this valve is basically the same as that of DA valve. Only the solenoid valve (15) is installed on the pilot valve. It can be completed from P to A or P to T at any switching pressure set by the pilot valve
图形符号 Graphical symbols

典型回路 Typical circuit

安装注意事项∶Installation precautions
(1)保持DA阀与蓄能器之间的连接阻力尽可能小 Keep the connection resistance between DA valve and accumulator as small as possible
(2)对于大的泵流量和/或低的压差(10%).Y型外排最好 For large pump flow and/or low differential pressure (10%), Y type discharge is the best
技术参数 Technical parameter

性能曲线(在使用HLP46,t=40℃±5℃时测得)
通径10,1.用于10%转换压差2.用于17%转换压差 Diameter 10, 1. for 10% conversion differential pressure 2. for 17% conversion differential pressure

通径25,这些曲线在整个流量范围内对(T)口零出口压力有效 Diameter 25, these curves are valid for zero outlet pressure at port (T) in the whole flow range

通径32 Diameter 32

转换压差,取决于压力转换设定(P→A)




在线客服